0
LTC4057-4.2
  • LTC4057-4.2
  • LTC4057-4.2
  • LTC4057-4.2

LTC4057-4.2

PRODUCTION

Linear Li-Ion Battery Charger with Thermal Regulation in ThinSOT

Analog Devices LTC4057-4.2 Product Info

10 February 2026 16

Features

  • Programmable Charge Current up to 800mA
  • No External MOSFET, Sense Resistor or Blocking Diode Required
  • Constant-Current/Constant-Voltage Operation with Thermal Regulation Maximizes Charge Rate Without Risk of Overheating*
  • Charges Single Cell Li-Ion Batteries Directly from USB Port
  • Preset 4.2V Charge Voltage with ±1% Accuracy
  • Current Monitor Pin for Charge Termination
  • 25µA Supply Current in Shutdown Mode
  • Low Battery Charge Conditioning (Trickle Charging)
  • Soft-Start Limits Inrush Current
  • Available in a Low Profile (1mm) SOT-23 Package

Part details & applications

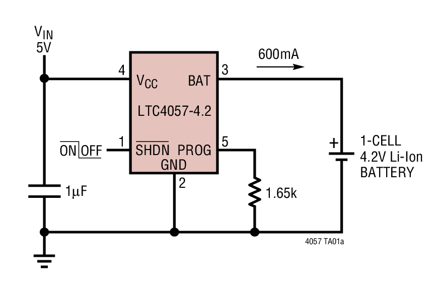
The LTC4057 is a constant-current/constant-voltage linear charger for single-cell lithium-ion batteries. Its ThinSOT package and low external component count make the LTC4057 especially well suited for portable applications. Furthermore, the LTC4057 is specifically designed to work within USB power specifications.

No external sense resistor is needed and no blocking diode is required due to the internal MOSFET architecture. Thermal feedback prevents overheating by regulating the charge current to limit the die temperature during high power operation or high ambient temperature conditions. The charge voltage is preset at 4.2V and the charge current can be programmed externally with a single resistor.

When the input supply (wall adapter or USB supply) is removed, the LTC4057 automatically enters a low current state, dropping the battery drain current to less than 2µA. With power applied, the LTC4057 can be put into shutdown mode, reducing the supply current to 25µA.

For the standalone version (on-board charge termination) of the LTC4057, refer to the LTC4054.

Applications

  • Wireless PDAs
  • Cellular Phones
  • Portable Electronics

Subscribe to Welllinkchips !
Your Name
* Email
Submit a request