0
LTC3870
  • LTC3870
  • LTC3870
  • LTC3870

LTC3870

RECOMMENDED FOR NEW DESIGNS

PolyPhase Step-Down Slave Controller for Digital Power System Management

Analog Devices LTC3870 Product Info

10 February 2026 7

Features

  • LTC3880 Family Phase Extender Supporting LTC3880/3880-1, LTC3883/3883-1, LTC3886, LTC3887 Master Controllers
  • Cascade with Multiple Chips for Very Large Current Applications
  • Accurate PolyPhase Current Sharing
  • EXTVCC Capable of 5V to 14V Input
  • Wide VIN Range: 4.5V to 60V
  • Wide Output Voltage Range : 0.5V to 14V
  • Wide SYNC Frequency Range: 100kHz to 1MHz
  • Pin Programmable of CCM/DCM Operation
  • Pin Programmable of Phase-Shift Control
  • Integrated Powerful N-Channel MOSFET Gate Drivers
  • Available in a 28-Pin (4mm × 5mm) QFN Package

Part details & applications

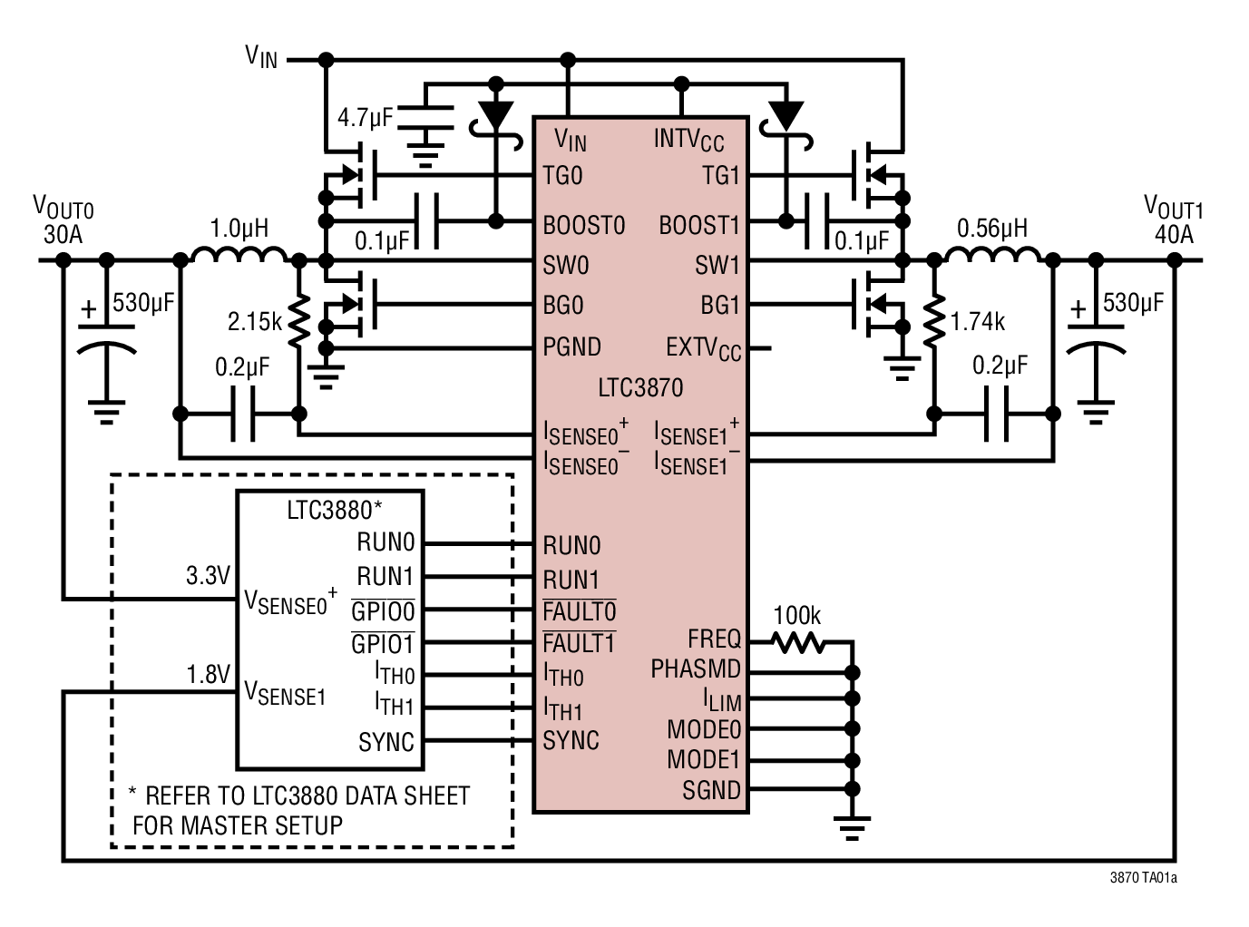
The LTC3870 is a PolyPhase® step-down slave controller specially designed for multiphase operation with the LTC3880 family digital power system management DC/DC controllers. It provides a small and cost effective solution for supplying very large currents by cascading it with a master controller. A peak current mode architecture provides the LTC3870 with excellent current sharing from phase to phase and from chip to chip.

Coherently working with the LTC3880 family, the LTC3870 does not require additional I2C addresses, and it supports all programmable features as well as fault protection. The constant switching frequency can be synchronized to an external clock from the master controller from 100kHz to 1MHz.

Onboard MOSFET Gate Drivers Package
LTC3870 Yes 4x5 QFN-28
LTC3870-1 No – Works with DrMOS and Power Blocks 4x4 QFN-24

Applications

  • High Power Distribute

Subscribe to Welllinkchips !
Your Name
* Email
Submit a request