0
ADP1074
  • ADP1074
  • ADP1074
  • ADP1074
  • ADP1074
  • ADP1074
  • ADP1074

ADP1074

RECOMMENDED FOR NEW DESIGNS

Isolated, Synchronous Forward Controller with Active Clamp and iCoupler®

Analog Devices ADP1074 Product Info

10 February 2026 7

Features

  • Current mode controller for active clamp forward topology
  • Integrated 5 kV (wide body SOIC package) or 3.0 kV (LGA package) rated dielectric isolation voltage with Analog Devices, Inc., patented iCoupler technology
  • Wide voltage supply range
    • Primary VIN: up to 60 V
    • Secondary VDD2: up to 36 V
  • Integrated 1 A primary side MOSFET driver for power switch and active clamp reset switch
  • Integrated 1 A secondary side MOSFET drivers for synchronous rectification
  • Integrated error amplifier and <1% accurate reference voltage
  • Programmable slope compensation
  • Programmable frequency range: 50 kHz to 600 kHz typical
  • Frequency synchronization
  • Programmable maximum duty cycle limit
  • Programmable soft start
  • Smooth soft start from precharged load
  • Programmable dead time
  • Power saving light load mode using MODE pin
  • Protection features such as short circuit, output overvoltage, and overtemperature protection
    • Cycle-by-cycle input overcurrent protection
  • Precision enable UVLO with hysteresis
  • PGOOD pin for system flagging
  • Tracking function from secondary side
  • Remote (secondary side) shutdown/reset function
  • Safety and regulatory approvals (pending)
    • UL recognition
      • 5000 V rms for 1 minute per UL 1577 (for wide body SOIC package)
      • 3000 V rms for 1 minute per UL 1577 (for LGA package)
    • CSA component acceptance

Part details & applications

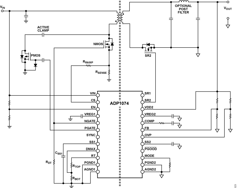
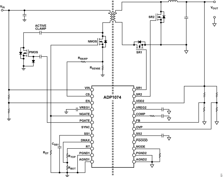
The ADP1074 is a current mode, fixed frequency, active clamp, synchronous forward controller designed for isolated dc to dc power supplies. Analog Devices proprietary iCouplers® are integrated in the ADP1074 to eliminate the bulky signal transformers and optocouplers that transmit signals over the isolation boundary. Integrating the iCouplers reduces system design complexity, cost, and component count and improves overall system reliability. With the integrated isolators and metal-oxide semiconductor field effect transistor (MOSFET) drivers on both the primary and the secondary side, the ADP1074 offers a compact system level design and yields a higher efficiency than a non-synchronous forward converter at heavy loads.

The primary side pins provide functions for programming the switching frequency, maximum duty cycle, external frequency synchronization, and slope compensation.

The secondary side pins provide functions for differential output voltage sensing, overvoltage, power good, tracking, and programmable light load mode setting.

The feedback signal and timing of synchronous rectifier pulse-width modulations (PWMs) are transmitted from primary to secondary or from secondary to primary sides through the iCouplers using a proprietary transmission scheme.

The ADP1074 also offers features such as input current protection, undervoltage lockout (UVLO), precision enable with adjustable hysteresis, overtemperature protection (OTP), and power saving light load mode (LLM).

Applications

  • Isolated dc-to-dc power conversion
  • Intermediate bus voltage generation
  • Telecom, industrial
  • Base station and antenna RF power
  • Small cell
    • PoE powered device
  • Enterprise switches/routers