0
MAX1876
  • MAX1876

MAX1876

PRODUCTION

Dual 180° Out-of-Phase PWM Step-Down Controllers with POR

Analog Devices MAX1876 Product Info

10 February 2026 9

Features

  • Two Independent Output Voltages
  • 180° Out-of-Phase Operation
  • 90° Out-of-Phase Operation (Using Two MAX1875/MAX1876s)
  • Foldback Current Limit
  • 4.75V to 23V Input Supply Range
  • 0 to 18V Output-Voltage Range (Up to 10A)
  • >90% Efficiency
  • Fixed-Frequency Pulse-Width Modulation (PWM) Operation
  • Adjustable 100kHz to 600kHz Switching Frequency
  • External SYNC Input
  • Clock Output for Master/Slave Synchronization
  • Soft-Start and Soft-Stop
  • Active-low RST Output with 140ms Minimum Delay (MAX1876)
  • Lossless Current Limit (No Sense Resistor)
  • Part details & applications

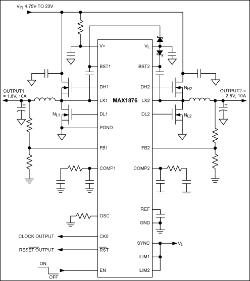
    The MAX1875/MAX1876 dual, synchronized, step-down controller generates two outputs from input supplies ranging from 4.75V to 23V. Each output is adjustable from sub-1V to 18V and supports loads of 10A or higher. Input voltage ripple and total RMS input ripple current are reduced by synchronized 180° out-of-phase operation.

    The switching frequency is adjustable from 100kHz to 600kHz with an external resistor. Alternatively, the controller can be synchronized to an external clock generated to another MAX1875/MAX1876 or a system clock. One MAX1875/MAX1876 can be set to generate an in-phase, or 90° out-of-phase, clock signal for synchronization with additional controllers. This allows two controllers to operate either as an interleaved two- or four-phase system with each output shifted by 90°. These devices also feature soft-start and soft-stop.

    The MAX1875/MAX1876 eliminate the need for current-sense resistors by utilizing the low-side MOSFET's on-resistance as a current-sense element. This protects the DC-DC components from damage during output- overload conditions or when output short-circuit faults without requiring a current-sense resistor. Adjustable foldback current limit reduces power dissipation during short-circuit conditions. The MAX1876 includes a power-on reset output to signal the system when both outputs reach regulation.

    The MAX1875/MAX1876 are available in a 24-pin QSOP package. An evaluation kit is available to speed designs.

    Applications

    • Broadband Routers
    • DSP, ASIC, and FPGA Power Supplies
    • Network-Power Supplies
    • Servers
    • Set-Top Boxes
    • Telecom Power Supplies

    Subscribe to Welllinkchips !
    Your Name
    * Email
    Submit a request