0
MAX17113
  • MAX17113

MAX17113

LAST TIME BUY

Low-Cost Multiple-Output Power Supply for LCD TVs Low-Cost, Highly Integrated IC for LCD TV Power Supply Minimizes Space and Cost

Analog Devices MAX17113 Product Info

10 February 2026 9

Features

  • Optimized for 10.8V to 13.2V Input Supply
  • 8V to 16.5V Input Supply Range
  • Selectable Frequency (450kHz/600kHz)
  • Current-Mode Step-Up Regulator
    • Built-In 24V, 3.3A, 80mΩ n-Channel MOSFET
    • High-Accuracy Output Voltage (1%)
    • True Shutdown
    • Fast Load-Transient Response
    • High Efficiency
    • 10ms Internal Soft-Start
  • Current-Mode Step-Down Regulator
    • Built-In 24V, 3A, 100mΩ n-Channel MOSFET
    • Fast Load-Transient Response
    • Adjustable Output Voltage Down to 1.5V
    • Skip Mode at Light Load (EN2 = AGND)
    • High Efficiency
    • 3ms Internal Soft-Start
  • Adjustable Positive and Negative Charge-Pump Regulators
  • Soft-Start and Timer-Delay Fault Latch for All Outputs
  • Logic-Controlled High-Voltage Integrated Switches with Adjustable Delay
  • 120mΩ p-Channel FET for AVDD Sequencing
  • Input Undervoltage Lockout and Thermal-Overload Protection
  • 40-Pin, 5mm x 5mm Thin QFN Package

Part details & applications

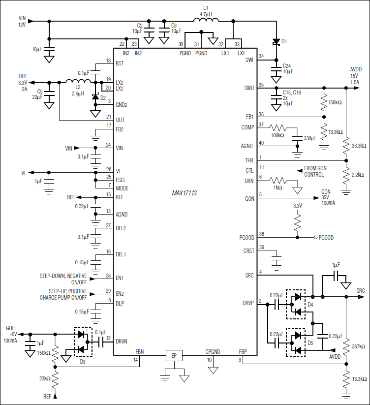
The MAX17113 multiple-output power-supply controller generates all the supply rails for thin-film transistor (TFT) liquid-crystal display (LCD) panels in TVs and monitors operating from a regulated 12V input. It includes a step-down and a step-up regulator, a positive and a negative charge pump, a Dual Mode™ logic-controlled high-voltage switch control block, and an adjustable-timing power-good output. The MAX17113 can operate from 8V to 16.5V input voltages and is optimized for LCD TV panel and LCD monitor applications running directly from 12V supplies.

The step-up and step-down regulators feature internal power MOSFETs and high-frequency operation allowing the use of small inductors and capacitors, resulting in a compact solution. Both switching regulators use fixed-frequency current-mode control architectures, providing fast load-transient response and easy compensation. A current-limit function for internal switches and output-fault shutdown protect the step-up and step-down power supplies against fault conditions. The MAX17113 provides soft-start functions to limit inrush current during startup. The MAX17113 provides adjustable power-up timing.

The positive and negative charge-pump regulators provide TFT gate-driver supply voltages. Both output voltages can be adjusted with external resistive voltage-dividers. The switch control block allows the manipulation of the positive TFT gate-driver voltage.

A series p-channel MOSFET is integrated to sequence power to AVDD after the MAX17113 has proceeded through normal startup, and provides True Shutdown™.

The MAX17113 is available in a small (5mm x 5mm), low-profile (0.8mm), 40-pin thin QFN package and operates over a -40°C to +85°C temperature range.

Applications

  • LCD Monitor Panels
  • LCD TV Panels

Subscribe to Welllinkchips !
Your Name
* Email
Submit a request