0
LTC3788
  • LTC3788
  • LTC3788
  • LTC3788

LTC3788

PRODUCTION

2-Phase, Dual Output Synchronous Boost Controller

Analog Devices LTC3788 Product Info

10 February 2026 10

Features

  • Synchronous Operation for Highest Efficiency and Reduced Heat Dissipation
  • Wide Input Range: 4.5V to 38V (40V Abs Max) and Operates Down to 2.5V After Start-Up
  • Output Voltages Up to 60V
  • ±1% 1.2V Reference Voltage
  • RSENSE or Inductor DCR Current Sensing
  • 100% Duty Cycle Capability for Synchronous MOSFET
  • Low Quiescent Current: 125μA
  • Phase-Lockable Frequency (75kHz to 850kHz)
  • Programmable Fixed Frequency (50kHz to 900kHz)
  • Selectable Current Limit
  • Adjustable Output Voltage Soft-Start
  • Power Good Output Voltage Monitors
  • Low Shutdown Current IQ: <8μA
  • Internal LDO Powers Gate Drive from VBIAS or EXTVCC
  • Thermally Enhanced Low Profile 32-Pin 5mm × 5mm QFN Package

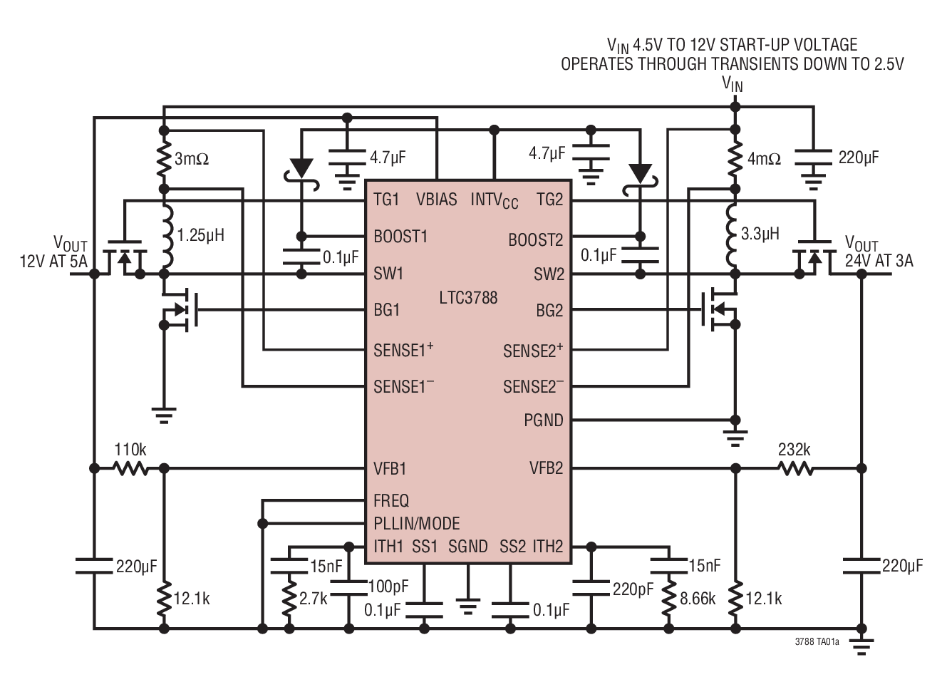
The LTC3788 is a high performance 2-phase dual synchronous boost converter controller that drives all N-channel power MOSFETs. Synchronous rectification increases efficiency, reduces power losses and eases thermal requirements, allowing the LTC3788 to be used in high power boost applications.

A constant-frequency current mode architecture allows a phase-lockable frequency of up to 850kHz. OPTI-LOOP® compensation allows the transient response to be optimized over a wide range of output capacitance and ESR values. The LTC3788 features a precision 1.2V reference and dual power good output indicators. A 4.5V to 38V input supply range encompasses a wide range of system arch

Part details & applications

The LTC3788 is a high performance 2-phase dual synchronous boost converter controller that drives all N-channel power MOSFETs. Synchronous rectification increases efficiency, reduces power losses and eases thermal requirements, allowing the LTC3788 to be used in high power boost applications.

A constant-frequency current mode architecture allows a phase-lockable frequency of up to 850kHz. OPTI-LOOP® compensation allows the transient response to be optimized over a wide range of output capacitance and ESR values. The LTC3788 features a precision 1.2V reference and dual power good output indicators. A 4.5V to 38V input supply range encompasses a wide range of system architectures and battery chemistries.

Independent SS pins for each controller ramp the output voltages during start-up. The PLLIN/MODE pin selects among Burst Mode® operation, pulse-skipping mode or continuous inductor current mode at light loads.

For a leaded 28-lead SSOP package with a fixed current limit and one PGOOD output, without phase modulation or a clock output, see the LTC3788-1 data sheet.

CLKOUT/PHASMD Adjustable Current Sense Power Good Package
LTC3788 Yes Yes 2