0
LTC3785
  • LTC3785
  • LTC3785
  • LTC3785

LTC3785

PRODUCTION

10V, High Efficiency, Synchronous, No RSENSE Buck-Boost Controller

Analog Devices LTC3785 Product Info

10 February 2026 7

Features

  • Single Inductor Architecture Allows VIN Above, Below or Equal to VOUT
  • 2.7V to 10V Input and Output Range
  • Up to 96% Efficiency
  • Up to 10A of Output Current
  • All N-channel MOSFETs, No RSENSE
  • True Output Disconnect During Shutdown
  • Programmable Current Limit and Soft-Start
  • Optional Short-Circuit Shutdown Timer
  • Output Overvoltage and Undervoltage Protection
  • Programmable Frequency: 100kHz to 1MHz
  • Selectable Burst Mode® Operation
  • Available in 24-Lead (4mm × 4mm) Exposed Pad QFN Package

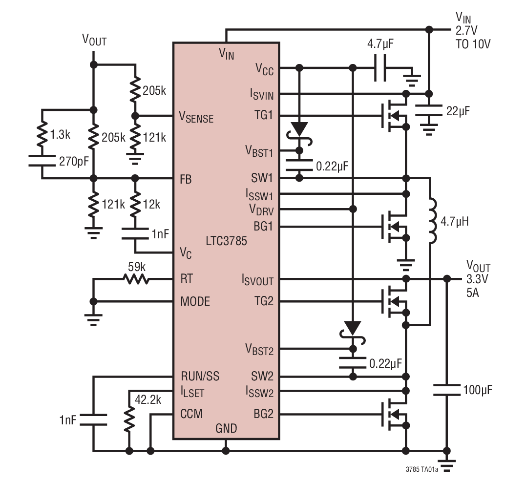
The LTC3785 is a high power synchronous buck-boost controller that drives all N-channel power MOSFETs from input voltages above, below and equal to the output voltage. With an input range of 2.7V to 10V, the LTC3785 is well suited for a wide variety of single or dual cell Li-Ion or multicell alkaline/NiMH applications.

The operating frequency can be programmed from 100kHz to 1MHz. The soft-start time and current limit are also programmable. The soft-start capacitor doubles as the fault timer which can program the IC to latch off or recycle after a determined off time. Burst Mode operation is user controlled and can be enabled by driving the MODE pin high.

Protection features include foldback current limit, shortcircuit and overvoltage protection.

Part details & applications

The LTC3785 is a high power synchronous buck-boost controller that drives all N-channel power MOSFETs from input voltages above, below and equal to the output voltage. With an input range of 2.7V to 10V, the LTC3785 is well suited for a wide variety of single or dual cell Li-Ion or multicell alkaline/NiMH applications.

The operating frequency can be programmed from 100kHz to 1MHz. The soft-start time and current limit are also programmable. The soft-start capacitor doubles as the fault timer which can program the IC to latch off or recycle after a determined off time. Burst Mode operation is user controlled and can be enabled by driving the MODE pin high.

Protection features include foldback current limit, shortcircuit and overvoltage protection.

Power Good
LTC3785 No
LTC3785-1 Yes

Applications

  • Palmtop Computers
  • Handheld Instruments
  • Wireless Modems
  • Cellular Telephones