0
LTC2374-16
  • LTC2374-16
  • LTC2374-16
  • LTC2374-16

LTC2374-16

PRODUCTION

16-Bit, 1.6Msps, 8-Channel SAR ADC with 96dB SNR

Analog Devices LTC2374-16 Product Info

10 February 2026 5

Features

  • 1.6Msps Throughput Rate
  • 16-Bit Resolution with No Missing Codes
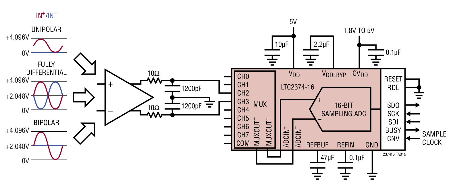
  • 8-Channel Multiplexer with Selectable Input Range
    • Fully Differential (±4.096V)
    • Pseudo-Differential Unipolar (0V to 4.096V)
    • Pseudo-Differential Bipolar (±2.048V)
  • INL: ±1LSB (Maximum)
  • SNR: 96dB (Fully Differential)/93dB (Pseudo-Differential) (Typical) at fIN = 1kHz
  • THD: –114dB (Typical) at fIN = 1kHz
  • Programmable Sequencer
  • Selectable Digital Gain Compression
  • Single 5V Supply with 1.8V to 5V I/O Voltages
  • SPI-Compatible Serial I/O
  • Onboard 2.048V Reference and Reference Buffer
  • No Pipeline Delay, No Cycle Latency
  • Power Dissipation 55mW (Typical)
  • 32-Lead 5mm × 5mm QFN Package

Part details & applications

The LTC2374-16 is a low noise, high speed, 8-channel 16-bit successive approximation register (SAR) ADC. Operating from a single 5V supply, the LTC2374-16 has a highly configurable, low crosstalk 8-channel input multiplexer, supporting fully differential, pseudo-differential unipolar and pseudo-differential bipolar analog input ranges. The LTC2374-16 achieves ±1LSB INL (maximum) in all input ranges, no missing codes at 16-bits and 96dB (fully differential)/ 93dB (pseudo-differential) SNR (typical).

The LTC2374-16 has an onboard low drift (20ppm/°C max) 2.048V temperature-compensated reference and a single-shot capable reference buffer. The LTC2374-16 also has a high speed SPI-compatible serial interface that supports 1.8V, 2.5V, 3.3V and 5V logic through which a sequencer with a depth of 16 may be programmed. An internal oscillator sets the conversion time, easing external timing considerations. The LTC2374-16 dissipates only 55mW and automatically naps between conversions, leading to reduced power dissipation that scales with the sampling rate. A sleep mode is also provided to reduce the power consumption of the LTC2374-16 to 300μW for further power savings during inactive periods.

Applications

  • Programmable Logic Controllers
  • Industrial Process Control
  • High Speed Data Acquisition
  • Portable or Compact Instrumentation
  • ATE

Subscribe to Welllinkchips !
Your Name
* Email
Submit a request