0
LTC2439-1
  • LTC2439-1
  • LTC2439-1
  • LTC2439-1

LTC2439-1

PRODUCTION

8-/16-Channel 16-Bit No Latency ∆Σ™ ADC

Analog Devices LTC2439-1 Product Info

10 February 2026 5

Features

  • 16-Channel Single-Ended or 8-Channel Differential Inputs
  • Low Supply Current (200µA, 4µA in Autosleep)
  • Rail-to-Rail Differential Input/Reference
  • 16-Bit No Missing Codes
  • 1µV RMS Noise, 16-ENOBS Independent of VREF
  • Very Low Transition Noise: Less Than 0.02LSB
  • Operates with a Reference as Low as 100mV with 1.5µV LSB Step Size
  • Guaranteed Modulator Stability and Lock-Up Immunity for Any Input and Reference Conditions
  • Single Supply 2.7V to 5.5V Operation
  • Internal Oscillator—No External Components Required
  • 87dB Min, 50Hz and 60Hz Simultaneous Notch Filter
  • Pin Compatible with the 24-Bit LTC2418
  • 28-Lead SSOP Package

Part details & applications

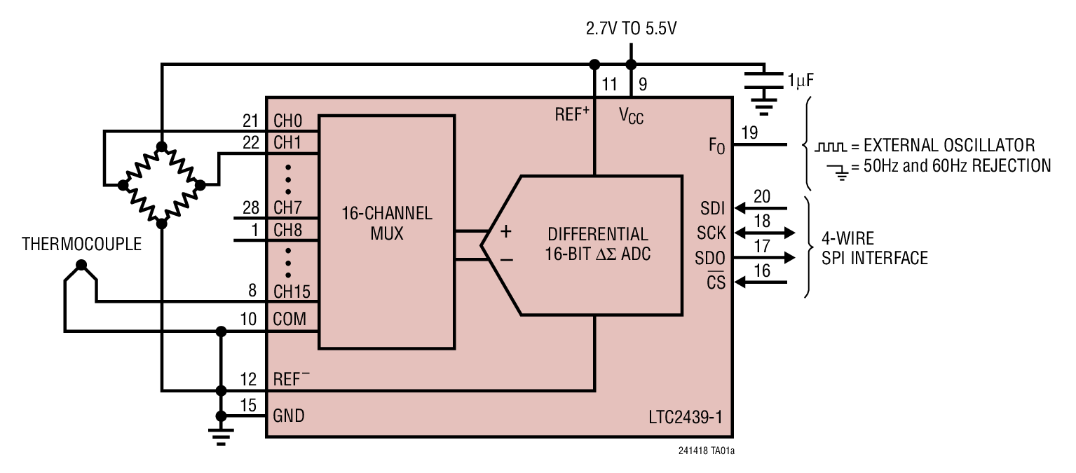
The LTC2439-1 is a 16-channel (8-differential) micropower 16-bit ∆Σ analog-to-digital converter. It operates from 2.7V to 5.5V and includes an integrated oscillator, 0.12LSB INL and 1µV RMS noise. It uses delta-sigma technology and provides single cycle settling time for multiplexed applications. Through a single pin, the LTC2439-1 can be configured for better than 87dB differential mode rejection at 50Hz and 60Hz ±2%, or it can be driven by an external oscillator for a user-defined rejection frequency. The internal oscillator requires no external frequency setting components.

The LTC2439-1 accepts any external differential reference voltage from 0.1V to VCC for flexible ratiometric and remote sensing measurement applications. It can be configured to take 8 differential channels or 16 single-ended channels. The full-scale bipolar input range is from –0.5VREF to 0.5VREF. The reference common mode voltage, VREFCM, and the input common mode voltage, VINCM, may be independently set between GND and VCC. The DC common mode input rejection is better than 140dB.

The LTC2439-1 communicates through a flexible 4-wire digital interface that is compatible with SPI and MICROWIRE protocols.

Applications

  • Direct Sensor Digitizer
  • Weight Scales
  • Direct Temperature Measurement
  • Gas Analyzers
  • Strain Gauge Transducers
  • Instrumentation
  • Data Acquisition
  • Industrial Process Control

Subscribe to Welllinkchips !
Your Name
* Email
Submit a request