0
ADAU1977
  • ADAU1977
  • ADAU1977
  • ADAU1977

ADAU1977

PRODUCTION

Quad ADC with Diagnostics (10V Input)

Analog Devices ADAU1977 Product Info

10 February 2026 5

Features

  • Programmable microphone bias (5 V to 9 V) with diagnostics
  • Four 10 V rms capable direct-coupled differential inputs
  • 109 dB ADC dynamic range
  • On-chip PLL for master clock
  • −95 dB THD + N
  • Selectable digital high-pass filter
  • 24-bit ADC with 8 kHz to 192 kHz sample rates
  • Low EMI design
  • See data sheet for additional features

Part details & applications

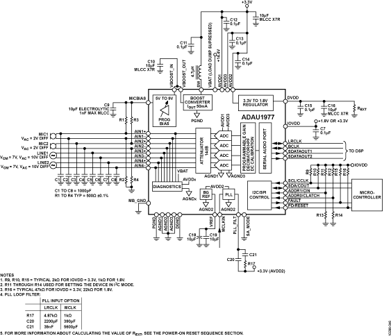
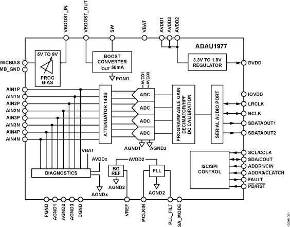
The ADAU1977 incorporates four high performance analog-to-digital converters (ADCs) with direct-coupled inputs capable of 10 V rms. The ADC uses multibit sigma-delta (Σ-Δ) architecture with continuous time front end for low EMI. The ADCs can be connected to the electret microphone (ECM) directly and provide the bias for powering the microphone. Built-in diagnostic circuitry detects faults on input lines and includes comprehensive diagnostics for faults on microphone inputs. The faults reported are short to battery, short to microphone bias, short to ground, short between positive and negative input pins, and open input terminals. In addition, each diagnostic fault is available as an IRQ flag for ease in system design. An I2C/SPI control port is also included. The ADAU1977 uses only a single 3.3 V supply. The part internally generates the microphone bias voltage. The microphone bias is programmable in a few steps from 5 V to 9 V. The low power architecture reduces the power consumption. An on-chip PLL can derive the master clock from an external clock input or frame clock (sample rate clock). When fed with a frame clock, the PLL eliminates the need for a separate high frequency master clock in the system. The ADAU1977 is available in a 40-lead LFCSP package.

Applications

  • Automotive audio systems
  • Active Noise Cancellation System

Subscribe to Welllinkchips !
Your Name
* Email
Submit a request