0
LTC3607
  • LTC3607
  • LTC3607
  • LTC3607
  • LTC3607

LTC3607

PRODUCTION

Dual 600mA 15V Monolithic Synchronous Step-Down DC/DC Regulator

Analog Devices LTC3607 Product Info

10 February 2026 9

Features

  • High Efficiency: Up to 96%
  • Very Low Quiescent Current: 55μA Total
  • 2.25MHz Constant Frequency Operation
  • Low Dropout Operation: 100% Duty Cycle
  • Low-Ripple (Typical 30mVP-P) Burst Mode® Operation
  • Peak Current-Mode Control Architecture for Excellent Line and Load Transient Response
  • Wide Voltage Input Range: 4.5V to 15V
  • 600mA/Channel Rated Output Current
  • 0.6V Reference Allows Low Output Voltages
  • ±1.5% Output Voltage Accuracy
  • Ultralow Shutdown Current: IQ < 1μA
  • Internal Compensation
  • Power Good Outputs
  • Externally Frequency Synchronization (1MHz to 4MHz)
  • Independent Internal Soft-Start for Each Channel
  • Small 16-Lead Thermally Enhanced Thin QFN (3mm × 3mm) and MSE Packages

Part details & applications

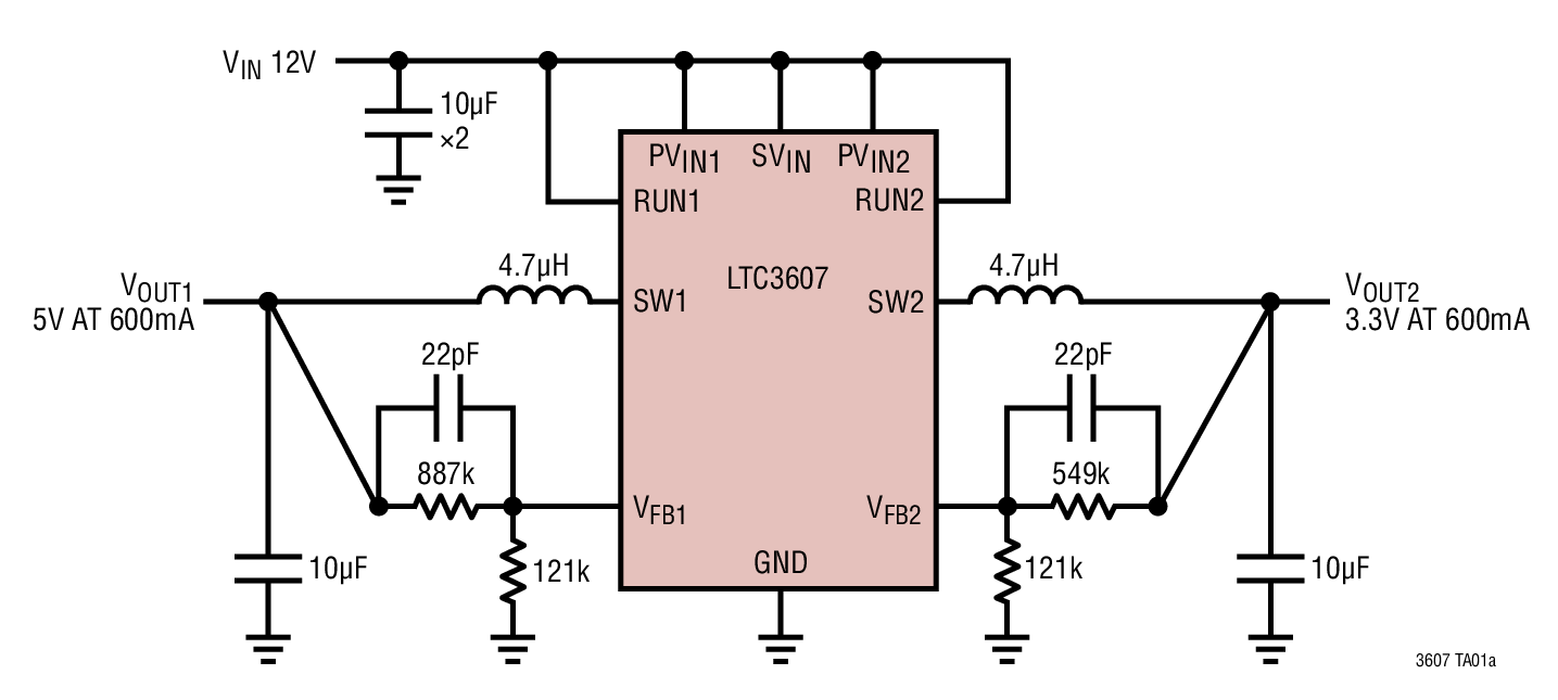
The LTC3607 is a 15V dual 600mA monolithic synchronous step-down regulator which has only 55μA quiescent current. Intended for a variety of applications, including dual lithium-ion battery products, it operates from a wide 4.5V to 15V input voltage range. It features a constant 2.25MHz switching frequency, enabling the use of tiny, low cost capacitors and inductors 1mm or less in height. Each output voltage is adjustable from 0.6V to VIN. The internal synchronous power switches provide high efficiency without the need for external Schottky diodes.

A user selectable mode input is provided to allow the user to trade off ripple noise for light load efficiency; Burst Mode operation provides the highest efficiency at light loads, while pulse-skipping mode provides the lowest ripple noise.

To further the maximize battery run time, the P-channel MOSFETs are turned on continuously in dropout (100% duty cycle). In shutdown, the device draws <1μA.


Applications

  • Dual Lithium-Ion Battery Supplies
  • Automotive Applications
  • Servers

Subscribe to Welllinkchips !
Your Name
* Email
Submit a request