0
LTC2656
  • LTC2656
  • LTC2656
  • LTC2656
  • LTC2656

LTC2656

PRODUCTION

Octal 16-/12-Bit Rail-to-Rail DACs with 10ppm/°C Max Reference

Analog Devices LTC2656 Product Info

10 February 2026 5

Features

  • Precision 10ppm/°C Max Reference
  • Maximum INL Error: ±4LSB at 16 Bits
  • Guaranteed Monotonic over Temperature
  • Selectable Internal or External Reference
  • 2.7V to 5.5V Supply Range (LTC2656-L)
  • Integrated Reference Buffers
  • Ultralow Crosstalk Between DACs(<1nV•s)
  • Power-On-Reset to Zero-Scale/Mid-scale
  • Asynchronous LDAC Update Pin
  • Tiny 20-Lead 4mm × 5mm QFN and 20-Lead Thermally Enhanced TSSOP Packages

Part details & applications

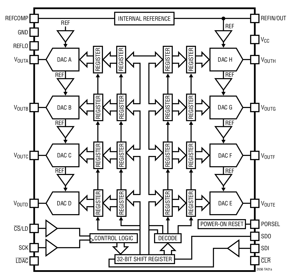
The LTC2656 is a family of octal 16-/12-bit rail-to-rail DACs with a precision integrated reference. The DACs have built-in high performance, rail-to-rail, output buffers and are guaranteed monotonic.The LTC2656-L has a full-scale output of 2.5V with the integrated 10ppm/°C reference and operates from a single 2.7V to 5.5V supply. The LTC2656-H has a full-scale output of 4.096V with the integrated reference and operates from a 4.5V to 5.5V supply. Each DAC can also operate with an external reference, which sets the DAC full-scale output to two times the external reference voltage.

These DACs communicate via a SPI/MICROWIRE compatible 4-wire serial interface which operates at clock rates up to 50MHz. The LTC2656 incorporates a power-on reset circuit that is controlled by the PORSEL pin. If PORSEL is tied to GND the DACs reset to zero-scale. If PORSEL is tied to VCC, the DACs reset to mid-scale.

Applications

  • Mobile Communications
  • Process Control and Industrial Automation
  • Instrumentation
  • Automatic Test Equipment
  • Automotive

Subscribe to Welllinkchips !
Your Name
* Email
Submit a request