0
HMC1084
  • HMC1084

HMC1084

RECOMMENDED FOR NEW DESIGNS

GaAs MMIC SP4T Reflective Switch, 23 - 30 GHz

Analog Devices HMC1084 Product Info

10 February 2026 7

Features

  • Broadband Performance: 23 - 30 GHz
  • High Isolation: 26 dB
  • Insertion Loss: 2.8 dB
  • High Power Handling: >27 dBm
  • 24 Lead 4 × 4mm SMT Package: 16mm2

Part details & applications

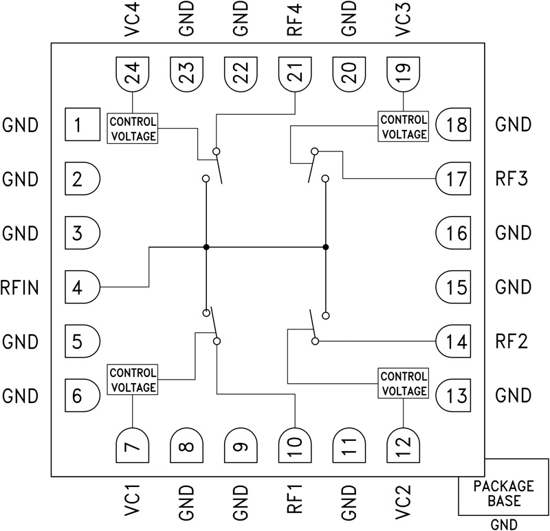
The HMC1084 is a broadband reflective GaAs MESFET SP4T switch in a compact 4 × 4 mm ceramic package. Covering 23 - 30 GHz, this switch offers high isolation and low insertion loss. The HMC1084 is controlled with 0/-3V logic, exhibits fast switching speed and consumes much less DC current than pin diode based solutions. With its compact form factor, the HMC1084 is ideal for microwave radio as well as SATCOM and sensor applications. The HMC1084 is housed in a leadless 4 × 4 mm SMT package which is compatible with surface mount manufacturing techniques.

APPLICATIONS

  • Telecom Infrastructure
  • Microwave Radio & VSAT
  • Military & Space Hybrids
  • Test Instrumentation
  • SATCOM & Sensors

Subscribe to Welllinkchips !
Your Name
* Email
Submit a request