0
MAX12005
  • MAX12005

MAX12005

PRODUCTION

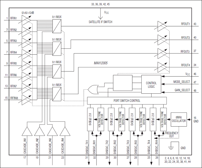
Satellite IF Switch Highly Integrated, 8 x 4 Satellite IF Switch Matrix with DiSEqC 2.0 Decoders Enables Expansion to 16 Satellite Inputs

Analog Devices MAX12005 Product Info

10 February 2026 8

Features

  • 8-Input-to-4-Output Matrix Switch
  • Expandable to 16 Inputs with Cascade Master/Slave Option
  • 950MHz to 2150MHz Operation
  • Greater than 30dB Switch Isolation
  • 0/+6/+12dB Input Stage Gain Selection to Compensate for Splitter Insertion Loss
    • Gain Step for All Input Stages Is Commonly Controlled Through an Analog Select Pin
  • Four Integrated DiSEqC 2.0 Decoders with Integrated Oscillator
  • Alternate Tone/Voltage Detection
  • ESD Protected to 2kV HBM

Part details & applications

The MAX12005 satellite IF switch IC is designed for multi-user applications supporting two quad universal low-noise blocks (LNBs) to be matrix switched to four satellite receivers. The system can be easily expanded to accept 16 satellite IF inputs using the cascade option and one additional satellite IF switch IC. A configuration of eight satellite IF inputs to eight satellite receivers is also possible by using two ICs and adding eight input splitters. The insertion loss of these splitters can be compensated by a +6dB or +12dB input gain select.

There are two ways to control the switch function. Each IC contains four DiSEqC™ 2.0 decoders and four alternate tone/voltage decoders. The decoders use an integrated trimmed oscillator, simplifying the MAX12005 implementation into any system. There are four operational modes, which include LNB mode (for use within the LNB), cascade master mode, cascade slave mode, and single mode.

The satellite IF switch is designed on an advanced SiGe process and is available in a lead-free 48-pin TQFN surface-mount package (7mm x 7mm).

Applications

  • Direct Broadcast Satellite Receivers
  • L-Band Distribution
  • Satellite IF Distribution

Subscribe to Welllinkchips !
Your Name
* Email
Submit a request