0
ADBMS6948
  • ADBMS6948
  • ADBMS6948

ADBMS6948

RECOMMENDED FOR NEW DESIGNS

16-Channel, Battery Pack Monitoring System

Analog Devices ADBMS6948 Product Info

10 February 2026 5

Features

  • Cell voltage measurement
    • Up to 16-cell channels
    • Parallel and redundant architecture
    • Passive cell balancing up to 300 mA per cell
    • <3 mV total measurement error (TME) at 4.2 V over the lifetime
  • Pack current measurement
    • Independent bidirectional channels with redundancy
    • Dedicated charge measurement/coulomb counter
    • Dynamic range: ±131 mV
    • Resolution: 1 µV/bit
    • Offset: 1 µV over the lifetime
    • Gain Error: 0.1% over the lifetime
  • Synchronous pack current and cell voltage measurements
  • Short/Over current detection
    • <2 µs response time
    • Programmable detection time and threshold
    • Dedicated outputs for MOSFET/Contactor control
    • Redundant measurement, algorithm, and fault pin
  • 10 General-purpose 1/0 (GPIO) channels
    • Cell and board temperature measurements
    • Pack, load, and system diagnostic measurements
    • <3.3 mV TME over the lifetime
  • Low power monitoring for key-off state
    • Dedicated fault output pin
    • Configurable overshoot, undershoot, and time gradient thresholds
    • Cell voltage, pack current, and GPIO voltage measurement
    • Configurable measurable period
    • Independent continuous time overcurrent protection
  • 4-Wire SPI 4 MHz communication interface
  • Package 64-pin QFN-SS
  • AEC-Q100 qualified

Part details & applications

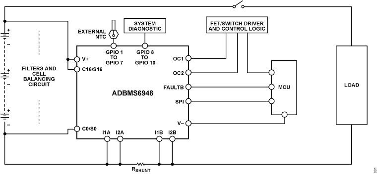
The ADBMS6948 is a multi-cell battery monitor with the industry's first parallel measurement architecture, which measures up to 16 series-connected battery cells with a TME of less than 3 mV over the full temperature range and lifetime. The parallel measurement architecture ensures the lowest external component cost in its category. It is the industry's only battery management system with redundancy on voltage, current, temperature, and overcurrent detection. The cell voltage measurement input range of -2.0 V to 5.5 V makes ADBMS6948 suitable for most battery chemistries and allows the measurement of voltages across bus bars. All 16-cells can be measured simultaneously and redundantly with two individual analog-to-digital converters (ADCs), C-ADC and S-ADC, respectively. The ADCs have a sampling rate of 4.096 MHz and a conversion time of up to 1 ms. Higher noise reduction can be achieved by subsequent programmable digital IIR filters.

The ADBMS6948 also provides the best-in-class integrated bidirectional current measurement capability. It measures the current flowing in and out of the battery module by measuring the voltage drop over an external sense resistor with an input offset voltage of 1 µV and 0.1% gain error over a lifetime. The additional current channel ADC can be synchronized with the cell voltage measurements. This combination of parallel, synchronous, and precise voltage and current measurement provides the ability to achieve an accurate state of charge (SOC), state of power (SOP), and state of health (SOH) estimation at the microcontroller unit (MCU). The ADBMS6948 also provides an integrated coulomb counter, which can be used to offload MCU overheads for precise SOC estimation.

The ADBMS6948 also provides the only Li-ion cell monitor with an integrated overcurrent (OC) detection feature with a less than 2µs overcurrent response time. The dedicated overcurrent pins can be used to connect to

Subscribe to Welllinkchips !
Your Name
* Email
Submit a request