0
AD9057
  • AD9057

AD9057

PRODUCTION

8-Bit, 40/60/80 MSPS A/D Converter

Analog Devices AD9057 Product Info

10 February 2026 8

Features

  • 8-Bit, Low Power ADC: 200 mW Typical
  • 120 MHz Analog Bandwidth
  • On-Chip 2.5 V Reference and Track-and-Hold
  • 1 Vp-p Analog Input Range
  • Single 5 V Supply Operation
  • 5 V or 3 V Logic Interface
  • Power-Down Mode: <10 mW
  • See datasheet for additional features

Part details & applications

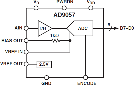
The AD9057 is an 8-bit monolithic analog-to-digital converter optimized for low cost, low power, small size, and ease of use. With a 40 MSPS, 60 MSPS or 80 MSPS encode rates capability and full-power analog bandwidth of 120 MHz, the component is ideal for applications requiring excellent dynamic performance.

To minimize system cost and power dissipation, the AD9057 includes an internal +2.5 V reference and a track-and-hold circuit. The user must provide only a +5 V power supply and an encode clock. No external reference or driver components are required for many applications.

The AD9057's encode input is TTL/CMOS compatible and the 8-bit digital outputs can be operated from +5 V or +3 V supplies. A power-down function may be exercised to bring total consumption to < 10 mW. In power-down mode the digital outputs are driven to a high impedance state.

Fabricated on an advanced BiCMOS process, the AD9057 is available in a space saving 20-lead surface mount plastic package (20 SSOP) and is specified over the industrial (-40°C to +85°C) temperature range.

Customers desiring multichannel digitization may consider the AD9059, a dual 8-bit, 60 MSPS monolithic based on the AD9057 ADC core. The AD9059 is available in a 28-lead surface mount plastic package (28 SSOP) and is specified over the industrial temperature range.

APPLICATIONS

  • Digital Communications (QAM Demodulators)
  • RGB and YC/Composite Video Processing
  • Digital Data Storage Read Channels
  • Medical Imaging
  • Digital Instrumentation

Subscribe to Welllinkchips !
Your Name
* Email
Submit a request