0
LTC2485
  • LTC2485
  • LTC2485
  • LTC2485

LTC2485

PRODUCTION

24-Bit ΔΣ ADC with Easy Drive Input Current Cancellation and I2C Interface

Analog Devices LTC2485 Product Info

10 February 2026 10

Features

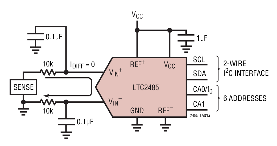
  • Easy Drive Technology Enables Rail-to-Rail Inputs with Zero Differential Input Current
  • Directly Digitizes High Impedance Sensors with Full Accuracy
  • GND to VCC Input/Reference Common Mode Range
  • 2-Wire I2C Interface
  • Programmable 50Hz, 60Hz or Simultaneous 50Hz/60Hz Rejection Mode
  • 2ppm (0.25LSB) INL, No Missing Codes
  • 1ppm Offset and 15ppm Full-Scale Error
  • Selectable 2x Speed Mode
  • No Latency: Digital Filter Settles in a Single Cycle
  • Single Supply 2.7V to 5.5V Operation
  • Internal Oscillator
  • Six Addresses Available and One Global Address for Synchronization
  • Available in a Tiny (3mm × 3mm) 10-Lead DFN Package

Part details & applications

The LTC2485 combines a 24-bit plus sign No Latency ΔΣ analog-to-digital converter with patented Easy Drive technology and I2C digital interface. The patented sampling scheme eliminates dynamic input current errors and the shortcomings of on-chip buffering through automatic cancellation of differential input current. This allows large external source impedances and input signals, with rail-to-rail input range to be directly digitized while maintaining exceptional DC accuracy.

The LTC2485 includes an on-chip oscillator. The LTC2485 can be configured through an I2C interface to reject line frequencies. 50Hz, 60Hz or simultaneous 50Hz/60Hz line frequency rejection can be selected as well as a 2x speed-up mode.

The LTC2485 allows a wide common mode input range (0V to VCC) independent of the reference voltage. The reference can be as low as 100mV or can be tied directly to VCC. The LTC2485 includes an on-chip trimmed oscillator eliminating the need for external crystals or oscillators. Absolute accuracy and low drift are automatically maintained through continuous, transparent, offset and full-scale calibration.

Applications

  • Direct Sensor Digitizer
  • Weight Scales
  • Direct Temperature Measurement
  • Strain Gauge Transducers
  • Instrumentation
  • Industrial Process Control
  • DVMs and Meters

Subscribe to Welllinkchips !
Your Name
* Email
Submit a request