0
UCD74120
  • UCD74120
  • UCD74120

UCD74120

ACTIVE

14 V, 25 A synchronous buck power stage with output current monitoring

Texas Instruments UCD74120 Product Info

1 April 2026 0

Parameters

Rating

Catalog

Operating temperature range (°C)

-40 to 125

Package

LQFN-CLIP (RVF)-40-35 mm² 7 x 5

Features

  • Integrates Synchronous Buck Driver and NexFET™ Power MOSFETS for High Power Density and High Efficiency
  • 25-A Output Current Capability for DSP and ASIC
  • 4.7-V to 14-V Input Voltage Range
  • Operational up to 2 MHz Switching Frequency
  • Built-In High-Side Current Protection
  • DCR Current Sensing for Overcurrent Protection and Output Current Monitoring
  • Voltage Proportional to Load Current Monitor Output
  • Tri-state PWM Input for Power Stage Shutdown
  • UVLO Housekeeping Circuit
  • Integrated Thermal Shutdown
  • 40-Pin, 5 mm x 7 mm, PQFN PowerStack™ Package
  • Integrates Synchronous Buck Driver and NexFET™ Power MOSFETS for High Power Density and High Efficiency
  • 25-A Output Current Capability for DSP and ASIC
  • 4.7-V to 14-V Input Voltage Range
  • Operational up to 2 MHz Switching Frequency
  • Built-In High-Side Current Protection
  • DCR Current Sensing for Overcurrent Protection and Output Current Monitoring
  • Voltage Proportional to Load Current Monitor Output
  • Tri-state PWM Input for Power Stage Shutdown
  • UVLO Housekeeping Circuit
  • Integrated Thermal Shutdown
  • 40-Pin, 5 mm x 7 mm, PQFN PowerStack™ Package

Description

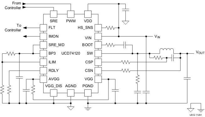
UCD74120 is a multi-chip module integrating a driver device and two NexFET power MOSFETs into a thermally enhanced compact, 5 mm × 7 mm, QFN package. A 25-A output current capability makes the device suitable for powering DSP and ASIC. The device is designed to complement digital or analog PWM controllers. The PWM input of the driver device is 3-state compatible. Two driver circuits provide high charge and discharge current for the high-side N-channel FET switch and the low-side N-channel FET synchronous rectifier in a synchronous buck converter.

Output current is measured and monitored by a precision current sensing amplifier that processes the voltage present across an external current sense element. The amplified signal is available for use by the PWM controller on the IMON pin. On-board comparators monitor the voltage across the high-side switch and the voltage across the external current sense element to safeguard the power stage from sudden high-current loads. Blanking delay is set for the high-side comparator by a single resistor in order to avoid false reports coincident with switching edge noise. In the even of a high-side fault or an overcurrent fault, the high-side FET is turned off and the fault flag (FLT) is asserted to alert the PWM controller.

UCD74120 is a multi-chip module integrating a driver device and two NexFET power MOSFETs into a thermally enhanced compact, 5 mm × 7 mm, QFN package. A 25-A output current capability makes the device suitable for powering DSP and ASIC. The device is designed to complement digital or analog PWM controllers. The PWM input of the driver device is 3-state compatible. Two driver circuits provide high charge and discharge current for the high-side N-channel FET switch and the low-side N-channel FET synchronous rectifier in a synchronous buck converter.

Output current is measured and monitored by a precision current sensing amplifier that processes the voltage present across an external current sense element. The amplified signal is available for use by the PWM controller on the IMON pin. On-board comparators monitor the voltage across the high-side switch and the voltage across the external current sense element to safeguard the power stage from sudden high-current loads. Blanking delay is set for the high-side comparator by a single resistor in order to avoid false reports coincident with switching edge noise. In the even of a high-side fault or an overcurrent fault, the high-side FET is turned off and the fault flag (FLT) is asserted to alert the PWM controller.

Subscribe to Welllinkchips !
Your Name
* Email
Submit a request