0
LF347B
  • LF347B
  • LF347B
  • LF347B

LF347B

ACTIVE

Quad, 36V, 3MHz, high slew rate (13-V/µs), 5-mV offset voltage, In to V+, FET-input op amp

Texas Instruments LF347B Product Info

1 April 2026 0

Parameters

Number of channels

4

Total supply voltage (+5 V = 5, ±5 V = 10) (max) (V)

36

Total supply voltage (+5 V = 5, ±5 V = 10) (min) (V)

7

Rail-to-rail

In to V+

GBW (typ) (MHz)

3

Slew rate (typ) (V/µs)

13

Vos (offset voltage at 25°C) (max) (mV)

5

Iq per channel (typ) (mA)

2

Vn at 1 kHz (typ) (nV√Hz)

18

Rating

Catalog

Operating temperature range (°C)

0 to 70

Offset drift (typ) (µV/°C)

10

Input bias current (max) (pA)

200

CMRR (typ) (dB)

100

Iout (typ) (A)

0.031

Architecture

FET

Input common mode headroom (to negative supply) (typ) (V)

3

Input common mode headroom (to positive supply) (typ) (V)

0

Output swing headroom (to negative supply) (typ) (V)

1.5

Output swing headroom (to positive supply) (typ) (V)

-1.5

Package

PDIP (N)-14-181.42 mm² 19.3 x 9.4

Features

  • Low Input Bias Current: 50 pA Typical
  • Low Input Noise Current: 0.01 pA/√Hz Typical
  • Low Total Harmonic Distortion
  • Low Supply Current: 8 mA Typical
  • Gain Bandwidth: 3 MHz Typical
  • High Slew Rate: 13 V/ms Typical
  • Low Input Bias Current: 50 pA Typical
  • Low Input Noise Current: 0.01 pA/√Hz Typical
  • Low Total Harmonic Distortion
  • Low Supply Current: 8 mA Typical
  • Gain Bandwidth: 3 MHz Typical
  • High Slew Rate: 13 V/ms Typical

Description

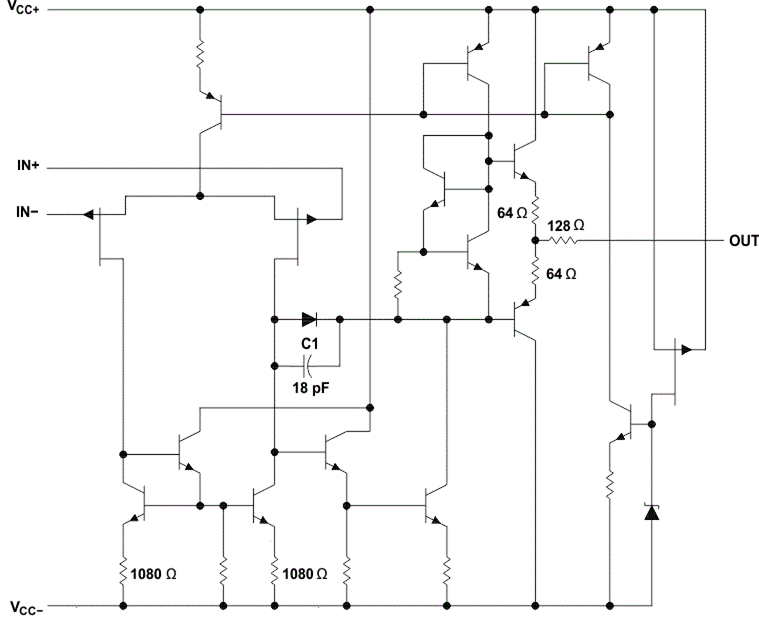
The LF347 and LF347B devices are low-cost, high-speed, JFET-input operational amplifiers. They require low supply current yet maintain a large gain-bandwidth product and a fast slew rate. In addition, their matched high-voltage JFET inputs provide very low input bias and offset current.

The LF347 and LF347B can be used in applications such as high-speed integrators, digital-to-analog converters, sample-and-hold circuits, and many other circuits.

The LF347 and LF347B devices are characterized for operation from 0°C to 70°C.

The LF347 and LF347B devices are low-cost, high-speed, JFET-input operational amplifiers. They require low supply current yet maintain a large gain-bandwidth product and a fast slew rate. In addition, their matched high-voltage JFET inputs provide very low input bias and offset current.

The LF347 and LF347B can be used in applications such as high-speed integrators, digital-to-analog converters, sample-and-hold circuits, and many other circuits.

The LF347 and LF347B devices are characterized for operation from 0°C to 70°C.

Subscribe to Welllinkchips !
Your Name
* Email
Submit a request