0
UCC27282-Q1
  • UCC27282-Q1
  • UCC27282-Q1
  • UCC27282-Q1
  • UCC27282-Q1
  • UCC27282-Q1

UCC27282-Q1

ACTIVE

Automotive 120V 3A half-bridge gate driver with 5V UVLO, interlock, and enable options

Texas Instruments UCC27282-Q1 Product Info

1 April 2026 1

Parameters

Bootstrap supply voltage (max) (V)

120

Power switch

MOSFET

Input supply voltage (min) (V)

5.5

Input supply voltage (max) (V)

16

Peak output current (A)

3

Operating temperature range (°C)

-40 to 125

Undervoltage lockout (typ) (V)

5

Rating

Automotive

Propagation delay time (µs)

0.016

Rise time (ns)

12

Fall time (ns)

10

Iq (mA)

0.002, 2000

Input threshold

TTL

Channel input logic

TTL

Switch node voltage (V)

-14

Features

Enable, Integrated bootstrap diode, Interlock, Negative Voltage Handling on Input

TI functional safety category

Functional Safety-Capable

Driver configuration

Dual inputs

Package

HSOIC (DDA)-8-29.4 mm² 4.9 x 6

Features

  • AEC-Q100 qualified with following results
    • Temperature grade 1 (Tj = –40°C to 150°C)
    • HBM ESD classification level 1B
    • CDM ESD classification level C3
  • Drives two N-channel MOSFETs in high-side low-side configuration
  • 5-V typical under voltage lockout
  • Input interlock
  • Enable/disable functionality in DRC package
  • 16-ns typical propagation delay
  • 12-ns rise, 10-ns fall time with 1.8-nF load
  • 1-ns typical delay matching
  • Absolute Maximum Negative Voltage Handling on Inputs (–5 V)
  • Absolute Maximum Negative Voltage Handling on HS (–14 V)
  • ±3-A peak output current
  • Absolute maximum boot voltage 120 V
  • Low current (7-µA) consumption when disabled
  • Integrated bootstrap diode
  • Functional Safety-Capable
  • AEC-Q100 qualified with following results
    • Temperature grade 1 (Tj = –40°C to 150°C)
    • HBM ESD classification level 1B
    • CDM ESD classification level C3
  • Drives two N-channel MOSFETs in high-side low-side configuration
  • 5-V typical under voltage lockout
  • Input interlock
  • Enable/disable functionality in DRC package
  • 16-ns typical propagation delay
  • 12-ns rise, 10-ns fall time with 1.8-nF load
  • 1-ns typical delay matching
  • Absolute Maximum Negative Voltage Handling on Inputs (–5 V)
  • Absolute Maximum Negative Voltage Handling on HS (–14 V)
  • ±3-A peak output current
  • Absolute maximum boot voltage 120 V
  • Low current (7-µA) consumption when disabled
  • Integrated bootstrap diode
  • Functional Safety-Capable

Description

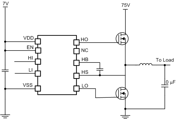
The UCC27282 -Q1 is a robust N-channel MOSFET driver with a maximum switch node (HS) voltage rating of 100 V. It allows for two N-channel MOSFETs to be controlled in half-bridge or synchronous buck configuration based topologies. Its 3-A peak source and sink current along with low pull-up and pull-down resistance allows the UCC27282 -Q1 to drive large power MOSFETs with minimum switching losses during the transition of the MOSFET Miller plateau. Since the inputs are independent of the supply voltage, UCC27282 -Q1 can be used in conjunction with both analog and digital controllers.

The input pins as well as the HS pin are able to tolerate significant negative voltage, which improves system robustness. Input interlock further improves robustness and system reliability in high noise applications. The enable and disable functionality provides additional system flexibility by reducing power consumption by the driver and responds to fault events within the system. 5-V UVLO allows systems to operate at lower bias voltages, which is necessary in many high frequency applications and improves system efficiency in certain operating modes. Small propagation delay and delay matching specifications minimize the dead-time requirement which further improves efficiency.

Under voltage lockout (UVLO) is provided for both the high-side and low-side driver stages forcing the outputs low if the VDD voltage is below the specified threshold. An integrated bootstrap diode eliminates the need for an external discrete diode in many applications, which saves board space and reduces system cost. UCC27282 -Q1 is offered in a small package enabling high density designs.

The UCC27282 -Q1 is a robust N-channel MOSFET driver with a maximum switch node (HS) voltage rating of 100 V. It allows for two N-channel MOSFETs to be controlled in half-bridge or synchronous buck configuration based topologies. Its 3-A peak source and sink current along with low pull-up and pull-down resistance allows the UCC27282 -Q1 to drive large power MOSFETs with minimum switching losses during the transition of the MOSFET Miller plateau. Since the inputs are independent of the supply voltage, UCC27282 -Q1 can be used in conjunction with both analog and digital controllers.

The input pins as well as the HS pin are able to tolerate significant negative voltage, which improves system robustness. Input interlock further improves robustness and system reliability in high noise applications. The enable and disable functionality provides additional system flexibility by reducing power consumption by the driver and responds to fault events within the system. 5-V UVLO allows systems to operate at lower bias voltages, which is necessary in many high frequency applications and improves system efficiency in certain operating modes. Small propagation delay and delay matching specifications minimize the dead-time requirement which further improves efficiency.

Under voltage lockout (UVLO) is provided for both the high-side and low-side driver stages forcing the outputs low if the VDD voltage is below the specified threshold. An integrated bootstrap diode eliminates the need for an external discrete diode in many applications, which saves board space and reduces system cost. UCC27282 -Q1 is offered in a small package enabling high density designs.

Subscribe to Welllinkchips !
Your Name
* Email
Submit a request