0
UCC14240-Q1
  • UCC14240-Q1
  • UCC14240-Q1
  • UCC14240-Q1
  • UCC14240-Q1

UCC14240-Q1

ACTIVE

Automotive, 2.0-W, 24-Vin, 25-Vout high-density > 3-kVRMS isolated DC/DC module

Texas Instruments UCC14240-Q1 Product Info

1 April 2026 1

Parameters

Rating

Automotive

Topology

Full-bridge

Vin (max) (V)

27

Vin (min) (V)

21

Vout (max) (V)

25

Vout (min) (V)

15

Features

2W, Basic isolation, Dual output, Enable, Power good, Regulated, Soft start, UVLO adjustable

Device type

Isolated modules

Regulated outputs (#)

2

TI functional safety category

Functional Safety-Capable

Isolation rating

Basic

Output power (W)

2

Operating temperature range (°C)

-40 to 125

Control mode

Internally Regulated with Dual Adjustable Outputs

Package

SO-MOD (DWN)-36-131.84 mm² 12.8 x 10.3

Features

  • Fully integrated high-density isolated DC/DC module with isolation transformer
  • Isolated DC/DC for driving: IGBTs, SiC FETs
  • Input voltage range: 21 V to 27 V with 32-V absolute maximum
  • 2.0-W output power at TA ≤ 85°C and > 1.5 W at TA = 105 °C
  • Adjustable (VDD – VEE) output voltage (with external resistors): 18 V to 25 V, ±1.3 % regulation accuracy over full temperature range
  • Adjustable (COM – VEE) output voltage (with external resistors): from 2.5 V to (VDD – VEE), ±1.3 % regulation accuracy over full temperature range
  • Low electromagnetic emission with spread spectrum modulation and integrated transformer design
  • Enable, Power Good, UVLO, OVLO, soft-start, short-circuit, power-limit, under-voltage, over-voltage, and over-temperature protection
  • CMTI > 150 kV/µs
  • AEC-Q100 qualified for automotive applications
    • Temperature grade 1: –40°C ≤ TJ ≤ 150°C
    • Temperature grade 1: –40 °C ≤ TA ≤ 125°C
  • Functional Safety-Capable
  • Planned safety-related certifications:
    • 4243-VPK basic isolation per DIN EN IEC 60747-17 (VDE 0884-17)
    • 3000-VRMS isolation for 1 minute per UL1577
    • Basic insulation per CQC GB4943.1

  • 36-pin, wide SSOP package
  • Fully integrated high-density isolated DC/DC module with isolation transformer
  • Isolated DC/DC for driving: IGBTs, SiC FETs
  • Input voltage range: 21 V to 27 V with 32-V absolute maximum
  • 2.0-W output power at TA ≤ 85°C and > 1.5 W at TA = 105 °C
  • Adjustable (VDD – VEE) output voltage (with external resistors): 18 V to 25 V, ±1.3 % regulation accuracy over full temperature range
  • Adjustable (COM – VEE) output voltage (with external resistors): from 2.5 V to (VDD – VEE), ±1.3 % regulation accuracy over full temperature range
  • Low electromagnetic emission with spread spectrum modulation and integrated transformer design
  • Enable, Power Good, UVLO, OVLO, soft-start, short-circuit, power-limit, under-voltage, over-voltage, and over-temperature protection
  • CMTI > 150 kV/µs
  • AEC-Q100 qualified for automotive applications
    • Temperature grade 1: –40°C ≤ TJ ≤ 150°C
    • Temperature grade 1: –40 °C ≤ TA ≤ 125°C
  • Functional Safety-Capable
  • Planned safety-related certifications:
    • 4243-VPK basic isolation per DIN EN IEC 60747-17 (VDE 0884-17)
    • 3000-VRMS isolation for 1 minute per UL1577
    • Basic insulation per CQC GB4943.1

  • 36-pin, wide SSOP package

Description

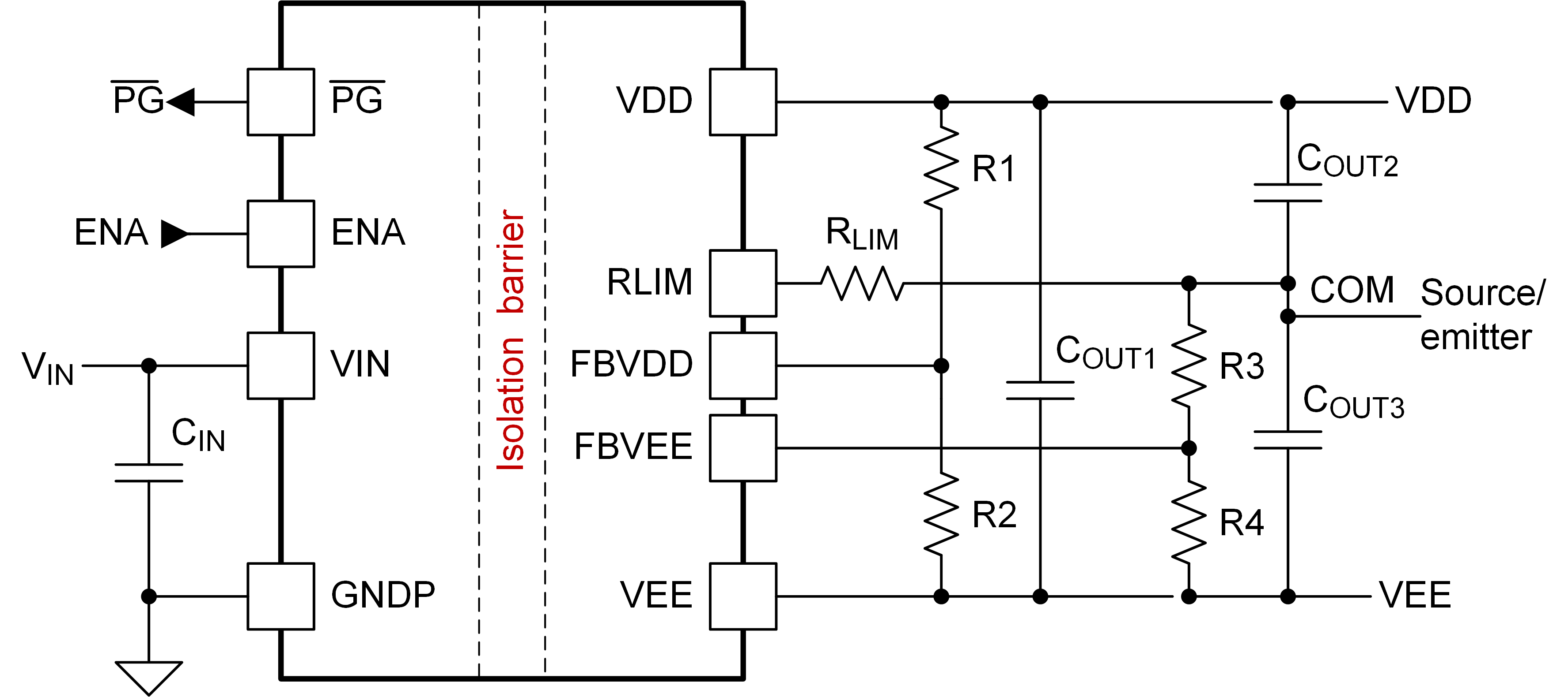
UCC14240-Q1 is an automotive qualified high isolation voltage DC/DC power module designed to provide power to IGBT or SiC gate drivers. The UCC14240-Q1 integrates a transformer and DC/DC controller with a proprietary architecture to achieve high efficiency with very low emissions. The high-accuracy output voltages provide better channel enhancement for higher system efficiency without over-stressing the power device gate.

The UCC14240-Q1 provides up to 2.0 W (typical) of isolated output power at high efficiency. Requiring a minimum of external components and including on-chip device protection, the module provides extra features such as input undervoltage lockout, overvoltage lockout, output voltage power-good comparators, overtemperature shutdown, soft-start time-out, adjustable isolated positive and negative output voltage, an enable pin, and an open-drain output power-good pin.

UCC14240-Q1 is an automotive qualified high isolation voltage DC/DC power module designed to provide power to IGBT or SiC gate drivers. The UCC14240-Q1 integrates a transformer and DC/DC controller with a proprietary architecture to achieve high efficiency with very low emissions. The high-accuracy output voltages provide better channel enhancement for higher system efficiency without over-stressing the power device gate.

The UCC14240-Q1 provides up to 2.0 W (typical) of isolated output power at high efficiency. Requiring a minimum of external components and including on-chip device protection, the module provides extra features such as input undervoltage lockout, overvoltage lockout, output voltage power-good comparators, overtemperature shutdown, soft-start time-out, adjustable isolated positive and negative output voltage, an enable pin, and an open-drain output power-good pin.

Subscribe to Welllinkchips !
Your Name
* Email
Submit a request