0
TPS73801
  • TPS73801
  • TPS73801

TPS73801

ACTIVE

1-A, 20-V, adjustable low-dropout voltage regulator with reverse current and voltage protection

Texas Instruments TPS73801 Product Info

1 April 2026 0

Parameters

Rating

Catalog

Vin (max) (V)

20

Vin (min) (V)

2.2

Iout (max) (A)

1

Output options

Adjustable Output

Vout (max) (V)

20

Vout (min) (V)

1.2

Noise (µVrms)

45

PSRR at 100 KHz (dB)

45

Iq (typ) (mA)

1

Features

Enable, Reverse Current Protection, Reverse voltage protection

Thermal resistance θJA (°C/W)

51

Load capacitance (min) (µF)

10

Regulated outputs (#)

1

Accuracy (%)

3

Dropout voltage (Vdo) (typ) (mV)

300

Operating temperature range (°C)

-40 to 125

Package

SOT-223 (DCQ)-6-45.89 mm² 6.5 x 7.06

Features

  • Optimized for fast transient response
  • Output current: 1.0A
  • Dropout voltage: 300mV
  • Low noise: 45µVRMS (10Hz to 100kHz)
  • Quiescent current: 1mA
  • No protection diodes needed
  • Controlled quiescent current in dropout
  • Adjustable output voltage: 1.21V to 20V
  • Less than 1µA quiescent current in shutdown
  • Stable with 10µF output capacitor
  • Stable with ceramic capacitors
  • Reverse-battery protection
  • No reverse current
  • Thermal limiting
  • Optimized for fast transient response
  • Output current: 1.0A
  • Dropout voltage: 300mV
  • Low noise: 45µVRMS (10Hz to 100kHz)
  • Quiescent current: 1mA
  • No protection diodes needed
  • Controlled quiescent current in dropout
  • Adjustable output voltage: 1.21V to 20V
  • Less than 1µA quiescent current in shutdown
  • Stable with 10µF output capacitor
  • Stable with ceramic capacitors
  • Reverse-battery protection
  • No reverse current
  • Thermal limiting

Description

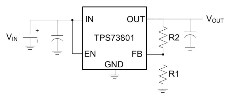
The TPS73801 is a low-dropout (LDO) regulator optimized for fast transient response. The device can supply 1.0A of output current with a dropout voltage of 300mV. Operating quiescent current is 1mA, dropping to less than 1µA in shutdown. Quiescent current is well controlled and does not rise in dropout, which occurs with many other regulators. In addition to fast transient response, the TPS73801 regulators have very low output noise, which makes them designed for sensitive RF supply applications.

Output voltage range is from 1.21V to 20V. The TPS73801 regulators are stable with output capacitors as low as 10µF. Small ceramic capacitors can be used without the necessary addition of ESR, as is common with other regulators. Internal protection circuitry includes reverse-battery protection, current limiting, thermal limiting, and reverse-current protection. The devices are available as an adjustable device with a 1.21V reference voltage. The TPS73801 regulators are available in the 6-pin TO-223 (DCQ) packages.

The TPS73801 is a low-dropout (LDO) regulator optimized for fast transient response. The device can supply 1.0A of output current with a dropout voltage of 300mV. Operating quiescent current is 1mA, dropping to less than 1µA in shutdown. Quiescent current is well controlled and does not rise in dropout, which occurs with many other regulators. In addition to fast transient response, the TPS73801 regulators have very low output noise, which makes them designed for sensitive RF supply applications.

Output voltage range is from 1.21V to 20V. The TPS73801 regulators are stable with output capacitors as low as 10µF. Small ceramic capacitors can be used without the necessary addition of ESR, as is common with other regulators. Internal protection circuitry includes reverse-battery protection, current limiting, thermal limiting, and reverse-current protection. The devices are available as an adjustable device with a 1.21V reference voltage. The TPS73801 regulators are available in the 6-pin TO-223 (DCQ) packages.

Subscribe to Welllinkchips !
Your Name
* Email
Submit a request