0
TXB0104
  • TXB0104
  • TXB0104
  • TXB0104
  • TXB0104
  • TXB0104
  • TXB0104
  • TXB0104
  • TXB0104
  • TXB0104

TXB0104

ACTIVE

4-Bit Bidirectional Voltage-Level Shifter with Auto Direction Sensing and +/-15 kV ESD Protect

Texas Instruments TXB0104 Product Info

1 April 2026 1

Parameters

Bits (#)

4

Data rate (max) (Mbps)

100

Topology

Push-Pull

Direction control (typ)

Auto-direction

Vin (min) (V)

1.2

Vin (max) (V)

3.6

Vout (min) (V)

1.65

Vout (max) (V)

5.5

Applications

GPIO, I2S, JTAG, PCM, SPI, UART

Features

Edge rate accelerator, Output enable, Partial power down (Ioff), Vcc isolation

Prop delay (ns)

7

Technology family

TXB

Supply current (max) (mA)

0.04

Rating

Catalog

Operating temperature range (°C)

-40 to 85

Package

DSBGA (YZT)-12-3.9375 mm² 2.25 x 1.75

Features

  • 1.2V to 3.6V on A port and 1.65V to 5.5V on B port (VCCA ≤ VCCB)
  • VCC isolation feature: if either VCC input ss at GND, all outputs are in the high-impedance state
  • Output enable (OE) input circuit referenced to VCCA
  • Low power consumption, 5µA maximum ICC
  • I OFF supports partial power-down mode operation
  • Latch-up Performance Exceeds 100mA Per JESD 78, Class II
  • ESD Protection Exceeds JESD 22
    • A Port:
      • 2500V Human-Body Model (A114-B)
      • 1500V Charged-Device Model (C101)
    • B Port:
      • ±15kV Human-Body Model (A114-B)
      • 1500V Charged-Device Model (C101)
  • 1.2V to 3.6V on A port and 1.65V to 5.5V on B port (VCCA ≤ VCCB)
  • VCC isolation feature: if either VCC input ss at GND, all outputs are in the high-impedance state
  • Output enable (OE) input circuit referenced to VCCA
  • Low power consumption, 5µA maximum ICC
  • I OFF supports partial power-down mode operation
  • Latch-up Performance Exceeds 100mA Per JESD 78, Class II
  • ESD Protection Exceeds JESD 22
    • A Port:
      • 2500V Human-Body Model (A114-B)
      • 1500V Charged-Device Model (C101)
    • B Port:
      • ±15kV Human-Body Model (A114-B)
      • 1500V Charged-Device Model (C101)

Description

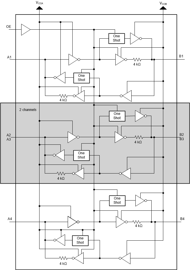
This TXB0104 4-bit noninverting translator uses two separate configurable power-supply rails. The A port is designed to track VCCA. VCCA accepts any supply voltage from 1.2V to 3.6V. The B port is designed to track VCCB. VCCB accepts any supply voltage from 1.65V to 5.5V. This allows for universal low-voltage bidirectional translation between any of the 1.2V, 1.5V, 1.8V, 2.5V, 3.3V, and 5V voltage nodes. VCCA must not exceed VCCB.

When the OE input is low, all outputs are placed in the high-impedance state. To ensure the high-impedance state during power up or power down, OE must be tied to GND through a pulldown resistor The current sourcing capability of the driver determines the minimum value of the resistor.

The TXB0104 device is designed so the OE input circuit is supplied by VCCA.

This device is fully specified for partial power-down applications using I OFF. The I OFF circuitry disables the outputs, which prevents damaging current backflow through the device when the device is powered down.

This TXB0104 4-bit noninverting translator uses two separate configurable power-supply rails. The A port is designed to track VCCA. VCCA accepts any supply voltage from 1.2V to 3.6V. The B port is designed to track VCCB. VCCB accepts any supply voltage from 1.65V to 5.5V. This allows for universal low-voltage bidirectional translation between any of the 1.2V, 1.5V, 1.8V, 2.5V, 3.3V, and 5V voltage nodes. VCCA must not exceed VCCB.

When the OE input is low, all outputs are placed in the high-impedance state. To ensure the high-impedance state during power up or power down, OE must be tied to GND through a pulldown resistor The current sourcing capability of the driver determines the minimum value of the resistor.

The TXB0104 device is designed so the OE input circuit is supplied by VCCA.

This device is fully specified for partial power-down applications using I OFF. The I OFF circuitry disables the outputs, which prevents damaging current backflow through the device when the device is powered down.

Subscribe to Welllinkchips !
Your Name
* Email
Submit a request