0
AFE4490
  • AFE4490
  • AFE4490

AFE4490

ACTIVE

Integrated Analog Front End (AFE) for Pulse Oximeters

Texas Instruments AFE4490 Product Info

1 April 2026 0

Parameters

Applications

Clinical fingertip pulse oximetry, SpO2

Number of input channels

1

Resolution (Bits)

22

Number of LEDs

2

Interface type

SPI

Operating temperature range (°C)

-40 to 85

Rating

Catalog

Package

VQFN (RHA)-40-36 mm² 6 x 6

Features

  • Fully-Integrated Analog Front-End for
    Pulse Oximeter Applications:
    • Flexible Pulse Sequencing and
      Timing Control
  • Transmit:
    • Integrated LED Driver (H-Bridge, Push, or Pull)
    • 110-dB Dynamic Range Across Full Range (Enables Low Noise at Low LED Current)
    • LED Current:
      • Programmable Ranges of 50 mA, 75 mA, 100 mA, 150 mA, and 200 mA,
        Each with 8-Bit Current Resolution
    • Low Power:
      • 100 µA + Average LED Current
    • LED On-Time Programmability from
      (50 µs + Settle Time) to 4 ms
    • Independent LED2, LED1 Current Reference
  • Receive Channel with High Dynamic Range:
    • Input-Referred Noise:
      50 pARMS (at 5-µA PD Current)
    • 13.5 Noise-Free Bits (at 5-µA PD Current)
    • Analog Ambient Cancellation Scheme with Selectable 1-µA to 10-µA Ambient Current
    • Low Power: < 2.3 mW at 3.0-V Supply
    • Rx Sample Time: 50 µs to 4 ms
    • I-V Amplifier with Seven Separate LED2 and LED1 Programmable Feedback R and C Settings
    • Integrated Digital Ambient Estimation and Subtraction
  • Integrated Fault Diagnostics:
    • Photodiode and LED Open and
      Short Detection
    • Cable On or Off Detection
  • Supplies:
    • Rx = 2.0 V to 3.6 V
    • Tx = 3.0 V or 5.25 V
  • Package: Compact VQFN-40 (6 mm × 6 mm)
  • Specified Temperature Range: –40°C to 85°C
  • Fully-Integrated Analog Front-End for
    Pulse Oximeter Applications:
    • Flexible Pulse Sequencing and
      Timing Control
  • Transmit:
    • Integrated LED Driver (H-Bridge, Push, or Pull)
    • 110-dB Dynamic Range Across Full Range (Enables Low Noise at Low LED Current)
    • LED Current:
      • Programmable Ranges of 50 mA, 75 mA, 100 mA, 150 mA, and 200 mA,
        Each with 8-Bit Current Resolution
    • Low Power:
      • 100 µA + Average LED Current
    • LED On-Time Programmability from
      (50 µs + Settle Time) to 4 ms
    • Independent LED2, LED1 Current Reference
  • Receive Channel with High Dynamic Range:
    • Input-Referred Noise:
      50 pARMS (at 5-µA PD Current)
    • 13.5 Noise-Free Bits (at 5-µA PD Current)
    • Analog Ambient Cancellation Scheme with Selectable 1-µA to 10-µA Ambient Current
    • Low Power: < 2.3 mW at 3.0-V Supply
    • Rx Sample Time: 50 µs to 4 ms
    • I-V Amplifier with Seven Separate LED2 and LED1 Programmable Feedback R and C Settings
    • Integrated Digital Ambient Estimation and Subtraction
  • Integrated Fault Diagnostics:
    • Photodiode and LED Open and
      Short Detection
    • Cable On or Off Detection
  • Supplies:
    • Rx = 2.0 V to 3.6 V
    • Tx = 3.0 V or 5.25 V
  • Package: Compact VQFN-40 (6 mm × 6 mm)
  • Specified Temperature Range: –40°C to 85°C

Description

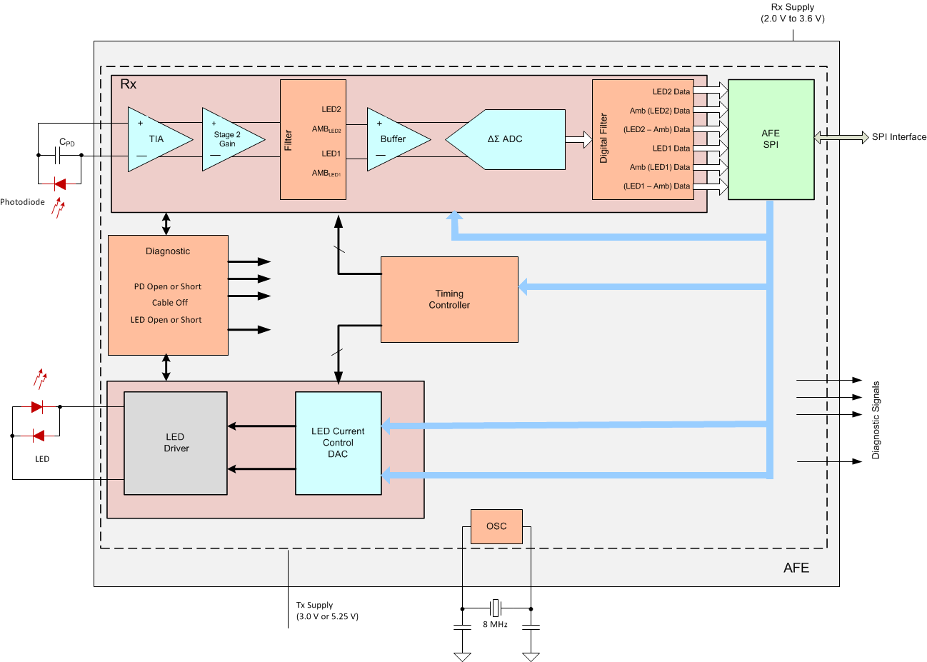
The AFE4490 is a fully-integrated analog front-end (AFE) that is ideally suited for pulse-oximeter applications. The device consists of a low-noise receiver channel with a 22-bit analog-to-digital converter (ADC), an LED transmit section, and diagnostics for sensor and LED fault detection. The device is a very configurable timing controller. This flexibility enables the user to have complete control of the device timing characteristics. To ease clocking requirements and provide a low-jitter clock to the device, an oscillator is also integrated that functions from an external crystal. The device communicates to an external microcontroller or host processor using an SPI™ interface.

The device is a complete AFE solution packaged in a single, compact VQFN-40 package (6 mm × 6 mm) and is specified over the operating temperature range of –40°C to 85°C.

The AFE4490 is a fully-integrated analog front-end (AFE) that is ideally suited for pulse-oximeter applications. The device consists of a low-noise receiver channel with a 22-bit analog-to-digital converter (ADC), an LED transmit section, and diagnostics for sensor and LED fault detection. The device is a very configurable timing controller. This flexibility enables the user to have complete control of the device timing characteristics. To ease clocking requirements and provide a low-jitter clock to the device, an oscillator is also integrated that functions from an external crystal. The device communicates to an external microcontroller or host processor using an SPI™ interface.

The device is a complete AFE solution packaged in a single, compact VQFN-40 package (6 mm × 6 mm) and is specified over the operating temperature range of –40°C to 85°C.

Subscribe to Welllinkchips !
Your Name
* Email
Submit a request