0
DRV8880
  • DRV8880
  • DRV8880
  • DRV8880
  • DRV8880
  • DRV8880

DRV8880

ACTIVE

45-V, 2-A bipolar stepper motor driver with current regulation, 1/16 microstepping & smart tune

Texas Instruments DRV8880 Product Info

1 April 2026 0

Parameters

Vs ABS (max) (V)

50

Vs (min) (V)

6.5

Peak output current (A)

2.5

Control mode

STEP/DIR

Control interface

Hardware (GPIO)

Number of full bridges

2

Full-scale current (A)

2

RDS(ON) (HS + LS) (mΩ)

630

Sleep current (µA)

28

Microstepping levels

16

Decay mode

Fast, Mixed, Slow, Smart Tune

Features

Current Regulation, Smart Tune

Rating

Catalog

Operating temperature range (°C)

-40 to 125

Package

HTSSOP (PWP)-28-62.08 mm² 9.7 x 6.4

Features

  • Microstepping Stepper Motor Driver
    • STEP/DIR Interface
    • Up to 1/16 Microstepping Indexer
    • Non-Circular and Standard ½ Step Modes
  • 6.5- to 45-V Operating Supply Voltage Range
  • Multiple Decay Modes to Support Any Motor
    • Smart tune
    • Mixed Decay
    • Slow Decay
    • Fast Decay
  • Adaptive Blanking Time for Smooth Stepping
  • Configurable Off-Time PWM Chopping
    • 10-, 20-, or 30-µs Off-Time
  • 3.3-V, 10-mA LDO Regulator
  • Low-Current Sleep Mode (28 µA)
  • Small Package and Footprint
    • 28 HTSSOP (PowerPAD™)
    • 28 WQFN

  • Protection Features
    • VM Undervoltage Lockout (UVLO2)
    • Logic Undervoltage (UVLO1)
    • Charge Pump Undervoltage (CPUV)
    • Overcurrent Protection (OCP)
      • Latched OCP Mode
      • Retry OCP Mode
    • Thermal Shutdown (TSD)
    • Fault Condition Indication Pin (nFAULT)
  • Microstepping Stepper Motor Driver
    • STEP/DIR Interface
    • Up to 1/16 Microstepping Indexer
    • Non-Circular and Standard ½ Step Modes
  • 6.5- to 45-V Operating Supply Voltage Range
  • Multiple Decay Modes to Support Any Motor
    • Smart tune
    • Mixed Decay
    • Slow Decay
    • Fast Decay
  • Adaptive Blanking Time for Smooth Stepping
  • Configurable Off-Time PWM Chopping
    • 10-, 20-, or 30-µs Off-Time
  • 3.3-V, 10-mA LDO Regulator
  • Low-Current Sleep Mode (28 µA)
  • Small Package and Footprint
    • 28 HTSSOP (PowerPAD™)
    • 28 WQFN

  • Protection Features
    • VM Undervoltage Lockout (UVLO2)
    • Logic Undervoltage (UVLO1)
    • Charge Pump Undervoltage (CPUV)
    • Overcurrent Protection (OCP)
      • Latched OCP Mode
      • Retry OCP Mode
    • Thermal Shutdown (TSD)
    • Fault Condition Indication Pin (nFAULT)

Description

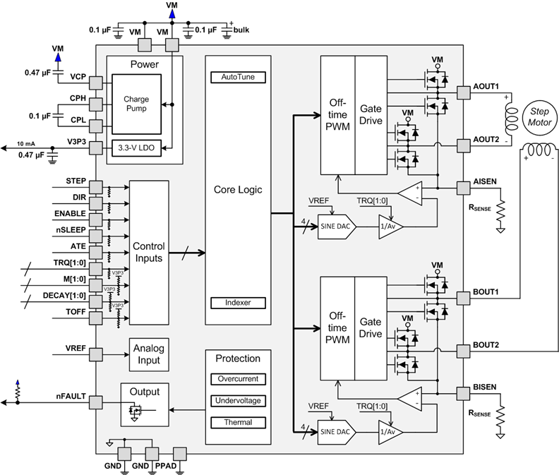
The DRV8880 is a bipolar stepper motor driver for industrial applications. The device has two N-channel power MOSFET H-bridge drivers and a microstepping indexer. The DRV8880 is capable of driving 2.0 A full-scale current or 1.4-A rms current (with proper PCB ground plane for thermal dissipation and at 24 V and TA = 25°C).

Smart tune automatically tunes stepper motors for optimal current regulation performance and compensates for motor variation and aging effects. Additionally slow, fast, and mixed decay modes are available.

The STEP/DIR pins provide a simple control interface. The device can be configured in full-step up to 1/16- step modes. A low-power sleep mode is provided for very low quiescent current standby using a dedicated nSLEEP pin.

Internal protection functions are provided for undervoltage, charge pump faults, overcurrent, short-circuits, and overtemperature. Fault conditions are indicated by a nFAULT pin.

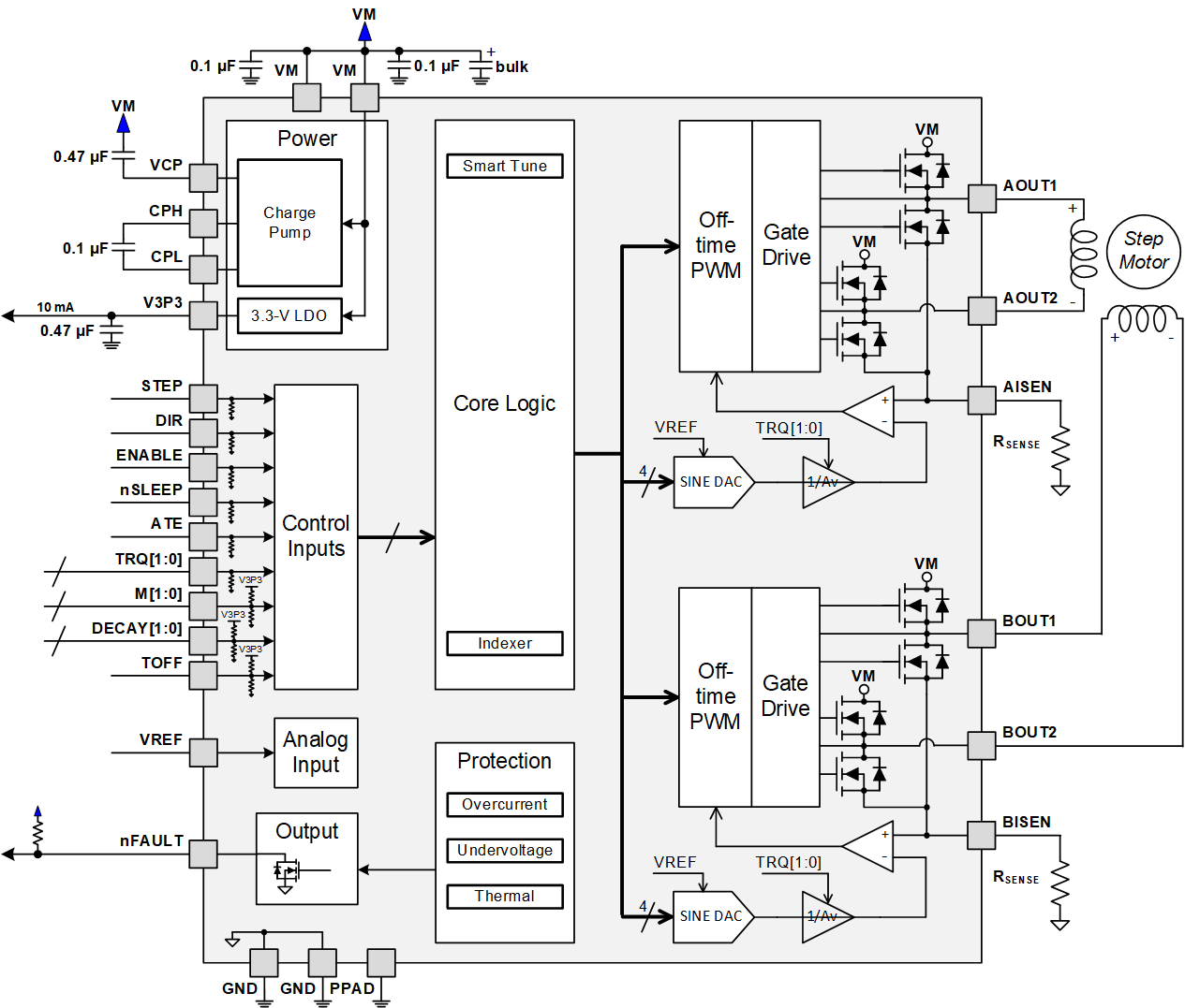
The DRV8880 is a bipolar stepper motor driver for industrial applications. The device has two N-channel power MOSFET H-bridge drivers and a microstepping indexer. The DRV8880 is capable of driving 2.0 A full-scale current or 1.4-A rms current (with proper PCB ground plane for thermal dissipation and at 24 V and TA = 25°C).

Smart tune automatically tunes stepper motors for optimal current regulation performance and compensates for motor variation and aging effects. Additionally slow, fast, and mixed decay modes are available.

The STEP/DIR pins provide a simple control interface. The device can be configured in full-step up to 1/16- step modes. A low-power sleep mode is provided for very low quiescent current standby using a dedicated nSLEEP pin.

Internal protection functions are provided for undervoltage, charge pump faults, overcurrent, short-circuits, and overtemperature. Fault conditions are indicated by a nFAULT pin.

Subscribe to Welllinkchips !
Your Name
* Email
Submit a request