0
TPD13S523
  • TPD13S523
  • TPD13S523
  • TPD13S523

TPD13S523

ACTIVE

13-channel HDMI Port solution with ESD protection and current-limit load switch

Texas Instruments TPD13S523 Product Info

1 April 2026 0

Parameters

Type

HDMI Companion

Protocols

HDMI

Rating

Catalog

Number of channels

13

Supply voltage (V)

4.5, 5.5

Operating temperature range (°C)

-40 to 85

Package

TSSOP (PW)-16-32 mm² 5 x 6.4

Features

  • IEC 61000-4-2 Level 4 Contact ESD Protection
    • ±12-kV Contact Discharge on External Lines
  • Single-Chip ESD Solution for HDMI 1.4 and HDMI 1.3 Interface
  • On-Chip 5-V Load Switch With Current Limit and Reverse Current Protection
  • Supports UTILITY Line Protection for HDMI 1.4 Audio Return Line
  • <0.05-pF Differential Capacitance Between the TMDS Signal Pair
  • Industry Standard 16-TSSOP and Space-Saving 16-RSV Package
  • Supports Data Rates in Excess of 3.4 Gbps
  • RDYN = 0.5 Ω (Typical)
  • Commercial Temperature Range: -40°C to 85°C
  • IEC 61000-4-2 Level 4 Contact ESD Protection
    • ±12-kV Contact Discharge on External Lines
  • Single-Chip ESD Solution for HDMI 1.4 and HDMI 1.3 Interface
  • On-Chip 5-V Load Switch With Current Limit and Reverse Current Protection
  • Supports UTILITY Line Protection for HDMI 1.4 Audio Return Line
  • <0.05-pF Differential Capacitance Between the TMDS Signal Pair
  • Industry Standard 16-TSSOP and Space-Saving 16-RSV Package
  • Supports Data Rates in Excess of 3.4 Gbps
  • RDYN = 0.5 Ω (Typical)
  • Commercial Temperature Range: -40°C to 85°C

Description

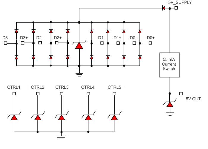
The TPD13S523 device is a single-chip integrated IEC 61000-4-2 ESD protection solution for HDMI 1.4 or HDMI 1.3 interfaces. This device offers 13 channels of TVS diodes with flow-through pin mapping that matches HDMI connector high-speed lines. While providing ESD protection, the TPD13S523 adds little to no additional distortion to the high-speed differential signals. The monolithic integrated circuit technology ensures that there is excellent matching between the two-signal pair of the differential line (< 0.05-pF differential matching between TMDS lines). This offers an advantage over discrete ESD solutions where variations between two different ESD protection circuits may significantly degrade the differential signal quality.

The TPD13S523 incorporates an on-chip current limited load switch that is compliant with HDMI 5-V out electrical specifications. The short-circuit protection at 5V_OUT ensures that the device is not damaged in case there is an accidental short to GND. The load switch also incorporates a reverse-current blocking feature which ensures that the HDMI driver side is not erroneously turned on when two HDMI drivers are connected together.

Typical applications for the TPD13S523 include set top boxes (STB), e-books, tablets, smart phones, and camcorders.

The TPD13S523 device is a single-chip integrated IEC 61000-4-2 ESD protection solution for HDMI 1.4 or HDMI 1.3 interfaces. This device offers 13 channels of TVS diodes with flow-through pin mapping that matches HDMI connector high-speed lines. While providing ESD protection, the TPD13S523 adds little to no additional distortion to the high-speed differential signals. The monolithic integrated circuit technology ensures that there is excellent matching between the two-signal pair of the differential line (< 0.05-pF differential matching between TMDS lines). This offers an advantage over discrete ESD solutions where variations between two different ESD protection circuits may significantly degrade the differential signal quality.

The TPD13S523 incorporates an on-chip current limited load switch that is compliant with HDMI 5-V out electrical specifications. The short-circuit protection at 5V_OUT ensures that the device is not damaged in case there is an accidental short to GND. The load switch also incorporates a reverse-current blocking feature which ensures that the HDMI driver side is not erroneously turned on when two HDMI drivers are connected together.

Typical applications for the TPD13S523 include set top boxes (STB), e-books, tablets, smart phones, and camcorders.

Subscribe to Welllinkchips !
Your Name
* Email
Submit a request