0
TPS65296
  • TPS65296
  • TPS65296
  • TPS65296

TPS65296

ACTIVE

4.5-V to 18-V VIN complete LPDDR4 and LPDDR4X memory power solution

Texas Instruments TPS65296 Product Info

1 April 2026 0

Parameters

DDR memory type

LPDDR4, LPDDR4X

Control mode

D-CAP3

Iout VDDQ (max) (A)

8

Iout VTT (max) (A)

1.5

Iq (typ) (mA)

0.15

Output

VDDQ, VREF, VTT

Vin (min) (V)

4.5

Vin (max) (V)

18

Features

Complete Solution, Eco Mode, S3/S5 Support

Rating

Catalog

Operating temperature range (°C)

-40 to 125

Regulator type

Step-Down Module

Vin bias (max) (V)

16

Vin bias (min) (V)

4.5

Vout VTT (min) (V)

0.6

Package

VQFN-HR (RJE)-18-9 mm² 3 x 3

Features

  • Synchronous buck converter (VDD2)
    • Input voltage range: 4.5 V to 18 V
    • Output voltage fixed at 1.1 V
    • D-CAP3™ mode control for fast transient response
    • Continual output current: 8 A
    • Advanced Eco-mode™ pulse skip
    • Integrated 22-mΩ / 8.6-mΩ RDS(on) internal power switch
    • 600-kHz switching frequency
    • Internal soft start: 1.6 ms
    • Cycle-by-cycle overcurrent protection
    • Latched output OV/UV protections
  • Synchronous buck converter (VDD1)
    • Input voltage range: 3 V to 5.5 V
    • Output voltage fixed at 1.8 V
    • D-CAP3™ mode control for fast transient response
    • Continual output current: 1 A
    • Advanced Eco-mode™ pulse skip
    • Integrated 150-mΩ /120-mΩ RDS(on) internal power switch
    • 580-kHz switching frequency
    • Internal soft start: 1 ms
    • Cycle-by-cycle overcurrent protection
    • Latched output OV/UV protections
  • 1.5-A LDO (VDDQ)
    • 1.5-A continual output current
    • Requires only 10 µF of ceramic output capacitor
    • Support high-Z in S3
    • ±30-mV VDDQ output accuracy (DC+AC)
  • Low quiescent current: 150 µA
  • Power good indicator
  • Output discharge function
  • Power up and power down sequencing control
  • Non-latch for OT and UVLO protections
  • 18-pin 3.0-mm × 3.0-mm HotRod™ VQFN package
  • Synchronous buck converter (VDD2)
    • Input voltage range: 4.5 V to 18 V
    • Output voltage fixed at 1.1 V
    • D-CAP3™ mode control for fast transient response
    • Continual output current: 8 A
    • Advanced Eco-mode™ pulse skip
    • Integrated 22-mΩ / 8.6-mΩ RDS(on) internal power switch
    • 600-kHz switching frequency
    • Internal soft start: 1.6 ms
    • Cycle-by-cycle overcurrent protection
    • Latched output OV/UV protections
  • Synchronous buck converter (VDD1)
    • Input voltage range: 3 V to 5.5 V
    • Output voltage fixed at 1.8 V
    • D-CAP3™ mode control for fast transient response
    • Continual output current: 1 A
    • Advanced Eco-mode™ pulse skip
    • Integrated 150-mΩ /120-mΩ RDS(on) internal power switch
    • 580-kHz switching frequency
    • Internal soft start: 1 ms
    • Cycle-by-cycle overcurrent protection
    • Latched output OV/UV protections
  • 1.5-A LDO (VDDQ)
    • 1.5-A continual output current
    • Requires only 10 µF of ceramic output capacitor
    • Support high-Z in S3
    • ±30-mV VDDQ output accuracy (DC+AC)
  • Low quiescent current: 150 µA
  • Power good indicator
  • Output discharge function
  • Power up and power down sequencing control
  • Non-latch for OT and UVLO protections
  • 18-pin 3.0-mm × 3.0-mm HotRod™ VQFN package

Description

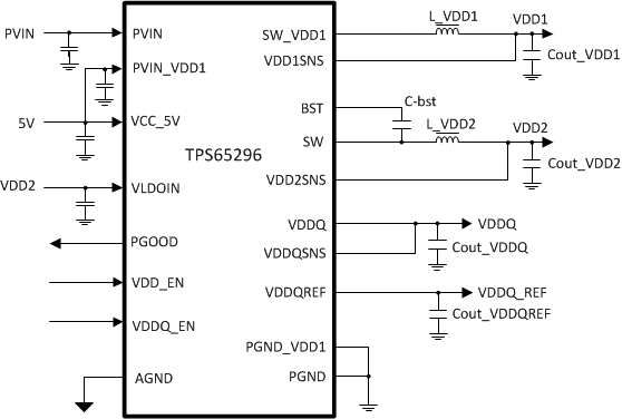
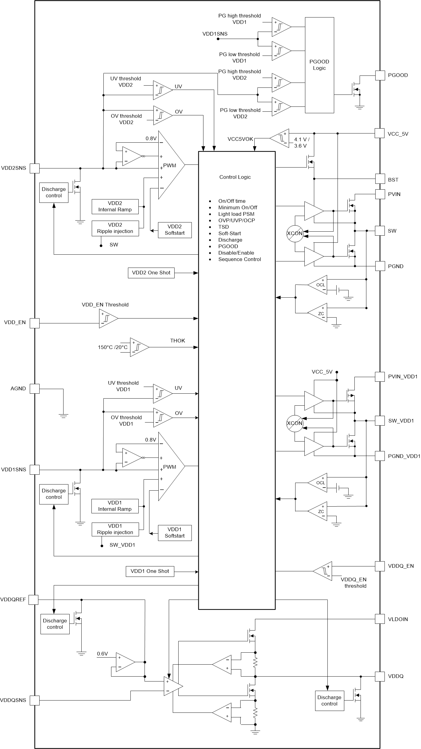
The TPS65296 device provides a complete power solution for LPDDR4/LPDDR4X memory system with the lowest total cost and minimum space. It meets the JEDEC standard for LPDDR4/LPDDR4X power-up and power-down sequence requirement. The TPS65296 integrates two synchronous buck converters (VDD1 and VDD2) and a 1.5-A LDO (VDDQ).

The TPS65296 employs D-CAP3™ mode with 600-kHz switching frequency for fast transient, good load/line regulation, and support for ceramic output capacitors without an external compensation circuit.

The TPS65296 provides rich functions as well as good efficiency with internal low Rdson power MOSFETs. It supports flexible power state control, placing VDDQ at high-Z in S3 and discharging VDD1, VDD2, and VDDQ in S4/S5 state. Full protection features include OVP, UVP, OCP, UVLO and thermal shutdown protection. The part is available in a thermally enhanced 18-pin HotRod™ VQFN package and is designed to operate under the –40°C to 125°C junction temperature range.

The TPS65296 device provides a complete power solution for LPDDR4/LPDDR4X memory system with the lowest total cost and minimum space. It meets the JEDEC standard for LPDDR4/LPDDR4X power-up and power-down sequence requirement. The TPS65296 integrates two synchronous buck converters (VDD1 and VDD2) and a 1.5-A LDO (VDDQ).

The TPS65296 employs D-CAP3™ mode with 600-kHz switching frequency for fast transient, good load/line regulation, and support for ceramic output capacitors without an external compensation circuit.

The TPS65296 provides rich functions as well as good efficiency with internal low Rdson power MOSFETs. It supports flexible power state control, placing VDDQ at high-Z in S3 and discharging VDD1, VDD2, and VDDQ in S4/S5 state. Full protection features include OVP, UVP, OCP, UVLO and thermal shutdown protection. The part is available in a thermally enhanced 18-pin HotRod™ VQFN package and is designed to operate under the –40°C to 125°C junction temperature range.

Subscribe to Welllinkchips !
Your Name
* Email
Submit a request