0
AFE031
  • AFE031
  • AFE031

AFE031

ACTIVE

1500mA, integrated, powerline communications (PLC) analog front-end for driving low-impedance lin

Texas Instruments AFE031 Product Info

1 April 2026 0

Parameters

Number of channels

1

Total supply voltage (+5 V = 5, ±5 V = 10) (min) (V)

7

Total supply voltage (+5 V = 5, ±5 V = 10) (max) (V)

26

Iout (typ) (A)

1.5

GBW (typ) (MHz)

0.67

Slew rate (typ) (V/µs)

19

Iq per channel (typ) (mA)

49

Features

Adj Current Limit, Shutdown

Rating

Catalog

Operating temperature range (°C)

-40 to 125

Rail-to-rail

No

Architecture

FET

Package

VQFN (RGZ)-48-49 mm² 7 x 7

Features

  • Integrated powerline driver with thermal and overcurrent protection
  • Conforms to EN50065-1
  • PRIME certified
  • Large output swing: 12 VPP at 1.5 A
    (15-V supply)
  • Low power consumption:
    15 mW (receive mode)
  • Programmable Tx and Rx filters
  • Supports EN50065 CENELEC bands A, B, C, D
  • Supports FSK, S-FSK, and OFDM
  • Supports PRIME, G3, IEC 61334
  • Receive sensitivity: 20 µVRMS, typical
  • Programmable Tx and Rx gain control
  • Four-wire serial peripheral interface
  • Two integrated zero crossing detectors
  • Two-wire transceiver buffer
  • 48-Pin QFN PowerPAD™ package
  • Extended junction temperature range:
    –40°C to +125°C
  • Integrated powerline driver with thermal and overcurrent protection
  • Conforms to EN50065-1
  • PRIME certified
  • Large output swing: 12 VPP at 1.5 A
    (15-V supply)
  • Low power consumption:
    15 mW (receive mode)
  • Programmable Tx and Rx filters
  • Supports EN50065 CENELEC bands A, B, C, D
  • Supports FSK, S-FSK, and OFDM
  • Supports PRIME, G3, IEC 61334
  • Receive sensitivity: 20 µVRMS, typical
  • Programmable Tx and Rx gain control
  • Four-wire serial peripheral interface
  • Two integrated zero crossing detectors
  • Two-wire transceiver buffer
  • 48-Pin QFN PowerPAD™ package
  • Extended junction temperature range:
    –40°C to +125°C

Description

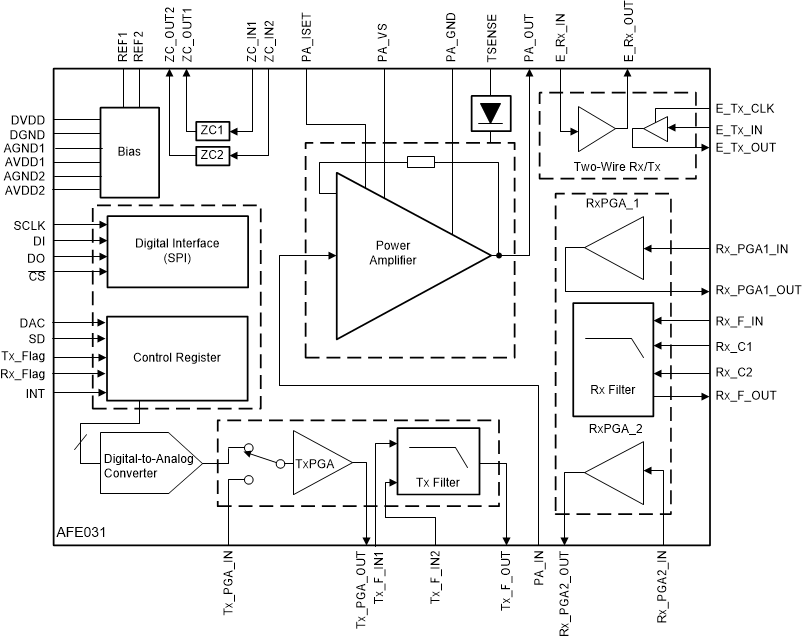
The AFE031 is a low-cost, integrated, powerline communications (PLC) analog front-end (AFE) device that is capable of capacitive- or transformer-coupled connections to the powerline while under the control of a DSP or microcontroller. It is ideal for driving low-impedance lines that require up to 1.5 A into reactive loads. The integrated receiver is able to detect signals down to 20 µVRMS and is capable of a wide range of gain options to adapt to varying input signal conditions. This monolithic integrated circuit provides high reliability in demanding powerline communications applications.

The AFE031 transmit power amplifier operates from a single supply in the range of 7 V to 24 V. At maximum output current, a wide output swing provides a 12-VPP (IOUT = 1.5 A) capability with a nominal 15-V supply. The analog and digital signal processing circuitry operates from a single 3.3-V power supply.

The AFE031 is internally protected against overtemperature and short-circuit conditions. It also provides an adjustable current limit. An interrupt output is provided that indicates both current limit and thermal limit. There is also a shutdown pin that can be used to quickly put the device into its lowest power state. Through the four-wire serial peripheral interface, or SPI™, each functional block can be enabled or disabled to optimize power dissipation.

The AFE031 is housed in a thermally-enhanced, surface-mount PowerPAD package (QFN-48). Operation is specified over the extended industrial junction temperature range of –40°C to +125°C.

The AFE031 is a low-cost, integrated, powerline communications (PLC) analog front-end (AFE) device that is capable of capacitive- or transformer-coupled connections to the powerline while under the control of a DSP or microcontroller. It is ideal for driving low-impedance lines that require up to 1.5 A into reactive loads. The integrated receiver is able to detect signals down to 20 µVRMS and is capable of a wide range of gain options to adapt to varying input signal conditions. This monolithic integrated circuit provides high reliability in demanding powerline communications applications.

The AFE031 transmit power amplifier operates from a single supply in the range of 7 V to 24 V. At maximum output current, a wide output swing provides a 12-VPP (IOUT = 1.5 A) capability with a nominal 15-V supply. The analog and digital signal processing circuitry operates from a single 3.3-V power supply.

The AFE031 is internally protected against overtemperature and short-circuit conditions. It also provides an adjustable current limit. An interrupt output is provided that indicates both current limit and thermal limit. There is also a shutdown pin that can be used to quickly put the device into its lowest power state. Through the four-wire serial peripheral interface, or SPI™, each functional block can be enabled or disabled to optimize power dissipation.

The AFE031 is housed in a thermally-enhanced, surface-mount PowerPAD package (QFN-48). Operation is specified over the extended industrial junction temperature range of –40°C to +125°C.

Subscribe to Welllinkchips !
Your Name
* Email
Submit a request