0
TPS62826
  • TPS62826
  • TPS62826

TPS62826

ACTIVE

2.4-V-5.5-V input, 3-A step-down converter with 1% accuracy in 1.5-mm x 1.5-mm VSON-HR package

Texas Instruments TPS62826 Product Info

1 April 2026 0

Parameters

Rating

Catalog

Topology

Buck

Iout (max) (A)

3

Vin (max) (V)

5.5

Vin (min) (V)

2.4

Vout (max) (V)

1.8, 4

Vout (min) (V)

0.6, 1.8

Features

Enable, Light Load Efficiency, Light load efficiency, Output discharge, Over Current Protection, Power good, Pre-Bias Start-Up, Soft Start Fixed, Synchronous Rectification, UVLO Fixed, UVLO fixed

Control mode

Constant on-time (COT), DCS-Control

Operating temperature range (°C)

-40 to 125

Iq (typ) (A)

0.000004

Duty cycle (max) (%)

100

Package

VSON-HR (DMQ)-6-2.25 mm² 1.5 x 1.5

Features

  • Available as an integrated-inductor power module: TPSM82821, TPSM82822, and TPSM82823
  • DCS-Control topology
  • 1% feedback or output voltage accuracy (full temperature range)
  • Up to 97% efficiency
  • 26mΩ and 25mΩ internal power MOSFETs
  • 2.4V to 5.5V input voltage range
  • 4µA operating quiescent current
  • 2.2MHz switching frequency
  • 0.6V to 4V adjustable output voltage
  • Power save mode for light load efficiency
  • 100% duty cycle for lowest dropout
  • Active output discharge
  • Power-good output
  • Thermal shutdown protection
  • Hiccup short-circuit protection
  • A forced-PWM version for CCM operation
  • Create a custom design using the TPS6282x with the WEBENCH Power Designer
  • Available as an integrated-inductor power module: TPSM82821, TPSM82822, and TPSM82823
  • DCS-Control topology
  • 1% feedback or output voltage accuracy (full temperature range)
  • Up to 97% efficiency
  • 26mΩ and 25mΩ internal power MOSFETs
  • 2.4V to 5.5V input voltage range
  • 4µA operating quiescent current
  • 2.2MHz switching frequency
  • 0.6V to 4V adjustable output voltage
  • Power save mode for light load efficiency
  • 100% duty cycle for lowest dropout
  • Active output discharge
  • Power-good output
  • Thermal shutdown protection
  • Hiccup short-circuit protection
  • A forced-PWM version for CCM operation
  • Create a custom design using the TPS6282x with the WEBENCH Power Designer

Description

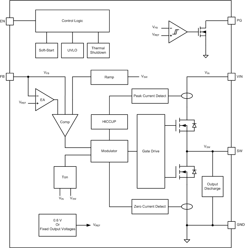
The TPS6282x is an easy-to-use, synchronous step-down DC/DC converters family with a very low quiescent current of only 4µA. Based on the DCS-Control topology, the device provides a fast transient response. The internal reference allows to regulate the output voltage down to 0.6V with a high feedback voltage accuracy of 1% over the junction temperature range of –40°C to 125°C. The family devices are pin-to-pin and BOM-to-BOM compatible. The entire design requires a small 470nH inductor, a single 4.7µF input capacitor, and two 10µF or single 22µF output capacitor.

The TPS6282x is available in two flavors. The first includes an automatically entered power save mode to maintain high efficiency down to very light loads for extending the system battery run-time. The second runs in forced-PWM maintaining a continuous conduction mode to make sure of the least ripple in the output voltage and a quasi-fixed switching frequency. The device features a Power-Good signal and an internal soft-start circuit. The device is able to operate in 100% mode. For fault protection, the device incorporates a HICCUP short-circuit protection as well as a thermal shutdown. The device is available in a 6-pin 1.5mm × 1.5mm QFN package, offering the highest power density design.

The TPS6282x is an easy-to-use, synchronous step-down DC/DC converters family with a very low quiescent current of only 4µA. Based on the DCS-Control topology, the device provides a fast transient response. The internal reference allows to regulate the output voltage down to 0.6V with a high feedback voltage accuracy of 1% over the junction temperature range of –40°C to 125°C. The family devices are pin-to-pin and BOM-to-BOM compatible. The entire design requires a small 470nH inductor, a single 4.7µF input capacitor, and two 10µF or single 22µF output capacitor.

The TPS6282x is available in two flavors. The first includes an automatically entered power save mode to maintain high efficiency down to very light loads for extending the system battery run-time. The second runs in forced-PWM maintaining a continuous conduction mode to make sure of the least ripple in the output voltage and a quasi-fixed switching frequency. The device features a Power-Good signal and an internal soft-start circuit. The device is able to operate in 100% mode. For fault protection, the device incorporates a HICCUP short-circuit protection as well as a thermal shutdown. The device is available in a 6-pin 1.5mm × 1.5mm QFN package, offering the highest power density design.

Subscribe to Welllinkchips !
Your Name
* Email
Submit a request