0
SN74CB3Q3257
  • SN74CB3Q3257
  • SN74CB3Q3257
  • SN74CB3Q3257
  • SN74CB3Q3257
  • SN74CB3Q3257
  • SN74CB3Q3257

SN74CB3Q3257

ACTIVE

3.3-V, 2:1 (SPDT), 4-channel general-purpose FET bus switch

Texas Instruments SN74CB3Q3257 Product Info

1 April 2026 0

Parameters

Protocols

Analog, I2C, I2S, JTAG, RGMII, SPI, TDM, UART

Configuration

2:1 SPDT

Number of channels

4

Bandwidth (MHz)

500

Supply voltage (max) (V)

3.6

Ron (typ) (mΩ)

4000

Input/output voltage (min) (V)

0

Input/output voltage (max) (V)

5.5

Supply current (typ) (µA)

250

Operating temperature range (°C)

-40 to 85

ESD CDM (kV)

1

Input/output continuous current (max) (mA)

64

COFF (typ) (pF)

3.5

CON (typ) (pF)

10.5

OFF-state leakage current (max) (µA)

1

Ron (max) (mΩ)

9000

VIH (min) (V)

1.7

VIL (max) (V)

0.8

Rating

Catalog

Package

SSOP (DBQ)-16-29.4 mm² 4.9 x 6

Features

  • High-bandwidth data path (up to 500MHz)
  • 5V Tolerant I/Os with device powered up or powered down
  • Low and flat on-state resistance (ron) characteristics over operating range (ron= 4Ω typical)
  • Rail-to-rail switching on data I/O ports
    • 0- to 5V Switching with 3.3V VCC
    • 0- to 3.3V Switching with 2.5V VCC
  • Bidirectional data flow with near-zero propagation delay
  • Low input and output capacitance minimizes loading and signal distortion (Cio(OFF) = 3.5pF typical)
  • Fast switching frequency (f OE = 20MHz maximum)
  • Data and control inputs provide undershoot clamp diodes
  • Low power consumption (ICC = 0.7mA typical)
  • VCC Operating range from 2.3V to 3.6V
  • Data I/Os support 0- to 5V signaling levels (0.8V, 1.2V, 1.5V, 1.8V, 2.5V, 3.3V, 5V)
  • Control inputs can be driven by TTL or 5V and 3.3V CMOS outputs
  • Ioff Supports partial-power-down mode operation
  • Latch-up performance exceeds 100mA Per JESD 78, class II
  • ESD Performance tested per JESD 22
    • 2000V Human body model (A114-B, class II)
    • 1000V Charged-device model (C101)
  • Supports both digital and analog applications: USB interface, differential signal interface, bus isolation, low-distortion signal gating (1)

(1)For additional information regarding the performance characteristics of the CB3Q family, refer to the TI CBT-C, CB3T, and CB3Q Signal-Switch Families application report.

  • High-bandwidth data path (up to 500MHz)
  • 5V Tolerant I/Os with device powered up or powered down
  • Low and flat on-state resistance (ron) characteristics over operating range (ron= 4Ω typical)
  • Rail-to-rail switching on data I/O ports
    • 0- to 5V Switching with 3.3V VCC
    • 0- to 3.3V Switching with 2.5V VCC
  • Bidirectional data flow with near-zero propagation delay
  • Low input and output capacitance minimizes loading and signal distortion (Cio(OFF) = 3.5pF typical)
  • Fast switching frequency (f OE = 20MHz maximum)
  • Data and control inputs provide undershoot clamp diodes
  • Low power consumption (ICC = 0.7mA typical)
  • VCC Operating range from 2.3V to 3.6V
  • Data I/Os support 0- to 5V signaling levels (0.8V, 1.2V, 1.5V, 1.8V, 2.5V, 3.3V, 5V)
  • Control inputs can be driven by TTL or 5V and 3.3V CMOS outputs
  • Ioff Supports partial-power-down mode operation
  • Latch-up performance exceeds 100mA Per JESD 78, class II
  • ESD Performance tested per JESD 22
    • 2000V Human body model (A114-B, class II)
    • 1000V Charged-device model (C101)
  • Supports both digital and analog applications: USB interface, differential signal interface, bus isolation, low-distortion signal gating (1)

(1)For additional information regarding the performance characteristics of the CB3Q family, refer to the TI CBT-C, CB3T, and CB3Q Signal-Switch Families application report.

Description

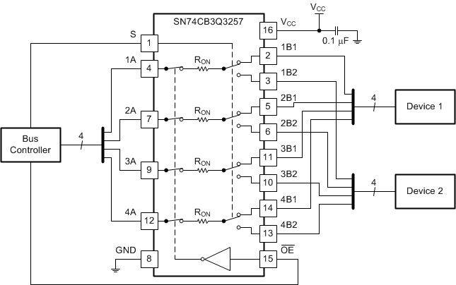
The SN74CB3Q3257 device is a high-bandwidth FET bus switch using a charge pump to elevate the gate voltage of the pass transistor, providing a low and flat ON-state resistance (ron).

The SN74CB3Q3257 device is a high-bandwidth FET bus switch using a charge pump to elevate the gate voltage of the pass transistor, providing a low and flat ON-state resistance (ron).

Subscribe to Welllinkchips !
Your Name
* Email
Submit a request