0
TPS62816-Q1
  • TPS62816-Q1
  • TPS62816-Q1
  • TPS62816-Q1
  • TPS62816-Q1
  • TPS62816-Q1

TPS62816-Q1

ACTIVE

Automotive 2.75-V to 6-V, 6-A step-down converter in 2-mm x 3-mm wettable-flanks QFN package

Texas Instruments TPS62816-Q1 Product Info

1 April 2026 0

Parameters

Rating

Automotive

Topology

Buck

Iout (max) (A)

6

Vin (max) (V)

6

Vin (min) (V)

2.7

Vout (max) (V)

5.5

Vout (min) (V)

0.6

Features

Enable, Forced PWM, Frequency synchronization, Light load efficiency, Output discharge, Over Current Protection, Power good, Pre-Bias Start-Up, Spread Spectrum, Synchronous Rectification, Tracking, UVLO fixed, Wettable flanks package

EMI features

Low parasitic Hotrod packaging, Spread Spectrum

Control mode

current mode

Operating temperature range (°C)

-40 to 125

Iq (typ) (A)

0.000026

Duty cycle (max) (%)

100

TI functional safety category

Functional Safety-Capable

Package

VQFN-HR (RWY)-9-6 mm² 3 x 2

Features

  • AEC-Q100 qualified for automotive applications
    • Device temperature grade 1: –40°C to +125°C TA
  • Functional Safety-Capable
  • Input voltage range: 2.7 V to 6 V
  • Quiescent current: 26 µA typical
  • Output voltage from 0.6 V to 5.5 V
  • Output voltage accuracy ±1% (PWM operation)
  • Adjustable soft start
  • Forced PWM or PWM/PFM operation
  • Adjustable switching frequency of 1.8 MHz to 4 MHz
  • Precise ENABLE input allows
    • User-defined undervoltage lockout
    • Exact sequencing
  • 100% duty cycle mode
  • Active output discharge
  • Spread spectrum clocking — optional
  • Power-good output with window comparator
  • Package with wettable flanks
  • TJ = –40°C to 150°C
  • AEC-Q100 qualified for automotive applications
    • Device temperature grade 1: –40°C to +125°C TA
  • Functional Safety-Capable
  • Input voltage range: 2.7 V to 6 V
  • Quiescent current: 26 µA typical
  • Output voltage from 0.6 V to 5.5 V
  • Output voltage accuracy ±1% (PWM operation)
  • Adjustable soft start
  • Forced PWM or PWM/PFM operation
  • Adjustable switching frequency of 1.8 MHz to 4 MHz
  • Precise ENABLE input allows
    • User-defined undervoltage lockout
    • Exact sequencing
  • 100% duty cycle mode
  • Active output discharge
  • Spread spectrum clocking — optional
  • Power-good output with window comparator
  • Package with wettable flanks
  • TJ = –40°C to 150°C

Description

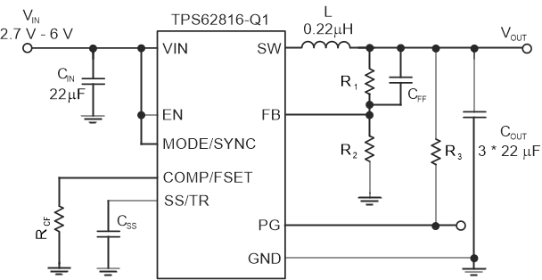
The TPS62816-Q1 is a pin-to-pin high efficiency, easy-to-use synchronous step-down DC/DC converter. It is based on a peak current mode control topology. It is designed for automotive applications such as infotainment and advanced driver assistance systems. Low resistive switches allow up to 6-A continuous output current. The switching frequency is externally adjustable from 1.8 MHz to 4 MHz and can also be synchronized to an external clock in the same frequency range. In PWM/PFM mode, the TPS62816-Q1 automatically enters power save mode at light loads to maintain high efficiency across the whole load range. The TPS62816-Q1 provides a 1% output voltage accuracy in PWM mode, which helps design a power supply with high output voltage accuracy. The SS/TR pin allows setting the start-up time or tracking of the output voltage to an external source. This allows external sequencing of different supply rails and limiting the inrush current during start-up.

The TPS62816-Q1 is available as an adjustable version, packaged in a 3-mm × 2-mm VQFN package with wettable flanks.

The TPS62816-Q1 is a pin-to-pin high efficiency, easy-to-use synchronous step-down DC/DC converter. It is based on a peak current mode control topology. It is designed for automotive applications such as infotainment and advanced driver assistance systems. Low resistive switches allow up to 6-A continuous output current. The switching frequency is externally adjustable from 1.8 MHz to 4 MHz and can also be synchronized to an external clock in the same frequency range. In PWM/PFM mode, the TPS62816-Q1 automatically enters power save mode at light loads to maintain high efficiency across the whole load range. The TPS62816-Q1 provides a 1% output voltage accuracy in PWM mode, which helps design a power supply with high output voltage accuracy. The SS/TR pin allows setting the start-up time or tracking of the output voltage to an external source. This allows external sequencing of different supply rails and limiting the inrush current during start-up.

The TPS62816-Q1 is available as an adjustable version, packaged in a 3-mm × 2-mm VQFN package with wettable flanks.

Subscribe to Welllinkchips !
Your Name
* Email
Submit a request