0
TPS2662
  • TPS2662
  • TPS2662

TPS2662

ACTIVE

4.5-V to 60-V, 478mΩ, 0.025-0.88A eFuse with integrated input and output reverse polarity protection

Texas Instruments TPS2662 Product Info

1 April 2026 0

Parameters

Vabsmax_cont (V)

62

Vin (max) (V)

60

Vin (min) (V)

4.5

Current limit (max) (A)

0.88

Current limit (min) (A)

0.025

Features

Adjustable OVLO, Adjustable current limit, Adjustable soft start, Current monitoring, Fault output, Power good signal, Reverse current blocking when off, Short-circuit protection, Thermal shutdown, adjustable UVLO

UL recognition

IEC62368, UL2367

Overcurrent response

Circuit breaker, Current limiting

Fault response

Auto-retry, Latch-off

Ron (typ) (mΩ)

478

Overvoltage response

Clamp, Cut-off

Rating

Catalog

Soft start

Adjustable

Quiescent current (Iq) (typ) (A)

0.000343

Quiescent current (Iq) (max) (A)

0.000482

Device type

eFuses and hot swap controllers

Operating temperature range (°C)

-40 to 125

Package

VSON (DRC)-10-9 mm² 3 x 3

Features

  • 4.5-V to 60-V operating voltage, 62-V absolute maximum
  • Integrated reverse input polarity protection to –60 V
  • Integrated reverse output polarity protection to – (60 – VIN) (TPS26624 and TPS26625 only)
  • Integrated back to back MOSFETs with 478-mΩ total RON
  • 25-mA to 880-mA adjustable current limit (±5% accuracy at 880 mA)
  • Load protection during surge (IEC 61000-4-5) with minimum external components
  • Electrical fast transients immunity according to IEC 61000-4-4
  • Fast reverse current blocking response (0.3 µs)
  • Adjustable UVLO, OVP cut off, output slew rate control for inrush current limiting
  • Fixed 38-V overvoltage clamp (TPS26622 and TPS26623 only)
  • Low quiescent current, 340 µA in operating, 12 µA in shutdown
  • Small foot print – 10L (3 mm × 3 mm) VSON
  • UL 2367 recognized
    • File No. 169910
    • RILIM ≥ 7.5 kΩ (0.91-A maximum )
  • IEC 62368-1 certified
  • 4.5-V to 60-V operating voltage, 62-V absolute maximum
  • Integrated reverse input polarity protection to –60 V
  • Integrated reverse output polarity protection to – (60 – VIN) (TPS26624 and TPS26625 only)
  • Integrated back to back MOSFETs with 478-mΩ total RON
  • 25-mA to 880-mA adjustable current limit (±5% accuracy at 880 mA)
  • Load protection during surge (IEC 61000-4-5) with minimum external components
  • Electrical fast transients immunity according to IEC 61000-4-4
  • Fast reverse current blocking response (0.3 µs)
  • Adjustable UVLO, OVP cut off, output slew rate control for inrush current limiting
  • Fixed 38-V overvoltage clamp (TPS26622 and TPS26623 only)
  • Low quiescent current, 340 µA in operating, 12 µA in shutdown
  • Small foot print – 10L (3 mm × 3 mm) VSON
  • UL 2367 recognized
    • File No. 169910
    • RILIM ≥ 7.5 kΩ (0.91-A maximum )
  • IEC 62368-1 certified

Description

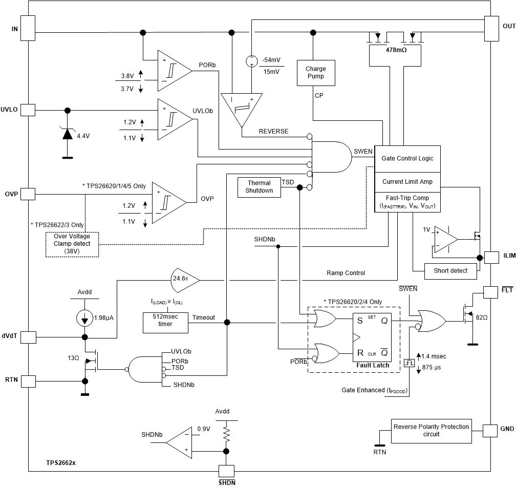
The TPS2662x family are compact, feature rich high voltage eFuses with a full suite of protection features. The wide supply input range of 4.5 V to 60 V allows control of many popular DC bus voltages. The device can withstand and protect the loads from positive and negative supply voltages up to ±60 V. The TPS26624 and TPS26625 devices support both input as well as output reverse polarity protection feature. Integrated back to back FETs provide reverse current blocking feature making the device suitable for systems with output voltage holdup requirements during power fail and brownout conditions. Load, source and device protection are provided with many adjustable features including overcurrent, output slew rate and overvoltage, undervoltage thresholds. The internal robust protection control blocks along with the high voltage rating of the TPS2662x family helps to simplify the system designs for Surge protection.

The TPS26620, TPS26622 and TPS26624 feature latch-off and TPS26621, TPS26623 and TPS26625 feature auto-retry functionality, which are the overtemperature and overcurrent fault events.

The devices are available in a 3 mm × 3 mm 10-pin SON package and are specified over a –40°C to +125°C temperature range.

The TPS2662x family are compact, feature rich high voltage eFuses with a full suite of protection features. The wide supply input range of 4.5 V to 60 V allows control of many popular DC bus voltages. The device can withstand and protect the loads from positive and negative supply voltages up to ±60 V. The TPS26624 and TPS26625 devices support both input as well as output reverse polarity protection feature. Integrated back to back FETs provide reverse current blocking feature making the device suitable for systems with output voltage holdup requirements during power fail and brownout conditions. Load, source and device protection are provided with many adjustable features including overcurrent, output slew rate and overvoltage, undervoltage thresholds. The internal robust protection control blocks along with the high voltage rating of the TPS2662x family helps to simplify the system designs for Surge protection.

The TPS26620, TPS26622 and TPS26624 feature latch-off and TPS26621, TPS26623 and TPS26625 feature auto-retry functionality, which are the overtemperature and overcurrent fault events.

The devices are available in a 3 mm × 3 mm 10-pin SON package and are specified over a –40°C to +125°C temperature range.

Subscribe to Welllinkchips !
Your Name
* Email
Submit a request