0
TPS62693
  • TPS62693
  • TPS62693

TPS62693

ACTIVE

800-mA, 3-MHz High-Efficiency Step-Down Converter, TPS6269x Efficiency VIN Step Down Converter Evaluation Module Board

Texas Instruments TPS62693 Product Info

1 April 2026 0

Parameters

Rating

Catalog

Topology

Buck

Iout (max) (A)

0.8

Vin (max) (V)

4.8

Vin (min) (V)

2.3

Vout (max) (V)

2.85

Vout (min) (V)

2.85

Features

Enable, Forced PWM, Light load efficiency, Output discharge, Spread Spectrum

EMI features

Spread Spectrum

Control mode

Voltage mode

Operating temperature range (°C)

-40 to 85

Iq (typ) (A)

0.000019

Duty cycle (max) (%)

100

Package

DSBGA (YFD)-6-1.4000000000000001 mm² 1.4000000000000001 x 1

Features

  • 95% Efficiency at 3MHz Operation
  • 21 µA Quiescent Current
  • 3 MHz Regulated Frequency Operation
  • Spread Spectrum, PWM Frequency Dithering
  • High Duty-Cycle Operation
  • ±2% Total DC Voltage Accuracy
  • Load and Line Transient
  • Excellent AC Load Regulation
  • Low Ripple Light-Load PFM Mode
  • ≥40 dB VIN PSRR (1 kHz to 10 kHz)
  • Internal Soft Start, 350-μs Start-Up Time
  • Integrated Active Power-Down Sequencing (Optional)
  • Current Overload and Thermal Shutdown Protection
  • Three Surface-Mount External Components Required
    (One 2012 MLCC Inductor, Two 0402 Ceramic Capacitors)
  • Complete Sub 1-mm Component Profile Solution
  • Total Solution Size <12 mm2 (CSP)
  • Available in a 6-Pin NanoFree (CSP)
  • 95% Efficiency at 3MHz Operation
  • 21 µA Quiescent Current
  • 3 MHz Regulated Frequency Operation
  • Spread Spectrum, PWM Frequency Dithering
  • High Duty-Cycle Operation
  • ±2% Total DC Voltage Accuracy
  • Load and Line Transient
  • Excellent AC Load Regulation
  • Low Ripple Light-Load PFM Mode
  • ≥40 dB VIN PSRR (1 kHz to 10 kHz)
  • Internal Soft Start, 350-μs Start-Up Time
  • Integrated Active Power-Down Sequencing (Optional)
  • Current Overload and Thermal Shutdown Protection
  • Three Surface-Mount External Components Required
    (One 2012 MLCC Inductor, Two 0402 Ceramic Capacitors)
  • Complete Sub 1-mm Component Profile Solution
  • Total Solution Size <12 mm2 (CSP)
  • Available in a 6-Pin NanoFree (CSP)

Description

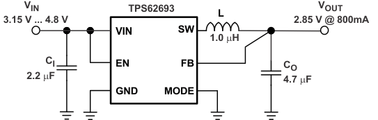
The TPS62693 device is a high-frequency synchronous step-down dc-dc converter optimized for battery-powered portable applications. Intended for low-power applications, the TPS62693 supports up to 800-mA load current, and allows the use of low cost chip inductor and capacitors.

The device is ideal for mobile phones and similar portable applications powered by a single-cell Li-Ion battery. Different fixed output voltage versions are available in the range from 2.2 V up to 3.3 V.

The TPS62693 operates at a regulated 3-MHz switching frequency and enters the power-save mode operation at light load currents to maintain high efficiency over the entire load current range.

The PFM mode extends the battery life by reducing the quiescent current to 21 µA (typical) during light load operation. For noise-sensitive applications, the device can be forced into fixed frequency PWM mode by pulling the MODE pin high. This feature, combined with high PSRR and AC load regulation performance, make this device suitable to replace a linear regulator to obtain better power conversion efficiency.

The TPS62693 device is a high-frequency synchronous step-down dc-dc converter optimized for battery-powered portable applications. Intended for low-power applications, the TPS62693 supports up to 800-mA load current, and allows the use of low cost chip inductor and capacitors.

The device is ideal for mobile phones and similar portable applications powered by a single-cell Li-Ion battery. Different fixed output voltage versions are available in the range from 2.2 V up to 3.3 V.

The TPS62693 operates at a regulated 3-MHz switching frequency and enters the power-save mode operation at light load currents to maintain high efficiency over the entire load current range.

The PFM mode extends the battery life by reducing the quiescent current to 21 µA (typical) during light load operation. For noise-sensitive applications, the device can be forced into fixed frequency PWM mode by pulling the MODE pin high. This feature, combined with high PSRR and AC load regulation performance, make this device suitable to replace a linear regulator to obtain better power conversion efficiency.

Subscribe to Welllinkchips !
Your Name
* Email
Submit a request