0
LM61
  • LM61
  • LM61
  • LM61
  • LM61
  • LM61

LM61

ACTIVE

±3°C analog output temperature sensor with 10mV/°C gain & TO-92 option

Texas Instruments LM61 Product Info

1 April 2026 0

Parameters

Local sensor accuracy (max)

2, 3

Rating

Catalog

Operating temperature range (°C)

-30 to 100

Supply voltage (min) (V)

2.7

Supply voltage (max) (V)

10

Supply current (max) (µA)

125

Interface type

Analog output

Sensor gain (mV/°C)

10

Features

UL recognized

Package

SOT-23 (DBZ)-3-6.9204 mm² 2.92 x 2.37

Features

  • Calibrated Linear Scale Factor of 10 mV/°C
  • Rated for Full Temperature Range (–30° to 100°C)
  • Suitable for Remote Applications
  • UL Recognized Component
  • ±2°C or ±3°C Accuracy at 25°C (Maximum)
  • ±3°C Accuracy for –25°C to 85°C (Maximum)
  • ±4°C Accuracy for –30°C to 100°C (Maximum)
  • 10 mV/°C Temperature Slope (Maximum)
  • 2.7-V to 10-V Power Supply Voltage Range
  • 125-µA Current Drain at 25°C (Maximum)
  • ±0.8°C Nonlinearity (Maximum)
  • 800-Ω Output Impedance (Maximum)
  • Calibrated Linear Scale Factor of 10 mV/°C
  • Rated for Full Temperature Range (–30° to 100°C)
  • Suitable for Remote Applications
  • UL Recognized Component
  • ±2°C or ±3°C Accuracy at 25°C (Maximum)
  • ±3°C Accuracy for –25°C to 85°C (Maximum)
  • ±4°C Accuracy for –30°C to 100°C (Maximum)
  • 10 mV/°C Temperature Slope (Maximum)
  • 2.7-V to 10-V Power Supply Voltage Range
  • 125-µA Current Drain at 25°C (Maximum)
  • ±0.8°C Nonlinearity (Maximum)
  • 800-Ω Output Impedance (Maximum)

Description

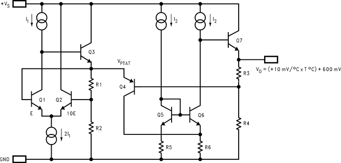
The LM61 device is a precision, integrated-circuit temperature sensor that can sense a –30°C to 100°C temperature range while operating from a single 2.7-V supply. The output voltage of the LM61 is linearly proportional to temperature (10 mV/°C) and has a DC offset of 600 mV. The offset allows reading negative temperatures without the need for a negative supply. The nominal output voltage of the LM61 ranges from 300 mV to 1600 mV for a –30°C to 100°C temperature range. The LM61 is calibrated to provide accuracies of ±2°C at room temperature and ±3°C over the full –25°C to 85°C temperature range.

The linear output of the LM61, 600-mV offset, and factory calibration simplify external circuitry required in a single supply environment where reading negative temperatures is required. Because the quiescent current is less than 125 µA, self-heating is limited to a very low 0.2°C in still air. Shutdown capability for the LM61 is intrinsic because its inherent low power consumption allows it to be powered directly from the output of many logic gates.

The LM61 device is a precision, integrated-circuit temperature sensor that can sense a –30°C to 100°C temperature range while operating from a single 2.7-V supply. The output voltage of the LM61 is linearly proportional to temperature (10 mV/°C) and has a DC offset of 600 mV. The offset allows reading negative temperatures without the need for a negative supply. The nominal output voltage of the LM61 ranges from 300 mV to 1600 mV for a –30°C to 100°C temperature range. The LM61 is calibrated to provide accuracies of ±2°C at room temperature and ±3°C over the full –25°C to 85°C temperature range.

The linear output of the LM61, 600-mV offset, and factory calibration simplify external circuitry required in a single supply environment where reading negative temperatures is required. Because the quiescent current is less than 125 µA, self-heating is limited to a very low 0.2°C in still air. Shutdown capability for the LM61 is intrinsic because its inherent low power consumption allows it to be powered directly from the output of many logic gates.

Subscribe to Welllinkchips !
Your Name
* Email
Submit a request