0
UCC28056
  • UCC28056
  • UCC28056

UCC28056

ACTIVE

6-pin high performance CRM/DCM PFC controller

Texas Instruments UCC28056 Product Info

1 April 2026 0

Parameters

Topology

Boost, PFC controller

Control mode

TM

Features

< 150 W applications, Audible Noise Minimization, Low power, OVP, Overvoltage protection, Peak current mode, Programmable soft start, Single-phase, Transition Control Mode, USB C/PD compatible

Duty cycle (max) (%)

1

Package

SOT-23 (DBV)-6-8.12 mm² 2.9 x 2.8

Features

  • Ultra-low no-load input power enables < 80-mW standby power at 230 VAC in PFC+LLC system
  • Excellent light load efficiency and high efficiency over wide range of load due to multi-mode TM and DCM control
  • Enables low system cost through FET drain valley synchronized turn-on which eliminates need for second winding on the boost inductor
  • Enables compliance to green power standards without disabling PFC
    • EuP Lot 6 Tier 2, CoC Ver. 5 Tier 2, Energy Star Ver. 6.1, DoE Level VI
  • Burst mode with soft-entry and soft-exit periods enables ultra-low audible noise output
  • Enhanced error amplifier, responds rapidly to load steps without degrading input current distortion
  • User adjustable valley delay ensures valley switching
  • Low start-up current consumption (<46 µA)
  • Wide VCC range 8.5 V to 34 V
  • Cycle-by-cycle current limit
  • Second independent output over-voltage protection
  • Integrated over-temperature protection
  • Create a custom design using the UCC28056 device with the WEBENCH® Power Designer
  • Ultra-low no-load input power enables < 80-mW standby power at 230 VAC in PFC+LLC system
  • Excellent light load efficiency and high efficiency over wide range of load due to multi-mode TM and DCM control
  • Enables low system cost through FET drain valley synchronized turn-on which eliminates need for second winding on the boost inductor
  • Enables compliance to green power standards without disabling PFC
    • EuP Lot 6 Tier 2, CoC Ver. 5 Tier 2, Energy Star Ver. 6.1, DoE Level VI
  • Burst mode with soft-entry and soft-exit periods enables ultra-low audible noise output
  • Enhanced error amplifier, responds rapidly to load steps without degrading input current distortion
  • User adjustable valley delay ensures valley switching
  • Low start-up current consumption (<46 µA)
  • Wide VCC range 8.5 V to 34 V
  • Cycle-by-cycle current limit
  • Second independent output over-voltage protection
  • Integrated over-temperature protection
  • Create a custom design using the UCC28056 device with the WEBENCH® Power Designer

Description

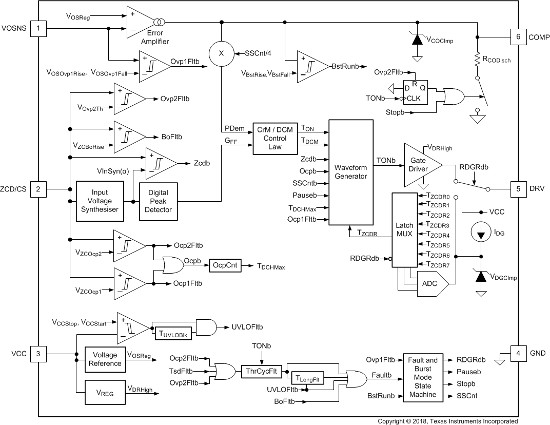
The UCC28056 device drives PFC boost stages based on an innovative mixed mode method that operates in transition mode (TM) at full load and transitions seamlessly into discontinuous conduction mode (DCM) at reduced load, automatically reducing switching frequency. This device incorporates burst mode operation to further improve light load performance, enabling systems to meet challenging energy standards while eliminating the need to switch off the PFC. UCC28056 can drive a PFC power stage up to 300 W, ensuring sinusoidal line input current with low distortion, close to unity power factor. When used with the LLC controller UCC256403/4, and dual synchronous rectifier controller UCC24624 less than 80 mW system standby power can be achieved, enabling PFC always on architecture and eliminating the need for an auxiliary converter. This with FET Drain valley turn-on with simple boost inductor allows fewest component count and reduced system cost.

The UCC28056 device drives PFC boost stages based on an innovative mixed mode method that operates in transition mode (TM) at full load and transitions seamlessly into discontinuous conduction mode (DCM) at reduced load, automatically reducing switching frequency. This device incorporates burst mode operation to further improve light load performance, enabling systems to meet challenging energy standards while eliminating the need to switch off the PFC. UCC28056 can drive a PFC power stage up to 300 W, ensuring sinusoidal line input current with low distortion, close to unity power factor. When used with the LLC controller UCC256403/4, and dual synchronous rectifier controller UCC24624 less than 80 mW system standby power can be achieved, enabling PFC always on architecture and eliminating the need for an auxiliary converter. This with FET Drain valley turn-on with simple boost inductor allows fewest component count and reduced system cost.

Subscribe to Welllinkchips !
Your Name
* Email
Submit a request