0
TPS626751
  • TPS626751
  • TPS626751

TPS626751

ACTIVE

500-mA, 6-MHz High-Efficiency Step-Down Converter, Vout=1.2V

Texas Instruments TPS626751 Product Info

1 April 2026 0

Parameters

Rating

Catalog

Topology

Buck

Iout (max) (A)

0.6

Vin (max) (V)

4.8

Vin (min) (V)

2.3

Vout (max) (V)

1.2

Vout (min) (V)

1.2

Features

Enable, Forced PWM, Light load efficiency, Output discharge, Spread Spectrum, Synchronous Rectification

EMI features

Spread Spectrum

Control mode

Voltage mode

Operating temperature range (°C)

-40 to 85

Iq (typ) (A)

0.000017

Duty cycle (max) (%)

100

Package

DSBGA (YFD)-6-1.4000000000000001 mm² 1.4000000000000001 x 1

Features

  • 92% Efficiency at 6MHz Operation
  • 17µA Quiescent Current
  • Wide VIN Range From 2.3V to 4.8V
  • 6MHz Regulated Frequency Operation
  • Spread Spectrum, PWM Frequency Dithering
  • Best in Class Load and Line Transient
  • ±2% Total DC Voltage Accuracy
  • Low Ripple Light-Load PFM Mode
  • ≥35dB VIN PSRR (1kHz to 10kHz)
  • Simple Logic Enable Inputs
  • Supports External Clock Presence Detect Enable Input
  • Three Surface-Mount External Components Required (One 0603 MLCC Inductor, Two 0402 Ceramic Capacitors)
  • Complete Sub 0.33-mm Component Profile Solution
  • Total Solution Size <10 mm2
  • Available in a 6-Pin NanoFree™ (CSP) Ultra-Thin Packaging, 0.4 mm Max. Height
  • 92% Efficiency at 6MHz Operation
  • 17µA Quiescent Current
  • Wide VIN Range From 2.3V to 4.8V
  • 6MHz Regulated Frequency Operation
  • Spread Spectrum, PWM Frequency Dithering
  • Best in Class Load and Line Transient
  • ±2% Total DC Voltage Accuracy
  • Low Ripple Light-Load PFM Mode
  • ≥35dB VIN PSRR (1kHz to 10kHz)
  • Simple Logic Enable Inputs
  • Supports External Clock Presence Detect Enable Input
  • Three Surface-Mount External Components Required (One 0603 MLCC Inductor, Two 0402 Ceramic Capacitors)
  • Complete Sub 0.33-mm Component Profile Solution
  • Total Solution Size <10 mm2
  • Available in a 6-Pin NanoFree™ (CSP) Ultra-Thin Packaging, 0.4 mm Max. Height

Description

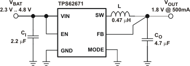
The TPS6267x devices are high-frequency synchronous step-down dc-dc converters optimized for small battery-powered applications. Intended for low-power applications, the TPS6267x supports up to 650-mA load current and allows the use of low cost chip inductor and capacitors.

With a wide input voltage range of 2.3V to 4.8V, the device supports applications powered by Li-Ion batteries with extended voltage range. Different fixed voltage output versions are available from 1.05V to 2.1V. The TPS6267x operates at a regulated 6-MHz switching frequency and enters the power-save mode operation at light load currents to maintain high efficiency over the entire load current range.

The PFM mode extends the battery life by reducing the quiescent current to 17µA (typ) during light load operation. For noise-sensitive applications, the device has PWM spread spectrum capability providing a lower noise regulated output, as well as low noise at the input. These features, combined with high PSRR and AC load regulation performance, make this device suitable to replace a linear regulator to obtain better power conversion efficiency.

The TPS6267x devices are high-frequency synchronous step-down dc-dc converters optimized for small battery-powered applications. Intended for low-power applications, the TPS6267x supports up to 650-mA load current and allows the use of low cost chip inductor and capacitors.

With a wide input voltage range of 2.3V to 4.8V, the device supports applications powered by Li-Ion batteries with extended voltage range. Different fixed voltage output versions are available from 1.05V to 2.1V. The TPS6267x operates at a regulated 6-MHz switching frequency and enters the power-save mode operation at light load currents to maintain high efficiency over the entire load current range.

The PFM mode extends the battery life by reducing the quiescent current to 17µA (typ) during light load operation. For noise-sensitive applications, the device has PWM spread spectrum capability providing a lower noise regulated output, as well as low noise at the input. These features, combined with high PSRR and AC load regulation performance, make this device suitable to replace a linear regulator to obtain better power conversion efficiency.

Subscribe to Welllinkchips !
Your Name
* Email
Submit a request