0
INA2128
  • INA2128
  • INA2128

INA2128

ACTIVE

Dual, Low Power Instrumentation Amplifier

Texas Instruments INA2128 Product Info

1 April 2026 0

Parameters

Number of channels

2

Vs (max) (V)

36

Vs (min) (V)

4.5

Input offset (±) (max) (µV)

50

Voltage gain (min) (V/V)

1

Voltage gain (max) (V/V)

10000

Noise at 1 kHz (typ) (nV√Hz)

8

Features

Current Feedback, Overvoltage protection

CMRR (min) (dB)

120

Input offset drift (±) (max) (µV/°C)

0.5

Input bias current (±) (max) (nA)

5

Iq (typ) (mA)

0.7

Bandwidth at min gain (typ) (MHz)

1.3

Gain error (±) (max) (%)

0.5

Operating temperature range (°C)

-40 to 85

Rating

Catalog

Type

Resistor

Gain nonlinearity (±) (max) (%)

0.002

Output swing headroom (to negative supply) (typ) (V)

0.8

Output swing headroom (to positive supply) (typ) (V)

-0.9

Input common mode headroom (to negative supply) (typ) (V)

1.7

Input common mode headroom (to positive supply) (typ) (V)

-1.4

Noise at 0.1 Hz to 10 Hz (typ) (µVPP)

0.2

Package

SOIC (DW)-16-106.09 mm² 10.3 x 10.3

Features

  • Low offset voltage: 50µV max
  • Low drift: 0.5µV/°C max
  • Low input bias current:
    • 5nA max (CSO: SHE)
    • 0.7nA max (CSO: TID)
  • Input voltage noise: 8nV/√Hz at 1kHz
  • High bandwidth: 1.3 MHz at G=1 V/V
  • High CMR: 120dB min
  • Inputs protected to ±40V
  • Wide supply range: ±2.25V to ±18V
  • Low quiescent current: 700µA per channel
  • Temperature range: –40°C to +85°C
  • Package: 16-pin SOIC
  • Low offset voltage: 50µV max
  • Low drift: 0.5µV/°C max
  • Low input bias current:
    • 5nA max (CSO: SHE)
    • 0.7nA max (CSO: TID)
  • Input voltage noise: 8nV/√Hz at 1kHz
  • High bandwidth: 1.3 MHz at G=1 V/V
  • High CMR: 120dB min
  • Inputs protected to ±40V
  • Wide supply range: ±2.25V to ±18V
  • Low quiescent current: 700µA per channel
  • Temperature range: –40°C to +85°C
  • Package: 16-pin SOIC

Description

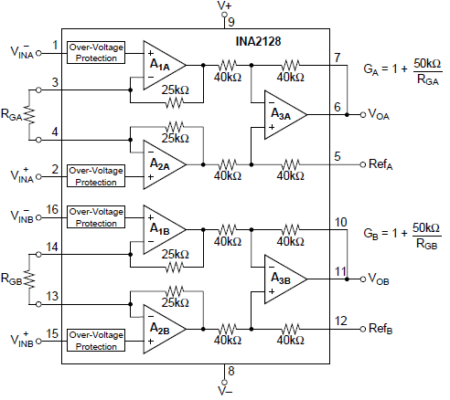
The INA2128 is a dual, low-power, general-purpose instrumentation amplifier (IA) offering excellent accuracy. The versatile three-op-amp design and small size make this device an excellent choice for a wide range of applications. Current-feedback input circuitry provides wide bandwidth, even at high gain (200kHz at G = 100). A single external resistor sets any gain from 1 to 10,000. Internal input protection can withstand up to ±40V without damage.

The INA2128 is laser-trimmed for very low offset voltage (50µV), drift (0.5µV/°C) and high common-mode rejection (120dB at G ≥ 100). The device operates with power supplies as low as ±2.25V, and quiescent current is only 700µA per IA—a great choice for battery-operated and multiple-channel systems.

The INA2128 is available in an SOIC-16 package, and is specified from –40°C to +85°C.

The INA2128 is a dual, low-power, general-purpose instrumentation amplifier (IA) offering excellent accuracy. The versatile three-op-amp design and small size make this device an excellent choice for a wide range of applications. Current-feedback input circuitry provides wide bandwidth, even at high gain (200kHz at G = 100). A single external resistor sets any gain from 1 to 10,000. Internal input protection can withstand up to ±40V without damage.

The INA2128 is laser-trimmed for very low offset voltage (50µV), drift (0.5µV/°C) and high common-mode rejection (120dB at G ≥ 100). The device operates with power supplies as low as ±2.25V, and quiescent current is only 700µA per IA—a great choice for battery-operated and multiple-channel systems.

The INA2128 is available in an SOIC-16 package, and is specified from –40°C to +85°C.

Subscribe to Welllinkchips !
Your Name
* Email
Submit a request