0
OPA4348-Q1
  • OPA4348-Q1
  • OPA4348-Q1

OPA4348-Q1

ACTIVE

Automotive-grade, quad, 5.5-V, 1-MHz, low quiescent current (45-μA), RRIO operational amplifier

Texas Instruments OPA4348-Q1 Product Info

1 April 2026 1

Parameters

Number of channels

4

Total supply voltage (+5 V = 5, ±5 V = 10) (max) (V)

5.5

Total supply voltage (+5 V = 5, ±5 V = 10) (min) (V)

2.1

Rail-to-rail

In, Out

GBW (typ) (MHz)

1

Slew rate (typ) (V/µs)

0.5

Vos (offset voltage at 25°C) (max) (mV)

5

Iq per channel (typ) (mA)

0.045

Vn at 1 kHz (typ) (nV√Hz)

35

Rating

Automotive

Operating temperature range (°C)

-40 to 125

Offset drift (typ) (µV/°C)

4

Input bias current (max) (pA)

10

CMRR (typ) (dB)

82

Iout (typ) (A)

0.01

Architecture

CMOS

Input common mode headroom (to negative supply) (typ) (V)

-0.2

Input common mode headroom (to positive supply) (typ) (V)

0.2

Output swing headroom (to negative supply) (typ) (V)

0.018

Output swing headroom (to positive supply) (typ) (V)

-0.018

Package

TSSOP (PW)-14-32 mm² 5 x 6.4

Features

  • Qualified for Automotive Applications
  • AEC-Q100 Qualified With the Following Results:
    • Device Temperature Grade 1: –40°C to
      +125°C Ambient Operating Temperature
      Range
    • Device HBM ESD Classification Level 2
    • Device CDM ESD Classification Level C4B
  • Low Quiescent Current (IQ): 45 µA (Typ)
  • Low Cost
  • Rail-to-Rail Input and Output
  • Single Supply: 2.1 V to 5.5 V
  • Input Bias Current: 0.5 pA (Typ)
  • High Speed: Power With Bandwidth: 1 MHz
  • APPLICATIONS
    • Portable Equipment
    • Battery-Powered Equipment
    • Smoke Alarms
    • CO Detectors
    • HEV/EV and Power Train
    • Infotainment and Cluster
    • Medical Instrumentation

All other trademarks are the property of their respective owners

  • Qualified for Automotive Applications
  • AEC-Q100 Qualified With the Following Results:
    • Device Temperature Grade 1: –40°C to
      +125°C Ambient Operating Temperature
      Range
    • Device HBM ESD Classification Level 2
    • Device CDM ESD Classification Level C4B
  • Low Quiescent Current (IQ): 45 µA (Typ)
  • Low Cost
  • Rail-to-Rail Input and Output
  • Single Supply: 2.1 V to 5.5 V
  • Input Bias Current: 0.5 pA (Typ)
  • High Speed: Power With Bandwidth: 1 MHz
  • APPLICATIONS
    • Portable Equipment
    • Battery-Powered Equipment
    • Smoke Alarms
    • CO Detectors
    • HEV/EV and Power Train
    • Infotainment and Cluster
    • Medical Instrumentation

All other trademarks are the property of their respective owners

Description

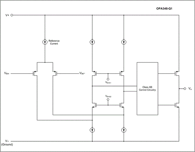
The OPAx348-Q1 series of devices are single-supply, low-power CMOS operational amplifiers. Featuring an extended bandwidth of 1 MHz and a supply current of 45 µA, the OPAx348-Q1 family of devices is useful for low-power applications on single supplies of 2.1 V to 5.5 V.

Low supply current of 45 µA and an input bias current of 0.5 pA make the OPAx348-Q1 family of devices an optimal candidate for low-power, high-impedance applications such as smoke detectors and other sensors.

The OPA348-Q1 device is available in both the SOT23-5 (DBV) and the SOIC (D) packages. The OPA2348-Q1 device is available in the SOIC-8 (D) package. The OPA4348-Q1 device is available in the TSSOP-14 (PW) package. The automotive temperature range of –40°C to +125°C over all supply voltages offers additional design flexibility.

The OPAx348-Q1 series of devices are single-supply, low-power CMOS operational amplifiers. Featuring an extended bandwidth of 1 MHz and a supply current of 45 µA, the OPAx348-Q1 family of devices is useful for low-power applications on single supplies of 2.1 V to 5.5 V.

Low supply current of 45 µA and an input bias current of 0.5 pA make the OPAx348-Q1 family of devices an optimal candidate for low-power, high-impedance applications such as smoke detectors and other sensors.

The OPA348-Q1 device is available in both the SOT23-5 (DBV) and the SOIC (D) packages. The OPA2348-Q1 device is available in the SOIC-8 (D) package. The OPA4348-Q1 device is available in the TSSOP-14 (PW) package. The automotive temperature range of –40°C to +125°C over all supply voltages offers additional design flexibility.

Subscribe to Welllinkchips !
Your Name
* Email
Submit a request