0
TPS62090-Q1
  • TPS62090-Q1
  • TPS62090-Q1

TPS62090-Q1

ACTIVE

Automotive: 3A, 2.5 to 6V input, up to 97% efficiency, 3x3 QFN, Step-Down Converter

Texas Instruments TPS62090-Q1 Product Info

1 April 2026 1

Parameters

Rating

Automotive

Topology

Buck

Iout (max) (A)

3

Vin (max) (V)

6

Vin (min) (V)

2.5

Vout (max) (V)

6

Vout (min) (V)

0.8

Features

Enable, Light Load Efficiency, Light load efficiency, Output discharge, Power good, Synchronous Rectification, Tracking

Control mode

Constant on-time (COT), DCS-Control

Operating temperature range (°C)

-40 to 125

Iq (typ) (A)

0.00002

Duty cycle (max) (%)

100

Package

VQFN (RGT)-16-9 mm² 3 x 3

Features

  • Qualified for automotive applications
  • AEC-Q100 qualified with the following results:
    • Device temperature grade 1: –40°C to 125°C junction operating temperature range
    • Device HBM ESD classification level H2
    • Device CDM ESD classification level C6
  • 2.5V to 6V input voltage range
  • DCS-Control
  • 95% converter efficiency
  • Power save mode
  • 20µA operating quiescent current
  • 100% duty cycle for lowest dropout
  • 2.8MHz and 1.4MHz typical switching frequency
  • 0.8V to VIN adjustable output voltage
  • Output discharge function
  • Adjustable soft start
  • Hiccup short-circuit protection
  • Output voltage tracking
  • Wide output capacitance selection
  • Available in 3mm × 3mm, 16-pin QFN package
  • New product available: TPS62813-Q1, 6V step-down converter in 2mm × 3mm QFN package with wettable flanks
  • Qualified for automotive applications
  • AEC-Q100 qualified with the following results:
    • Device temperature grade 1: –40°C to 125°C junction operating temperature range
    • Device HBM ESD classification level H2
    • Device CDM ESD classification level C6
  • 2.5V to 6V input voltage range
  • DCS-Control
  • 95% converter efficiency
  • Power save mode
  • 20µA operating quiescent current
  • 100% duty cycle for lowest dropout
  • 2.8MHz and 1.4MHz typical switching frequency
  • 0.8V to VIN adjustable output voltage
  • Output discharge function
  • Adjustable soft start
  • Hiccup short-circuit protection
  • Output voltage tracking
  • Wide output capacitance selection
  • Available in 3mm × 3mm, 16-pin QFN package
  • New product available: TPS62813-Q1, 6V step-down converter in 2mm × 3mm QFN package with wettable flanks

Description

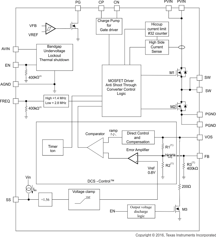
The TPS62090-Q1 devices are a family of high-frequency, synchronous, step-down converters optimized for small design size, high efficiency, and are designed for battery-powered applications. To maximize efficiency, the converters operate in pulse width modulation (PWM) mode with a nominal switching frequency of 2.8MHz to 1.4MHz and automatically enter power save mode operation at light load currents. When used in distributed power supplies and point-of-load regulation, the devices allow voltage tracking to other voltage rails and tolerate output capacitors ranging from 10µF up to 150µF and beyond. Using the DCS-Control topology, the devices achieve excellent load transient performance and accurate output voltage regulation.

The output voltage start-up ramp is controlled by the SS pin, which allows operation as either a standalone power supply or in tracking configurations. Power sequencing is also possible by configuring the enable and power good pins. In power save mode, the devices operate at typically 20µA quiescent current. Power save mode is entered automatically and seamlessly maintaining high efficiency over the entire load current range.

The TPS62090-Q1 devices are a family of high-frequency, synchronous, step-down converters optimized for small design size, high efficiency, and are designed for battery-powered applications. To maximize efficiency, the converters operate in pulse width modulation (PWM) mode with a nominal switching frequency of 2.8MHz to 1.4MHz and automatically enter power save mode operation at light load currents. When used in distributed power supplies and point-of-load regulation, the devices allow voltage tracking to other voltage rails and tolerate output capacitors ranging from 10µF up to 150µF and beyond. Using the DCS-Control topology, the devices achieve excellent load transient performance and accurate output voltage regulation.

The output voltage start-up ramp is controlled by the SS pin, which allows operation as either a standalone power supply or in tracking configurations. Power sequencing is also possible by configuring the enable and power good pins. In power save mode, the devices operate at typically 20µA quiescent current. Power save mode is entered automatically and seamlessly maintaining high efficiency over the entire load current range.

Subscribe to Welllinkchips !
Your Name
* Email
Submit a request