0
TPS61240
  • TPS61240
  • TPS61240
  • TPS61240

TPS61240

ACTIVE

2.3-V to 5.5-V input range, 3.5-MHz fixed frequency 450-mA boost converter

Texas Instruments TPS61240 Product Info

1 April 2026 1

Parameters

Rating

Catalog

Topology

Boost

Vin (max) (V)

5.5

Vin (min) (V)

2.3

Vout (max) (V)

5

Vout (min) (V)

5

Switch current limit (typ) (A)

0.6

Features

Enable, Light Load Efficiency, Load Disconnect, Synchronous rectification

Operating temperature range (°C)

-40 to 125

Iq (typ) (A)

0.00003

Duty cycle (max) (%)

100

Package

DSBGA (YFF)-6-1.4000000000000001 mm² 1 x 1.4000000000000001

Features

  • Efficiency > 90% at Nominal Operating Conditions
  • Total DC Output Voltage Accuracy 5.0 V±2%
  • Typical 30-µA Quiescent Current
  • Best in Class Line and Load Transient
  • Wide VIN Range From 2.3 V to 5.5 V
  • Output Current up to 450 mA
  • Automatic PFM/PWM Mode Transition
  • Low Ripple Power Save Mode for Improved
    Efficiency at Light Loads
  • Internal Softstart, 250-μs Typical Start-Up Time
  • 3.5-MHz Typical Operating Frequency
  • Load Disconnect During Shutdown
  • Current Overload and Thermal Shutdown
    Protection
  • Three Surface-Mount External Components
    Required (One MLCC Inductor, Two Ceramic
    Capacitors)
  • Total Solution Size <13 mm2
  • Available in a 6-Pin DSBGA and 2-mm × 2-mm
    WSON Package
  • Efficiency > 90% at Nominal Operating Conditions
  • Total DC Output Voltage Accuracy 5.0 V±2%
  • Typical 30-µA Quiescent Current
  • Best in Class Line and Load Transient
  • Wide VIN Range From 2.3 V to 5.5 V
  • Output Current up to 450 mA
  • Automatic PFM/PWM Mode Transition
  • Low Ripple Power Save Mode for Improved
    Efficiency at Light Loads
  • Internal Softstart, 250-μs Typical Start-Up Time
  • 3.5-MHz Typical Operating Frequency
  • Load Disconnect During Shutdown
  • Current Overload and Thermal Shutdown
    Protection
  • Three Surface-Mount External Components
    Required (One MLCC Inductor, Two Ceramic
    Capacitors)
  • Total Solution Size <13 mm2
  • Available in a 6-Pin DSBGA and 2-mm × 2-mm
    WSON Package

Description

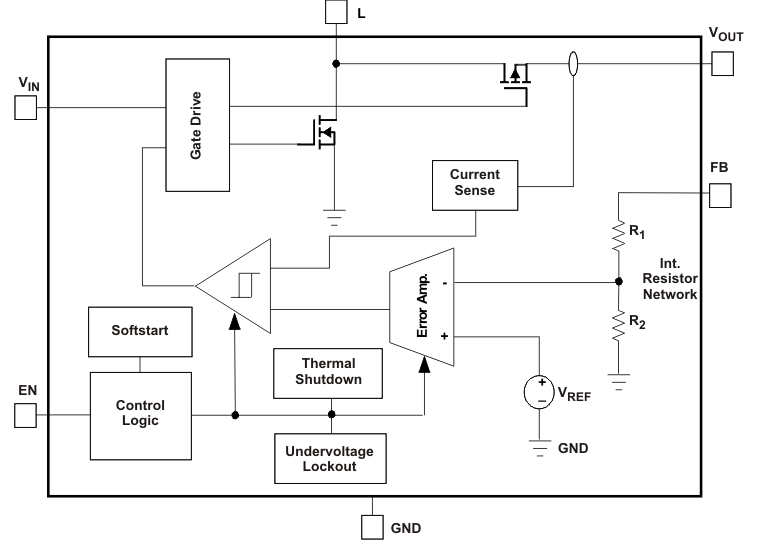
The TPS6124x device is a highly efficient synchronous step-up DC-DC converter optimized for products powered by either a three-cell alkaline, NiCd or NiMH, or one-cell Li-Ion or Li-Polymer battery. The TPS6124x supports output currents up to 450 mA. The TPS61240 has an input valley current limit of 500 mA, and the TPS61241 has an input valley current of 600 mA.

With an input voltage range of 2.3 V to 5.5 V, the device supports batteries with extended voltage range and are ideal to power portable applications like mobile phones and other portable equipment. The TPS6124x boost converter is based on a quasi-constant on-time valley current mode control scheme.

The TPS6124x presents a high impedance at the VOUT pin when shut down. This allows for use in applications that require the regulated output bus to be driven by another supply while the TPS6124x is shut down.

During light loads the device will automatically pulse skip allowing maximum efficiency at lowest quiescent currents. In the shutdown mode, the current consumption is reduced to less than 1 µA.

TPS6124x allows the use of small inductors and capacitors to achieve a small solution size. During shutdown, the load is completely disconnected from the battery. The TPS6124x is available in a 6-pin DSBGA and 2-mm × 2-mm WSON package.

The TPS6124x device is a highly efficient synchronous step-up DC-DC converter optimized for products powered by either a three-cell alkaline, NiCd or NiMH, or one-cell Li-Ion or Li-Polymer battery. The TPS6124x supports output currents up to 450 mA. The TPS61240 has an input valley current limit of 500 mA, and the TPS61241 has an input valley current of 600 mA.

With an input voltage range of 2.3 V to 5.5 V, the device supports batteries with extended voltage range and are ideal to power portable applications like mobile phones and other portable equipment. The TPS6124x boost converter is based on a quasi-constant on-time valley current mode control scheme.

The TPS6124x presents a high impedance at the VOUT pin when shut down. This allows for use in applications that require the regulated output bus to be driven by another supply while the TPS6124x is shut down.

During light loads the device will automatically pulse skip allowing maximum efficiency at lowest quiescent currents. In the shutdown mode, the current consumption is reduced to less than 1 µA.

TPS6124x allows the use of small inductors and capacitors to achieve a small solution size. During shutdown, the load is completely disconnected from the battery. The TPS6124x is available in a 6-pin DSBGA and 2-mm × 2-mm WSON package.

Subscribe to Welllinkchips !
Your Name
* Email
Submit a request