0
BQ24600
  • BQ24600
  • BQ24600

BQ24600

ACTIVE

Standalone 1-6 cell Buck battery charge controller

Texas Instruments BQ24600 Product Info

1 April 2026 0

Parameters

Rating

Catalog

Number of series cells

1, 2, 3, 4, 5, 6

Cell chemistry

Li-Ion/Li-Polymer

Charge current (max) (A)

10

Features

BAT temp thermistor monitoring (hot/cold profile), Power Path

Vin (min) (V)

5

Vin (max) (V)

28

Absolute max Vin (max) (V)

33

Control topology

Switch-Mode Buck

Battery charge voltage (min) (V)

2.1

Battery charge voltage (max) (V)

26

Control interface

Standalone (RC-Settable)

Operating temperature range (°C)

-40 to 85

Package

VQFN (RVA)-16-12.25 mm² 3.5 x 3.5

Features

  • 1.2-MHz NMOS-NMOS Synchronous Buck Converter
  • Stand-Alone Charger Support for Li-Ion or Li-Polymer
  • 5-V – 28-V VCC Input Voltage Range and Supports
    1S-6S Battery Cells
  • Up to 10-A Charge Current and Adapter Current
  • High-Accuracy Voltage and Current Regulation
    • ±0.5% Charge-Voltage Accuracy
    • ±3% Charge-Current Accuracy
  • Integration
    • Internal Loop Compensation
    • Internal Soft Start
  • Safety
    • Input Overvoltage Protection
    • Battery Thermistor Sense Hot/Cold Charge Suspend
    • Battery Detection
    • Built-In Safety Timer
    • Charge Overcurrent Protection
    • Battery Short Protection
    • Battery Overvoltage Protection
    • Thermal Shutdown
  • Status Outputs
    • Adapter Present
    • Charger Operation Status
  • Charge Enable Pin
  • 6-V Gate Drive for Synchronous Power Converter
  • 30-ns Driver Dead-Time and 99.5% Max. Effective Duty Cycle
  • 16-Pin 3.5-mm × 3.5-mm QFN package
  • Energy Star Low Quiescent Current Iq
    • < 15-µA Off-State Battery Discharge Current
    • < 1.5-mA Off-State Input Quiescent Current
  • 1.2-MHz NMOS-NMOS Synchronous Buck Converter
  • Stand-Alone Charger Support for Li-Ion or Li-Polymer
  • 5-V – 28-V VCC Input Voltage Range and Supports
    1S-6S Battery Cells
  • Up to 10-A Charge Current and Adapter Current
  • High-Accuracy Voltage and Current Regulation
    • ±0.5% Charge-Voltage Accuracy
    • ±3% Charge-Current Accuracy
  • Integration
    • Internal Loop Compensation
    • Internal Soft Start
  • Safety
    • Input Overvoltage Protection
    • Battery Thermistor Sense Hot/Cold Charge Suspend
    • Battery Detection
    • Built-In Safety Timer
    • Charge Overcurrent Protection
    • Battery Short Protection
    • Battery Overvoltage Protection
    • Thermal Shutdown
  • Status Outputs
    • Adapter Present
    • Charger Operation Status
  • Charge Enable Pin
  • 6-V Gate Drive for Synchronous Power Converter
  • 30-ns Driver Dead-Time and 99.5% Max. Effective Duty Cycle
  • 16-Pin 3.5-mm × 3.5-mm QFN package
  • Energy Star Low Quiescent Current Iq
    • < 15-µA Off-State Battery Discharge Current
    • < 1.5-mA Off-State Input Quiescent Current

Description

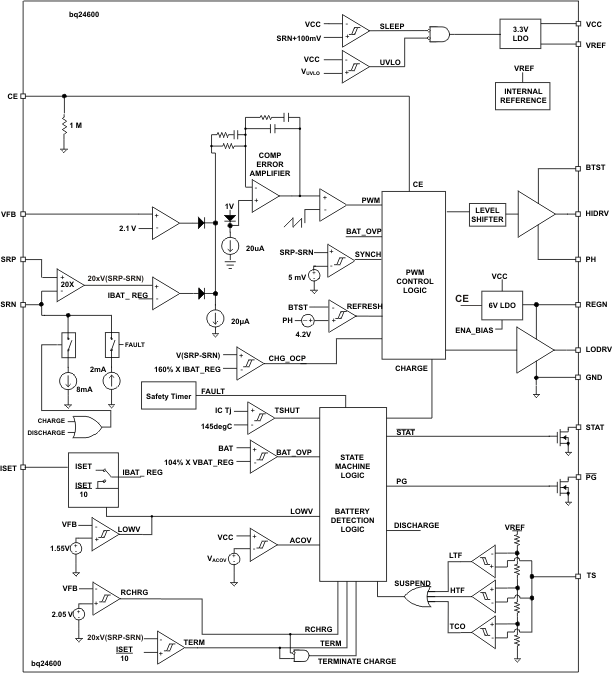
The bq24600 is a highly integrated Li-ion or Li-polymer switch-mode battery-charge controller. It offers a constant-frequency synchronous PWM controller with high-accuracy charge current and voltage regulation, charge preconditioning, termination, and charge status monitoring,

The bq24600 charges the battery in three phases: preconditioning, constant current, and constant voltage. Charge is terminated when the current reaches a minimum level. An internal charge timer provides a safety backup. The bq24600 automatically restarts the charge cycle if the battery voltage falls below an internal threshold, and enters a low-quiescent-current sleep mode when the input voltage falls below the battery voltage.

The bq24600 is a highly integrated Li-ion or Li-polymer switch-mode battery-charge controller. It offers a constant-frequency synchronous PWM controller with high-accuracy charge current and voltage regulation, charge preconditioning, termination, and charge status monitoring,

The bq24600 charges the battery in three phases: preconditioning, constant current, and constant voltage. Charge is terminated when the current reaches a minimum level. An internal charge timer provides a safety backup. The bq24600 automatically restarts the charge cycle if the battery voltage falls below an internal threshold, and enters a low-quiescent-current sleep mode when the input voltage falls below the battery voltage.

Subscribe to Welllinkchips !
Your Name
* Email
Submit a request