0
TPS61177
  • TPS61177
  • TPS61177

TPS61177

ACTIVE

WLED driver for notebook and Tablet display with Mixed Mode dimming

Texas Instruments TPS61177 Product Info

1 April 2026 0

Parameters

Number of channels

6

Vin (min) (V)

2.5

Vin (max) (V)

24

Vout (min) (V)

4.5

Vout (max) (V)

39

Type

Inductive

Switching frequency (max) (kHz)

1200

Duty cycle (max) (%)

95

LED current per channel (mA)

30

Peak efficiency (%)

95

Topology

Boost

Features

Analog Dimming, Analog/PWM mixed dimming, Direct PWM Dimming

Operating temperature range (°C)

-40 to 85

Rating

Catalog

Package

VQFN (RGR)-20-12.25 mm² 3.5 x 3.5

Features

  • 2.5V to 24V Input Voltage Range
  • 39 V Maximum Output Voltage
  • Integrated 1.8 A /40 V MOSFET
  • 450 kHz to 1.2 MHz Programmable Switching Frequency
  • Adaptive Boost Output to WLED Voltages
  • 100Hz to 25kHz Wide Input PWM Dimming Frequency Range
  • 1% Minimum Dimming Duty Cycle
  • Small External Components
  • Integrated Loop Compensation
  • Six Current Sinks of 30mA Max
  • 1% (Typical) Current Matching
  • Input PWM Glitch Filter
  • PWM Brightness Interface Control
  • Three Optional Dimming Methods, Including Direct PWM Dimming, Analog Dimming and Analog/PWM Mixed Dimming
  • Built-in WLED Open Protection
  • Thermal Shutdown
  • 20 Leads 3.5mm × 3.5mm × 0.9mm QFN Package
  • 2.5V to 24V Input Voltage Range
  • 39 V Maximum Output Voltage
  • Integrated 1.8 A /40 V MOSFET
  • 450 kHz to 1.2 MHz Programmable Switching Frequency
  • Adaptive Boost Output to WLED Voltages
  • 100Hz to 25kHz Wide Input PWM Dimming Frequency Range
  • 1% Minimum Dimming Duty Cycle
  • Small External Components
  • Integrated Loop Compensation
  • Six Current Sinks of 30mA Max
  • 1% (Typical) Current Matching
  • Input PWM Glitch Filter
  • PWM Brightness Interface Control
  • Three Optional Dimming Methods, Including Direct PWM Dimming, Analog Dimming and Analog/PWM Mixed Dimming
  • Built-in WLED Open Protection
  • Thermal Shutdown
  • 20 Leads 3.5mm × 3.5mm × 0.9mm QFN Package

Description

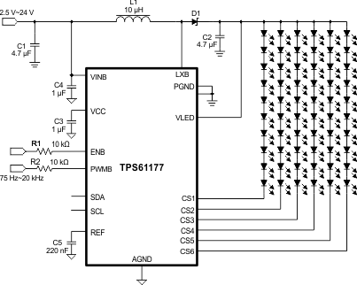
The TPS61177 IC provides a highly integrated WLED driver solution for notebook LCD backlight. This device has a built-in high efficiency boost regulator with integrated 1.8A /40V power MOSFET. The six current sink regulators provide high precision current regulation and matching. In total, the device can support up to 72 WLEDs. In addition, the boost output automatically adjusts its voltage to the WLED forward voltage to optimize efficiency.

The TPS61177 supports the analog dimming, analog/PWM dimming and direct PWM dimming method. During analog dimming mode, each CS current linearly varies depending on the duty cycle information on the PWMB pins. During analog and PWM mixed dimming mode, the input PWM duty cycle information is translated to analog signal to control the WLED current linearly over 25% to 100% brightness area. And the device also allows adding PWM dimming when the analog current down to 25%. Below 25%, the analog signal will translate to PWM duty cycle information to control the on/off of WLED current and average the WLED current down to 1%. The frequency of adding PWM dimming is same to input PWM frequency on the PWMB pin. While the TPS61177 also supports direct PWM dimming method, in direct PWM dimming mode the WLED current is turned on/off synchronized with the input PWM signal.

The TPS61177 IC provides a highly integrated WLED driver solution for notebook LCD backlight. This device has a built-in high efficiency boost regulator with integrated 1.8A /40V power MOSFET. The six current sink regulators provide high precision current regulation and matching. In total, the device can support up to 72 WLEDs. In addition, the boost output automatically adjusts its voltage to the WLED forward voltage to optimize efficiency.

The TPS61177 supports the analog dimming, analog/PWM dimming and direct PWM dimming method. During analog dimming mode, each CS current linearly varies depending on the duty cycle information on the PWMB pins. During analog and PWM mixed dimming mode, the input PWM duty cycle information is translated to analog signal to control the WLED current linearly over 25% to 100% brightness area. And the device also allows adding PWM dimming when the analog current down to 25%. Below 25%, the analog signal will translate to PWM duty cycle information to control the on/off of WLED current and average the WLED current down to 1%. The frequency of adding PWM dimming is same to input PWM frequency on the PWMB pin. While the TPS61177 also supports direct PWM dimming method, in direct PWM dimming mode the WLED current is turned on/off synchronized with the input PWM signal.

Subscribe to Welllinkchips !
Your Name
* Email
Submit a request