0
TPS60252
  • TPS60252
  • TPS60252

TPS60252

ACTIVE

High efficiency charge pump for 7 WLEDs with I2C interface with 0x76 I2C slave address

Texas Instruments TPS60252 Product Info

1 April 2026 0

Parameters

Number of channels

7

Vin (min) (V)

3

Vin (max) (V)

6

Vout (min) (V)

2.7

Vout (max) (V)

6.5

Type

Capacitive

Switching frequency (max) (kHz)

875

Duty cycle (max) (%)

0.23

LED current per channel (mA)

25

Peak efficiency (%)

93

Topology

Boost

Features

Analog Dimming, Enable/Shutdown, Fault Detection, I2C control, Integrated Switch, Load Disconnect During Shutdown, OVP, Soft Start, Synchronous Rectification

Operating temperature range (°C)

-40 to 85

Rating

Catalog

Package

WQFN (RTE)-16-9 mm² 3 x 3

Features

  • 3.0 V to 6.0 V Input Voltage Range
  • ×1 and ×1.5 Charge Pump
  • Fully Programmable Current with I2C
    • 64 Dimming Steps with 25mA Maximum (Sub and Main Display Banks)
    • 4 Dimming Steps with 80mA Maximum (DM5 for Auxiliary Application)
  • 2% Current Matching for Sub LEDs at Light Load Condition (Each 100µA)
  • 750 kHz Charge Pump Frequency
  • Continuous 230mA Maximum Output Current
  • Auto Switching Between ×1 and ×1.5 Mode for Maximum Efficiency
  • Built-in Soft Start and Current Limit
  • Open Lamp Detection
  • 16-Pin 3mm x 3mm QFN
  • TPS60250 (I2C Slave Address: 1110111)
  • TPS60252 (I2C Slave Address: 1110110)
  • APPLICATIONS
    • Cellular Phones
    • PDA, PMP, GPS (Up To 4 Inch LCD Display)
    • Multidisplay Handheld Devices
  • 3.0 V to 6.0 V Input Voltage Range
  • ×1 and ×1.5 Charge Pump
  • Fully Programmable Current with I2C
    • 64 Dimming Steps with 25mA Maximum (Sub and Main Display Banks)
    • 4 Dimming Steps with 80mA Maximum (DM5 for Auxiliary Application)
  • 2% Current Matching for Sub LEDs at Light Load Condition (Each 100µA)
  • 750 kHz Charge Pump Frequency
  • Continuous 230mA Maximum Output Current
  • Auto Switching Between ×1 and ×1.5 Mode for Maximum Efficiency
  • Built-in Soft Start and Current Limit
  • Open Lamp Detection
  • 16-Pin 3mm x 3mm QFN
  • TPS60250 (I2C Slave Address: 1110111)
  • TPS60252 (I2C Slave Address: 1110110)
  • APPLICATIONS
    • Cellular Phones
    • PDA, PMP, GPS (Up To 4 Inch LCD Display)
    • Multidisplay Handheld Devices

Description

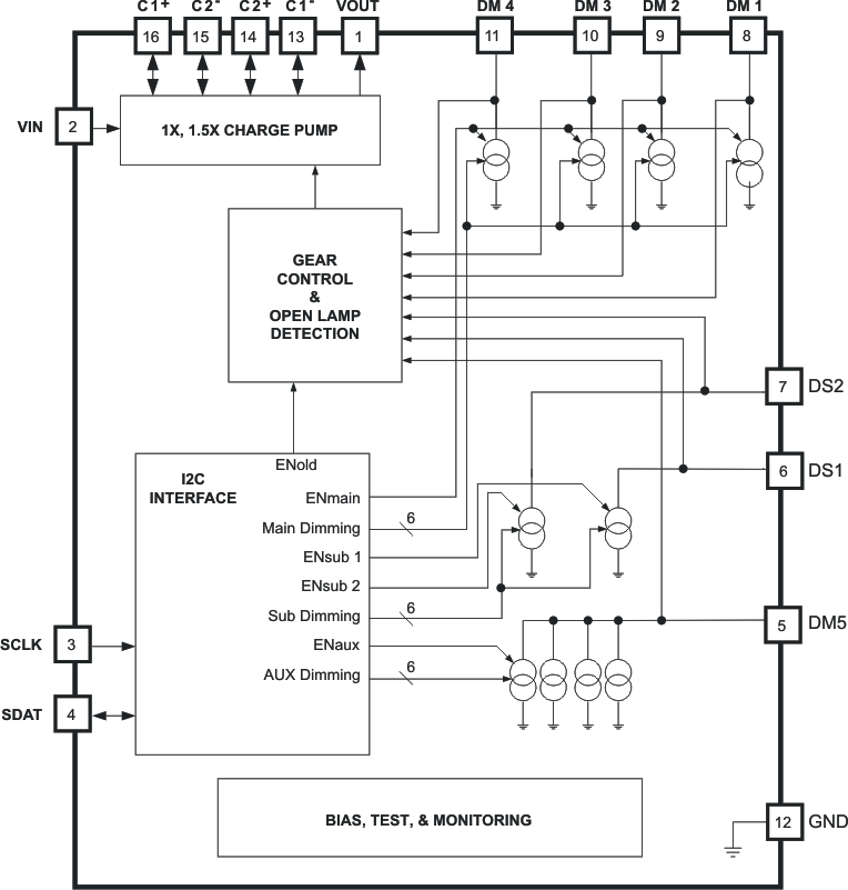
The TPS60250/2 are high efficiency, constant frequency charge pump DC/DC converters that use dual mode 1× and 1.5× conversions to maximize efficiency over the input voltage range. The devices drive up to five white LEDs for the main display and up to two white LEDs for the sub display with regulated constant current for uniform intensity. By utilizing adaptive 1×/1.5× charge pump modes and very low-dropout current regulators, the TPS60250/2 achieve high efficiency over the full 1-cell lithium-battery input voltage range.

Four enable inputs, ENmain, ENsub1, ENsub2, and ENaux, available through the I2C, are used for simple on/off controls for the independent main, sub1, sub2, and DM5 displays, respectively. To lower the operating current when using one sub display LED, the devices provide completely separate operation for the sub display LEDs.

The TPS60250/2 are available in a 16-pin 3mm x 3mm thin QFN.

The TPS60250/2 are high efficiency, constant frequency charge pump DC/DC converters that use dual mode 1× and 1.5× conversions to maximize efficiency over the input voltage range. The devices drive up to five white LEDs for the main display and up to two white LEDs for the sub display with regulated constant current for uniform intensity. By utilizing adaptive 1×/1.5× charge pump modes and very low-dropout current regulators, the TPS60250/2 achieve high efficiency over the full 1-cell lithium-battery input voltage range.

Four enable inputs, ENmain, ENsub1, ENsub2, and ENaux, available through the I2C, are used for simple on/off controls for the independent main, sub1, sub2, and DM5 displays, respectively. To lower the operating current when using one sub display LED, the devices provide completely separate operation for the sub display LEDs.

The TPS60250/2 are available in a 16-pin 3mm x 3mm thin QFN.

Subscribe to Welllinkchips !
Your Name
* Email
Submit a request