0
BQ3060
  • BQ3060
  • BQ3060

BQ3060

ACTIVE

SBS 1.1-compliant gas gauge and protector

Texas Instruments BQ3060 Product Info

1 April 2026 1

Parameters

Cell chemistry

Li-Ion/Li-Polymer

Number of series cells

2-4 Cells

Communication interface

SMBus

Battery capacity (min) (mAh)

500

Battery capacity (max) (mAh)

32000

Implementation

Pack

External capacity indication

None

Features

Integrated Protector, SHA-1 Authentication

Operating temperature range (°C)

-40 to 85

Cell balancing

External

Rating

Catalog

Package

TSSOP (PW)-24-49.92 mm² 7.8 x 6.4

Features

  • Advanced CEDV (Compensated End-of-Discharge Voltage) Gauging
  • Fully Integrated 2, 3, and 4 Series Li-Ion or Li-Polymer Cell Battery Pack Manager
  • 8-Bit RISC CPU With Ultra-Low Power Modes
  • Full Array of Programmable Protection Features
    • Voltage, Current, and Temperature
  • SHA-1 Authentication
  • Flexible Memory Architecture With Integrated Flash Memory
  • Supports Two-Wire SMBus v1.1 Interface With High-speed 400kHz Programming Option
  • P-CH High Side Protection FET Drive
  • Low Power Consumption Sleep Mode: < 69 µA
  • High-Accuracy Analog Front End With Two Independent ADCs
    • High-Resolution, 15~22-bit Integrator for Coulomb Counting
    • 16-Bit Delta-Sigma ADC With a 16-Channel Multiplexer for Voltage, Current, and Temperature
  • Ultra Compact Package: 24-Pin TSSOP PW
  • Advanced CEDV (Compensated End-of-Discharge Voltage) Gauging
  • Fully Integrated 2, 3, and 4 Series Li-Ion or Li-Polymer Cell Battery Pack Manager
  • 8-Bit RISC CPU With Ultra-Low Power Modes
  • Full Array of Programmable Protection Features
    • Voltage, Current, and Temperature
  • SHA-1 Authentication
  • Flexible Memory Architecture With Integrated Flash Memory
  • Supports Two-Wire SMBus v1.1 Interface With High-speed 400kHz Programming Option
  • P-CH High Side Protection FET Drive
  • Low Power Consumption Sleep Mode: < 69 µA
  • High-Accuracy Analog Front End With Two Independent ADCs
    • High-Resolution, 15~22-bit Integrator for Coulomb Counting
    • 16-Bit Delta-Sigma ADC With a 16-Channel Multiplexer for Voltage, Current, and Temperature
  • Ultra Compact Package: 24-Pin TSSOP PW

Description

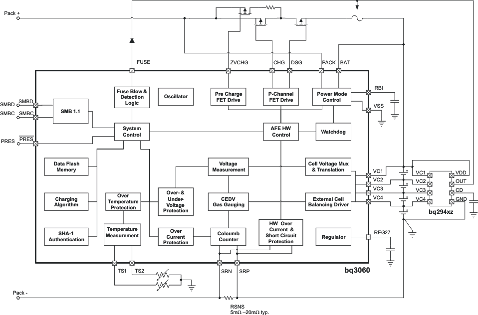
The Texas Instruments bq3060 Battery Manager is a fully integrated, single-chip, pack-based solution that provides a rich array of features for gas gauging, protection, and authentication for 2, 3, or 4 series cell Li-Ion battery packs. With a footprint of merely 7.8 mm × 6.4 mm in a compact 24-pin TSSOP package, the bq3060 maximizes functionality and safety while dramatically cutting the solution cost and size for smart batteries.

Using its integrated high-performance analog peripherals, the bq3060 measures and maintains an accurate record of available capacity, voltage, current, temperature, and other critical parameters in Li-Ion or Li-Polymer batteries, and reports the information to the system host controller over an SMBus 1.1-compatible interface.

The bq3060 provides software-first level and second level safety protection on overvoltage, undervoltage, overtemperature, and overcharge, as well as hardware-overcurrent in discharge, short circuit in charge, and discharge protection.

The Texas Instruments bq3060 Battery Manager is a fully integrated, single-chip, pack-based solution that provides a rich array of features for gas gauging, protection, and authentication for 2, 3, or 4 series cell Li-Ion battery packs. With a footprint of merely 7.8 mm × 6.4 mm in a compact 24-pin TSSOP package, the bq3060 maximizes functionality and safety while dramatically cutting the solution cost and size for smart batteries.

Using its integrated high-performance analog peripherals, the bq3060 measures and maintains an accurate record of available capacity, voltage, current, temperature, and other critical parameters in Li-Ion or Li-Polymer batteries, and reports the information to the system host controller over an SMBus 1.1-compatible interface.

The bq3060 provides software-first level and second level safety protection on overvoltage, undervoltage, overtemperature, and overcharge, as well as hardware-overcurrent in discharge, short circuit in charge, and discharge protection.

Subscribe to Welllinkchips !
Your Name
* Email
Submit a request