0
TPS563211
  • TPS563211
  • TPS563211

TPS563211

ACTIVE

4.2-V to 18-V, 3-A, synchronous buck converter with 1% accuracy, PG/SS and PFM/forced-PWM in SOT583

Texas Instruments TPS563211 Product Info

1 April 2026 0

Parameters

Rating

Catalog

Topology

Buck

Iout (max) (A)

3

Vin (max) (V)

18

Vin (min) (V)

4.2

Vout (max) (V)

7

Vout (min) (V)

0.6

Features

Enable, Forced PWM, Light-load efficiency, Overcurrent protection, Power good, Soft Start Adjustable, Soft-start adjustable

Control mode

ACM/AECM

Operating temperature range (°C)

-40 to 125

Iq (typ) (A)

0.00012

Duty cycle (max) (%)

98

Package

SOT-5X3 (DRL)-8-3.36 mm² 2.1 x 1.6

Features

  • Input voltage: 4.2 V to 18 V
  • Output voltage: 0.6 V to 7 V
    • Up to 3-A continuous output current
    • Minimum switching on time: 45 ns
    • Maximum duty cycle: 98%
  • High efficiency
    • Integrated 66-mΩ and 33-mΩ MOSFETs
    • Quiescent current 120-µA typical
  • Highly flexible and easy to use
    • Selectable Eco-mode or FCCM operation
    • Selectable power good indicator or external soft start
    • Precise enable input
  • High accuracy
    • Reference voltage accuracy: ±1% (25°C)
    • Switching frequency tolerance: ±8.5%
  • Small solution size
    • Internal compensation for ease of use
    • SOT583 package
    • Minimum external components
  • Cycle-by-cycle current limit for both high-side and low-side MOSFETs
  • Non-latched OVP, UVP, UVLO, and TSD protections
  • Create a custom design using TPS563211 with the WEBENCH® Power Designer
  • Input voltage: 4.2 V to 18 V
  • Output voltage: 0.6 V to 7 V
    • Up to 3-A continuous output current
    • Minimum switching on time: 45 ns
    • Maximum duty cycle: 98%
  • High efficiency
    • Integrated 66-mΩ and 33-mΩ MOSFETs
    • Quiescent current 120-µA typical
  • Highly flexible and easy to use
    • Selectable Eco-mode or FCCM operation
    • Selectable power good indicator or external soft start
    • Precise enable input
  • High accuracy
    • Reference voltage accuracy: ±1% (25°C)
    • Switching frequency tolerance: ±8.5%
  • Small solution size
    • Internal compensation for ease of use
    • SOT583 package
    • Minimum external components
  • Cycle-by-cycle current limit for both high-side and low-side MOSFETs
  • Non-latched OVP, UVP, UVLO, and TSD protections
  • Create a custom design using TPS563211 with the WEBENCH® Power Designer

Description

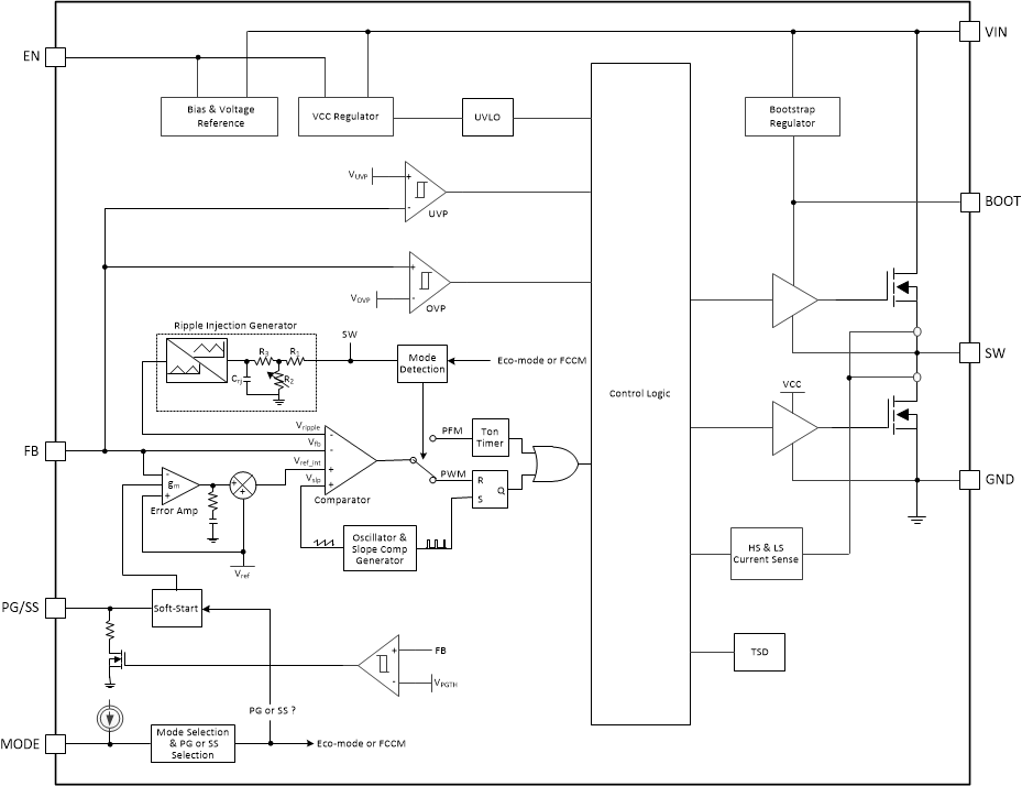
The TPS563211 is a cost effective and highly flexible synchronous buck converter that provides selectable Eco-mode operation or FCCM (Force Continuous Conduction Mode) operation. A selectable Power-Good indicator or external soft start is also configurable through the MODE pin. Power sequencing is possible by correctly configuring Enable, Power-Good indicator, or external soft start. A wide input voltage range of 4.2 V to 18 V supports a wide variety of common input rails like 12 V and 15 V. It supports up to 3-A continuous output current at output voltages between 0.6 V and 7 V.

The device provides fast transient response with true fixed switching frequency through the use of the Advanced Emulated Current Mode (AECM) control topology. With internal smart loop bandwidth control, the device provides fast transient response over a wide output voltage range without the need for external compensation.

Cycle-by-cycle current limit on the high-side peak current protects the device in overload situations and is enhanced by a low-side valley current limit, which prevents current runaway. Hiccup mode would be triggered under overvoltage protection (OVP), undervoltage protection (UVP), UVLO protection, and thermal shutdown.

The device is available in 1.6-mm × 2.1-mm SOT583 package.

The TPS563211 is a cost effective and highly flexible synchronous buck converter that provides selectable Eco-mode operation or FCCM (Force Continuous Conduction Mode) operation. A selectable Power-Good indicator or external soft start is also configurable through the MODE pin. Power sequencing is possible by correctly configuring Enable, Power-Good indicator, or external soft start. A wide input voltage range of 4.2 V to 18 V supports a wide variety of common input rails like 12 V and 15 V. It supports up to 3-A continuous output current at output voltages between 0.6 V and 7 V.

The device provides fast transient response with true fixed switching frequency through the use of the Advanced Emulated Current Mode (AECM) control topology. With internal smart loop bandwidth control, the device provides fast transient response over a wide output voltage range without the need for external compensation.

Cycle-by-cycle current limit on the high-side peak current protects the device in overload situations and is enhanced by a low-side valley current limit, which prevents current runaway. Hiccup mode would be triggered under overvoltage protection (OVP), undervoltage protection (UVP), UVLO protection, and thermal shutdown.

The device is available in 1.6-mm × 2.1-mm SOT583 package.

Subscribe to Welllinkchips !
Your Name
* Email
Submit a request