0
TPS548D21
  • TPS548D21
  • TPS548D21

TPS548D21

ACTIVE

1.5-V to 16-V, 40-A synchronous SWIFT™ buck converter with AVSO and differential remote sense

Texas Instruments TPS548D21 Product Info

1 April 2026 0

Parameters

Rating

Catalog

Topology

Buck

Iout (max) (A)

40

Vin (max) (V)

16

Vin (min) (V)

1.5

Vout (max) (V)

5.5

Vout (min) (V)

0.6

Features

Adaptive/Dynamic Voltage Scaling, Adjustable current limit, Differential Remote Sense, Enable, Forced PWM, Light Load Efficiency, Over Current Protection, Power good, Pre-Bias Start-Up, Soft Start Adjustable, Synchronous Rectification, Tracking, UVLO adjustable, Voltage Margining

Control mode

D-CAP3

Operating temperature range (°C)

-40 to 125

Iq (typ) (A)

0.002

Duty cycle (max) (%)

80

Package

LQFN-CLIP (RVF)-40-35 mm² 7 x 5

Features

  • Conversion Input Voltage Range (PVIN): 1.5 V to 16 V
  • Input Bias Voltage (VDD) Range: 4.5 V to 22 V
  • Output Voltage Range: 0.6 V to 5.5 V
  • Integrated, 2.9-mΩ and 1.2-mΩ Power MOSFETs With 40-A Continuous Output Current
  • Voltage Reference 0.6 V to 1.2 V in 50-mV Steps Using VSEL Pin
  • ±0.5%, 0.9-VREF Tolerance Range: –40°C to +125°C Junction Temperature
  • True Differential Remote Sense Amplifier
  • D-CAP3™ Control Loop
  • Analog AVS Optimization via REFIN_TRK Pin
  • Adaptive On-Time Control with 4 Selectable Frequency Settings: 425 kHz, 650 kHz, 875 kHz, and 1.05 MHz
  • Temperature Compensated and Programmable Current Limit with RILIM and OC Clamp
  • Choice of Hiccup or Latch-Off OVP or UVP
  • VDD UVLO External Adjustment by Precision EN Hysteresis
  • Prebias Start-up Support
  • FCCM Mode During All Operation
  • Full Suite of Fault Protection and PGOOD
  • 7 mm × 5 mm × 1.5 mm, 40-Pin, Stack Clipped LQFN-CLIP Package
  • Create a Custom Design Using the TPS548D21 With the WEBENCH® Power Designer
  • Conversion Input Voltage Range (PVIN): 1.5 V to 16 V
  • Input Bias Voltage (VDD) Range: 4.5 V to 22 V
  • Output Voltage Range: 0.6 V to 5.5 V
  • Integrated, 2.9-mΩ and 1.2-mΩ Power MOSFETs With 40-A Continuous Output Current
  • Voltage Reference 0.6 V to 1.2 V in 50-mV Steps Using VSEL Pin
  • ±0.5%, 0.9-VREF Tolerance Range: –40°C to +125°C Junction Temperature
  • True Differential Remote Sense Amplifier
  • D-CAP3™ Control Loop
  • Analog AVS Optimization via REFIN_TRK Pin
  • Adaptive On-Time Control with 4 Selectable Frequency Settings: 425 kHz, 650 kHz, 875 kHz, and 1.05 MHz
  • Temperature Compensated and Programmable Current Limit with RILIM and OC Clamp
  • Choice of Hiccup or Latch-Off OVP or UVP
  • VDD UVLO External Adjustment by Precision EN Hysteresis
  • Prebias Start-up Support
  • FCCM Mode During All Operation
  • Full Suite of Fault Protection and PGOOD
  • 7 mm × 5 mm × 1.5 mm, 40-Pin, Stack Clipped LQFN-CLIP Package
  • Create a Custom Design Using the TPS548D21 With the WEBENCH® Power Designer

Description

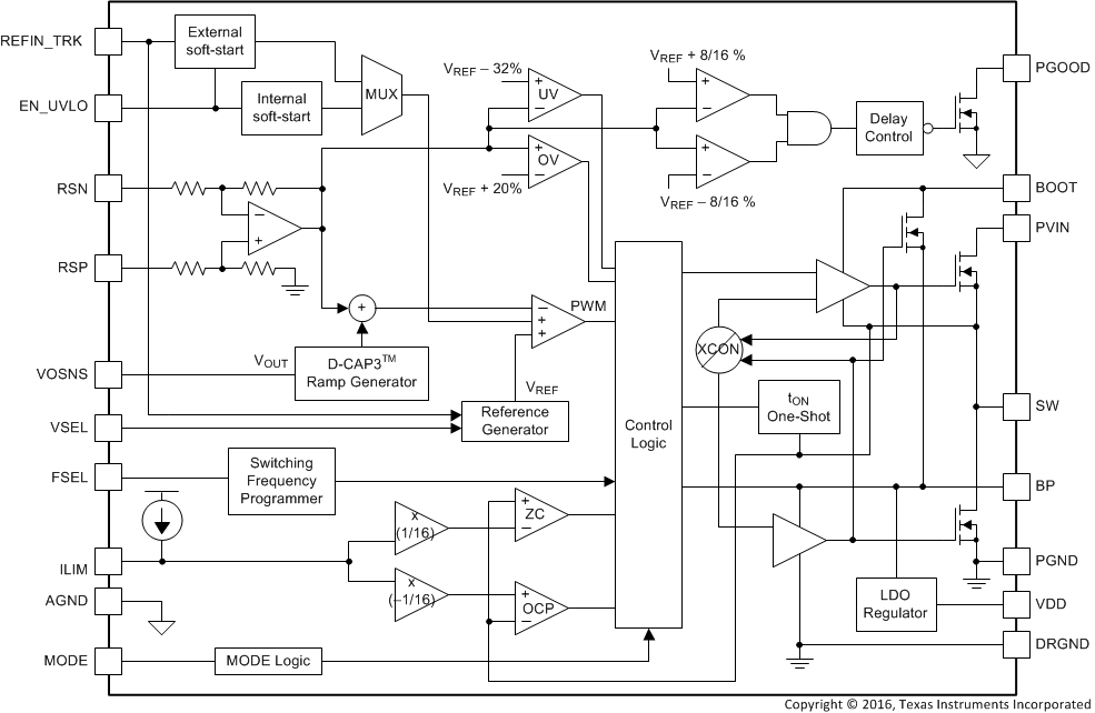
The TPS548D21 device is a compact single buck converter with adaptive on-time, D-CAP3 mode control. It is designed for high accuracy, high efficiency, fast transient response, ease-of-use, low external component count and space-conscious power systems.

This device features full differential sense, TI integrated FETs with a high-side on-resistance of 2.9 mΩ and a low-side on-resistance of 1.2 mΩ. The device also features accurate 0.5%, 0.9-V reference with an ambient temperature range between –40°C and +125°C. Competitive features include: very low external component count, accurate load regulation and line regulation, FCCM mode operation, and internal soft-start control.

The TPS548D21 device is available in 7-mm × 5-mm, 40-pin, LQFN-CLIP (RVF) package (RoHs exempt).

The TPS548D21 device is a compact single buck converter with adaptive on-time, D-CAP3 mode control. It is designed for high accuracy, high efficiency, fast transient response, ease-of-use, low external component count and space-conscious power systems.

This device features full differential sense, TI integrated FETs with a high-side on-resistance of 2.9 mΩ and a low-side on-resistance of 1.2 mΩ. The device also features accurate 0.5%, 0.9-V reference with an ambient temperature range between –40°C and +125°C. Competitive features include: very low external component count, accurate load regulation and line regulation, FCCM mode operation, and internal soft-start control.

The TPS548D21 device is available in 7-mm × 5-mm, 40-pin, LQFN-CLIP (RVF) package (RoHs exempt).

Subscribe to Welllinkchips !
Your Name
* Email
Submit a request