0
TPS6508700
  • TPS6508700
  • TPS6508700

TPS6508700

ACTIVE

PMIC for AMD™ family 17h models 10h-1Fh processors

Texas Instruments TPS6508700 Product Info

1 April 2026 0

Parameters

Processor supplier

AMD

Processor name

Family 17h

Product type

Processor and FPGA

Regulated outputs (#)

13

Step-down DC/DC converter

3

Step-up DC/DC converter

0

LDO

4

Vin (min) (V)

5.6

Vin (max) (V)

21

Vout (min) (V)

-0.3

Vout (max) (V)

5

Iout (max) (A)

25

Configurability

Factory programmable, Software configurable

Features

Comm control, Dynamic voltage scaling, Enable, Enable pin, I2C control, Overcurrent protection, Power good, Power sequencing, Synchronous rectification, Thermal shutdown, UVLO fixed

Rating

Catalog

Operating temperature range (°C)

-40 to 85

Step-down DC/DC controller

3

Step-up DC/DC controller

0

Iq (typ) (mA)

0.3

Switching frequency (max) (kHz)

3100

Shutdown current (ISD) (typ) (µA)

65

Switching frequency (typ) (kHz)

2500

Package

VQFN (RSK)-64-64 mm² 8 x 8

Features

  • Wide VIN range from 5.6V to 21V
  • Three variable-output voltage synchronous step-down controllers with D-CAP2™ topology
    • Scalable output current using external FETs with selectable current limit
    • I2C dynamic voltage scaling (DVS) Control for BUCK2 and BUCK6, external feedback for BUCK1
  • Three variable-output voltage synchronous step-down converters with DCS-Control™ topology and I2C DVS capabilities
    • VIN range from 4.5V to 5.5V
    • VOUT range from 0.425V to 3.575V
    • Up to 3A of output current
  • Three LDO regulators with adjustable output voltage
    • LDOA1: I2C-selectable output voltage from 1.35V to 3.3V for up to 200mA of output current
    • LDOA2 and LDOA3: I2C-selectable output voltage from 0.7V to 1.5V for up to 600mA of output current
  • LDO with BUCK6 as input voltage
  • Three load switches with slew rate control
    • Up to 300mA of output current with voltage drop less than 1.5% of nominal input voltage
    • RDSON < 96mΩ at input voltage of 1.8V
  • 5V fixed-output voltage LDO (LDO5)
    • Power supply for gate drivers of SMPS and for LDOA1
    • Automatic switch to 5V buck for higher efficiency
  • Built-in sequencing by factory OTP programming
    • CTL1, CTL4, and CTL5 used for G3’, G3, S5, and S0 state selection
    • GPO1 and GPO2 Used for PG_S0 and PG_S5
    • Open-drain interrupt output pin
  • I2C interface supports:
    • Standard mode (100kHz)
    • Fast mode (400kHz)
    • Fast mode plus (1MHz)
  • Wide VIN range from 5.6V to 21V
  • Three variable-output voltage synchronous step-down controllers with D-CAP2™ topology
    • Scalable output current using external FETs with selectable current limit
    • I2C dynamic voltage scaling (DVS) Control for BUCK2 and BUCK6, external feedback for BUCK1
  • Three variable-output voltage synchronous step-down converters with DCS-Control™ topology and I2C DVS capabilities
    • VIN range from 4.5V to 5.5V
    • VOUT range from 0.425V to 3.575V
    • Up to 3A of output current
  • Three LDO regulators with adjustable output voltage
    • LDOA1: I2C-selectable output voltage from 1.35V to 3.3V for up to 200mA of output current
    • LDOA2 and LDOA3: I2C-selectable output voltage from 0.7V to 1.5V for up to 600mA of output current
  • LDO with BUCK6 as input voltage
  • Three load switches with slew rate control
    • Up to 300mA of output current with voltage drop less than 1.5% of nominal input voltage
    • RDSON < 96mΩ at input voltage of 1.8V
  • 5V fixed-output voltage LDO (LDO5)
    • Power supply for gate drivers of SMPS and for LDOA1
    • Automatic switch to 5V buck for higher efficiency
  • Built-in sequencing by factory OTP programming
    • CTL1, CTL4, and CTL5 used for G3’, G3, S5, and S0 state selection
    • GPO1 and GPO2 Used for PG_S0 and PG_S5
    • Open-drain interrupt output pin
  • I2C interface supports:
    • Standard mode (100kHz)
    • Fast mode (400kHz)
    • Fast mode plus (1MHz)

Description

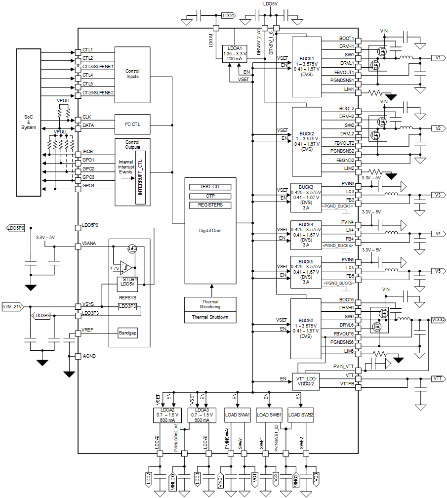
The TPS6508700 device is a single-chip power-management IC (PMIC) designed for the AMD™ family 17h models 10h-1Fh processors targeted for notebooks and all-in-one desktops. The TPS6508700 device offers an input range from 5.6V to 21V, enabling use in a wide range of applications. The device is well suited for NVDC and non-NVDC power architecture using 2S, 3S, or 4S Li-Ion battery packs. The D-CAP2™ and DCS-Control™ high-frequency voltage regulators use small inductors and capacitors to achieve a small solution size. The D-CAP2 and DCS-control topologies have excellent transient response performance, which is optimal for processor core and system memory rails that have fast load switching. An I2C interface allows simple control either by an embedded controller (EC) or by a system on chip (SoC). The PMIC comes in an 8mm × 8mm, single-row VQFN package with thermal pad for good thermal dissipation and ease of board routing.

The TPS6508700 device is a single-chip power-management IC (PMIC) designed for the AMD™ family 17h models 10h-1Fh processors targeted for notebooks and all-in-one desktops. The TPS6508700 device offers an input range from 5.6V to 21V, enabling use in a wide range of applications. The device is well suited for NVDC and non-NVDC power architecture using 2S, 3S, or 4S Li-Ion battery packs. The D-CAP2™ and DCS-Control™ high-frequency voltage regulators use small inductors and capacitors to achieve a small solution size. The D-CAP2 and DCS-control topologies have excellent transient response performance, which is optimal for processor core and system memory rails that have fast load switching. An I2C interface allows simple control either by an embedded controller (EC) or by a system on chip (SoC). The PMIC comes in an 8mm × 8mm, single-row VQFN package with thermal pad for good thermal dissipation and ease of board routing.

Subscribe to Welllinkchips !
Your Name
* Email
Submit a request