0
OPT3004
  • OPT3004
  • OPT3004
  • OPT3004
  • OPT3004

OPT3004

ACTIVE

Digital ambient light sensor (ALS) with increased angular IR rejection

Texas Instruments OPT3004 Product Info

1 April 2026 0

Parameters

Rating

Catalog

Applications

Enterprise

Operating temperature range (°C)

-40 to 85

Package

SOT-5X3 (DTS)-8-2.52 mm² 2.1 x 1.2

Features

  • Precision optical filtering to match human eye:
    • Rejects > 99% (typical) of IR over ±85° angle of incidence
  • Automatic full-scale setting feature simplifies software and ensures proper configuration
  • Measurements: 0.01 lux to 83 k lux
  • 23-Bit Effective dynamic range with automatic gain ranging
  • 12 Binary-weighted full-scale range settings: < 0.2% (typical) matching between ranges
  • Low operating current: 1.8 µA (Typical)
  • Operating temperature range: –40°C to +85°C
  • Wide power-supply range: 1.6 V to 3.6 V
  • 5.5-V Tolerant I/O
  • Flexible interrupt system
  • Small-form factor:
    • 2 mm × 2 mm × 0.65 mm for USON package
    • 2.1 mm × 1.9 mm × 0.6 mm for SOT-5X3 package
  • Precision optical filtering to match human eye:
    • Rejects > 99% (typical) of IR over ±85° angle of incidence
  • Automatic full-scale setting feature simplifies software and ensures proper configuration
  • Measurements: 0.01 lux to 83 k lux
  • 23-Bit Effective dynamic range with automatic gain ranging
  • 12 Binary-weighted full-scale range settings: < 0.2% (typical) matching between ranges
  • Low operating current: 1.8 µA (Typical)
  • Operating temperature range: –40°C to +85°C
  • Wide power-supply range: 1.6 V to 3.6 V
  • 5.5-V Tolerant I/O
  • Flexible interrupt system
  • Small-form factor:
    • 2 mm × 2 mm × 0.65 mm for USON package
    • 2.1 mm × 1.9 mm × 0.6 mm for SOT-5X3 package

Description

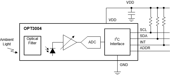
The OPT3004 is a sensor that measures the intensity of visible light. The spectral response of the sensor tightly matches the photopic response of the human eye and includes significant infrared rejection over a wide angle of incidence.

The OPT3004 is a single-chip lux meter, measuring the intensity of light as visible by the human eye. The precision spectral response and strong IR rejection of the device enables the OPT3004 to accurately meter the intensity of light as seen by the human eye regardless of light source. The strong IR rejection also helps to maintain high accuracy when industrial design calls for mounting the sensor under dark glass for aesthetics. The OPT3004 is designed for systems that create light-based experiences for humans, and is an ideal preferred replacement for photodiodes, photoresistors, or other ambient light sensors with less human eye matching and IR rejection.

Measurements can be made from 0.01 lux up to 83 k lux without manually selecting full-scale ranges by using the built-in, full-scale setting feature. This capability allows light measurement over a 23-bit effective dynamic range.

The OPT3004 is a sensor that measures the intensity of visible light. The spectral response of the sensor tightly matches the photopic response of the human eye and includes significant infrared rejection over a wide angle of incidence.

The OPT3004 is a single-chip lux meter, measuring the intensity of light as visible by the human eye. The precision spectral response and strong IR rejection of the device enables the OPT3004 to accurately meter the intensity of light as seen by the human eye regardless of light source. The strong IR rejection also helps to maintain high accuracy when industrial design calls for mounting the sensor under dark glass for aesthetics. The OPT3004 is designed for systems that create light-based experiences for humans, and is an ideal preferred replacement for photodiodes, photoresistors, or other ambient light sensors with less human eye matching and IR rejection.

Measurements can be made from 0.01 lux up to 83 k lux without manually selecting full-scale ranges by using the built-in, full-scale setting feature. This capability allows light measurement over a 23-bit effective dynamic range.

Subscribe to Welllinkchips !
Your Name
* Email
Submit a request