0
TPS54618C-Q1
  • TPS54618C-Q1
  • TPS54618C-Q1

TPS54618C-Q1

ACTIVE

Automotive 2.95-V to 6-V, 6-A, 2-MHz synchronous buck converter

Texas Instruments TPS54618C-Q1 Product Info

1 April 2026 0

Parameters

Rating

Automotive

Topology

Buck

Iout (max) (A)

6

Vin (max) (V)

6

Vin (min) (V)

2.95

Vout (max) (V)

4.5

Vout (min) (V)

0.8

Features

Enable, Frequency synchronization, Power good, Pre-Bias Start-Up, Soft Start Adjustable, Synchronous Rectification, Tracking, UVLO adjustable

Control mode

current mode

Operating temperature range (°C)

-40 to 125

Iq (typ) (A)

0.000515

Duty cycle (max) (%)

98

TI functional safety category

Functional Safety-Capable

Package

WQFN (RTE)-16-9 mm² 3 x 3

Features

  • AEC-Q100 qualified for automotive applications:
    • Temperature grade 1: -40°C to +125°C, TA
  • Functional Safety-Capable
  • Two 12-mΩ (typical) MOSFETs for high efficiency at 6-A loads
  • 300-kHz to 2-MHz switching frequency
  • 0.8-V ±1% Voltage reference over temperature (–40°C to +150°C)
  • Synchronizes to external clock
  • Adjustable slow start and sequencing
  • UV and OV power-good output
  • New product available: TPS62816-Q1, 6-V step-down converter in 2-mm x 3-mm QFN package with wettable flanks
  • Thermally-enhanced 3-mm × 3-mm, 16-pin WQFN package
  • AEC-Q100 qualified for automotive applications:
    • Temperature grade 1: -40°C to +125°C, TA
  • Functional Safety-Capable
  • Two 12-mΩ (typical) MOSFETs for high efficiency at 6-A loads
  • 300-kHz to 2-MHz switching frequency
  • 0.8-V ±1% Voltage reference over temperature (–40°C to +150°C)
  • Synchronizes to external clock
  • Adjustable slow start and sequencing
  • UV and OV power-good output
  • New product available: TPS62816-Q1, 6-V step-down converter in 2-mm x 3-mm QFN package with wettable flanks
  • Thermally-enhanced 3-mm × 3-mm, 16-pin WQFN package

Description

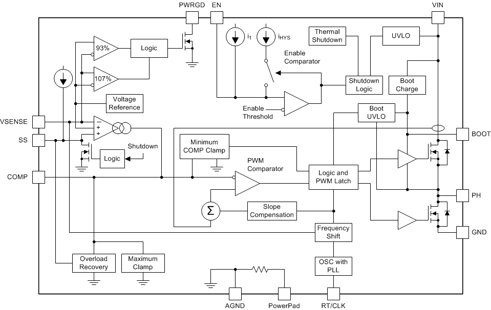
The TPS54618C-Q1 device is a full-featured 6-V, 6-A, synchronous step-down current-mode converter with two integrated MOSFETs.

The TPS54618C-Q1 enables small designs by integrating the MOSFETs, implementing current-mode control to reduce external component count, reducing inductor size by enabling up to 2-MHz switching frequency, and minimizing the IC footprint with a small, 3-mm × 3-mm, thermally-enhanced WQFN package.

The TPS54618C-Q1 provides accurate regulation for a variety of loads with an accurate ±1% voltage reference (VREF) over temperature.

Efficiency is maximized through the integrated 12-mΩ MOSFETs and 515-µA typical supply current. Using the enable pin, shutdown supply current is reduced to 5.5-µA by entering a shutdown mode.

Undervoltage lockout is internally set at 2.6 V, but can be increased by programming the threshold with a resistor network on the enable pin. The output-voltage start-up ramp is controlled by the slow-start pin. An open-drain power-good signal indicates the output is within 93% to 107% of its nominal voltage.

Frequency foldback and thermal shutdown protect the device during an overcurrent condition.

The TPS54618C-Q1 device is a full-featured 6-V, 6-A, synchronous step-down current-mode converter with two integrated MOSFETs.

The TPS54618C-Q1 enables small designs by integrating the MOSFETs, implementing current-mode control to reduce external component count, reducing inductor size by enabling up to 2-MHz switching frequency, and minimizing the IC footprint with a small, 3-mm × 3-mm, thermally-enhanced WQFN package.

The TPS54618C-Q1 provides accurate regulation for a variety of loads with an accurate ±1% voltage reference (VREF) over temperature.

Efficiency is maximized through the integrated 12-mΩ MOSFETs and 515-µA typical supply current. Using the enable pin, shutdown supply current is reduced to 5.5-µA by entering a shutdown mode.

Undervoltage lockout is internally set at 2.6 V, but can be increased by programming the threshold with a resistor network on the enable pin. The output-voltage start-up ramp is controlled by the slow-start pin. An open-drain power-good signal indicates the output is within 93% to 107% of its nominal voltage.

Frequency foldback and thermal shutdown protect the device during an overcurrent condition.

Subscribe to Welllinkchips !
Your Name
* Email
Submit a request