0
LM20323
  • LM20323
  • LM20323
  • LM20323
  • LM20323

LM20323

ACTIVE

4.5-36V, 3A Current Mode Synchronous Buck Regulator

Texas Instruments LM20323 Product Info

1 April 2026 0

Parameters

Rating

Catalog

Topology

Buck

Iout (max) (A)

3

Vin (max) (V)

36

Vin (min) (V)

4.5

Vout (max) (V)

32

Vout (min) (V)

0.8

Features

Enable, Overcurrent protection, Power good, Prebias startup, Synchronous rectification, Tracking, UVLO adjustable

Control mode

current mode

Operating temperature range (°C)

-40 to 125

Iq (typ) (A)

0.0023

Duty cycle (max) (%)

80

Package

HTSSOP (PWP)-20-41.6 mm² 6.5 x 6.4

Features

  • 4.5V to 36V Input Voltage Range
  • 3A Output Current, 5.2A Peak Current
  • 130 mΩ/110 mΩ Integrated Power MOSFETs
  • 93% Peak Efficiency with Synchronous Rectification
  • 1.5% Feedback Voltage Accuracy
  • Current Mode Control, Selectable Compensation
  • Fixed 500 kHz Switching Frequency
  • Adjustable Output Voltage Down to 0.8V
  • Compatible with Pre-biased Loads
  • Programmable Soft-start with External Capacitor
  • Precision Enable Pin with Hysteresis
  • Integrated OVP, UVLO, PGOOD
  • Internally Protected with Peak Current Limit, Thermal Shutdown and Restart
  • Accurate Current Limit Minimizes Inductor Size
  • Non-linear Current Mode Slope Compensation
  • 20-Pin HTSSOP Exposed Pad Package

All trademarks are the property of their respective owners.

  • 4.5V to 36V Input Voltage Range
  • 3A Output Current, 5.2A Peak Current
  • 130 mΩ/110 mΩ Integrated Power MOSFETs
  • 93% Peak Efficiency with Synchronous Rectification
  • 1.5% Feedback Voltage Accuracy
  • Current Mode Control, Selectable Compensation
  • Fixed 500 kHz Switching Frequency
  • Adjustable Output Voltage Down to 0.8V
  • Compatible with Pre-biased Loads
  • Programmable Soft-start with External Capacitor
  • Precision Enable Pin with Hysteresis
  • Integrated OVP, UVLO, PGOOD
  • Internally Protected with Peak Current Limit, Thermal Shutdown and Restart
  • Accurate Current Limit Minimizes Inductor Size
  • Non-linear Current Mode Slope Compensation
  • 20-Pin HTSSOP Exposed Pad Package

All trademarks are the property of their respective owners.

Description

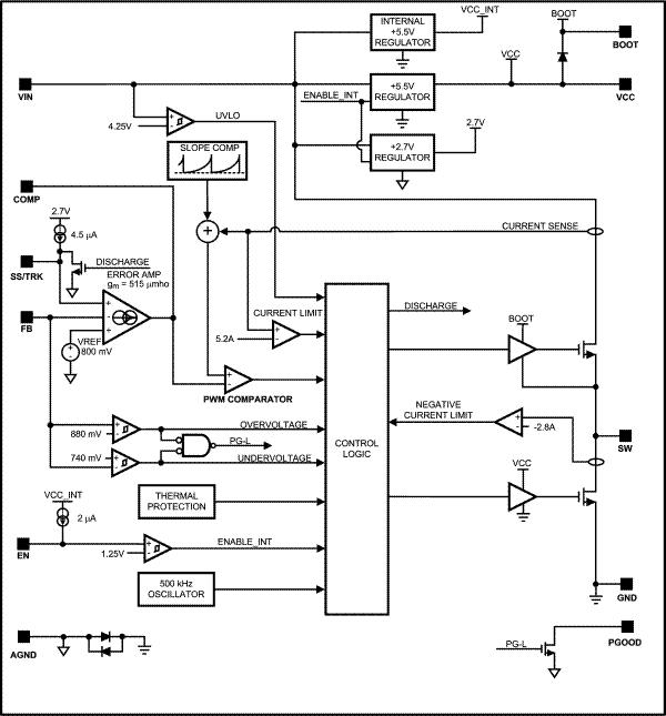
The LM20323 is a full featured 500kHz synchronous buck regulator capable of delivering up to 3A of load current. The current mode control loop is externally compensated with only two components, offering both high performance and ease of use. The device is optimized to work over the input voltage range of 4.5V to 36V making it well suited for high voltage systems.

The device features internal Over Voltage Protection (OVP) and Over Current Protection (OCP) circuits for increased system reliability. A precision Enable pin and integrated UVLO allows the turn-on of the device to be tightly controlled and sequenced. Startup inrush currents are limited by both an internally fixed and externally adjustable soft-start circuit. Fault detection and supply sequencing are possible with the integrated power good (PGOOD) circuit.

The LM20323 is designed to work well in multi-rail power supply architectures. The output voltage of the device can be configured to track a higher voltage rail using the SS/TRK pin. If the output of the LM20323 is pre-biased at startup it will not sink current to pull the output low until the internal soft-start ramp exceeds the voltage at the feedback pin.

The LM20323 is offered in an exposed pad 20-pin HTSSOP package that can be soldered to the PCB, eliminating the need for bulky heatsinks.

The LM20323 is a full featured 500kHz synchronous buck regulator capable of delivering up to 3A of load current. The current mode control loop is externally compensated with only two components, offering both high performance and ease of use. The device is optimized to work over the input voltage range of 4.5V to 36V making it well suited for high voltage systems.

The device features internal Over Voltage Protection (OVP) and Over Current Protection (OCP) circuits for increased system reliability. A precision Enable pin and integrated UVLO allows the turn-on of the device to be tightly controlled and sequenced. Startup inrush currents are limited by both an internally fixed and externally adjustable soft-start circuit. Fault detection and supply sequencing are possible with the integrated power good (PGOOD) circuit.

The LM20323 is designed to work well in multi-rail power supply architectures. The output voltage of the device can be configured to track a higher voltage rail using the SS/TRK pin. If the output of the LM20323 is pre-biased at startup it will not sink current to pull the output low until the internal soft-start ramp exceeds the voltage at the feedback pin.

The LM20323 is offered in an exposed pad 20-pin HTSSOP package that can be soldered to the PCB, eliminating the need for bulky heatsinks.

Subscribe to Welllinkchips !
Your Name
* Email
Submit a request